0
TPS54310
  • TPS54310
  • TPS54310
  • TPS54310

TPS54310

ACTIVE

3V to 6V Input, 3A Synchronous Step-Down Converter

Texas Instruments TPS54310 Product Info

1 April 2026 1

Parameters

Rating

Catalog

Topology

Buck

Iout (max) (A)

3

Vin (max) (V)

6

Vin (min) (V)

3

Vout (max) (V)

3.3

Vout (min) (V)

0.9

Features

Enable, Frequency synchronization, Power good, Synchronous Rectification

Control mode

Voltage mode

Operating temperature range (°C)

-40 to 125

Iq (typ) (A)

0.0062

Duty cycle (max) (%)

87

Package

HTSSOP (PWP)-20-41.6 mm² 6.5 x 6.4

Features

  • 60-mΩ MOSFET switches for high efficiency at 3-A continuous output source or sink current
  • Adjustable output voltage down to 0.9 V With 1% accuracy
  • Externally compensated for design flexibility
  • Fast transient response
  • Wide PWM frequency: fixed 350 kHz, 550  kHz, or adjustable 280 kHz to 700 kHz
  • Load protected by peak current limit and thermal shutdown
  • Integrated solution reduces board area and total cost
  • 60-mΩ MOSFET switches for high efficiency at 3-A continuous output source or sink current
  • Adjustable output voltage down to 0.9 V With 1% accuracy
  • Externally compensated for design flexibility
  • Fast transient response
  • Wide PWM frequency: fixed 350 kHz, 550  kHz, or adjustable 280 kHz to 700 kHz
  • Load protected by peak current limit and thermal shutdown
  • Integrated solution reduces board area and total cost

Description

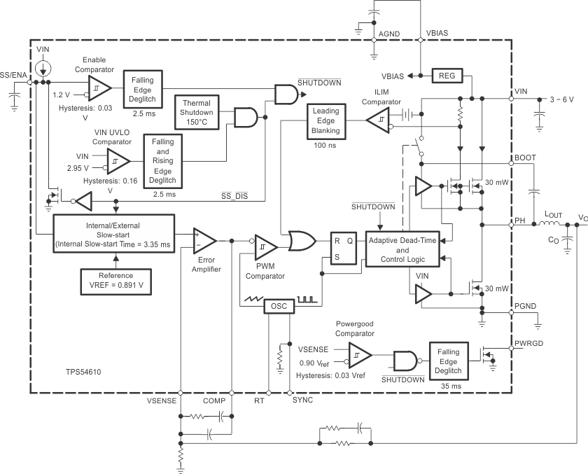
As a member of one of TI’s families of dc/dc regulators, the TPS54310 low-input-voltage high- output-current synchronous-buck PWM converter integrates all required active components. Included on the substrate with the listed features are a true, high performance, voltage error amplifier that provides high performance under transient conditions; an undervoltage-lockout circuit to prevent start-up until the input voltage reaches 3 V; an internally and externally set slow-start circuit to limit in-rush currents; and a power good output useful for processor/logic reset, fault signaling, and supply sequencing.

The TPS54310 device is available in a thermally enhanced 20-pin HTSSOP (PWP) PowerPAD™ package, which eliminates bulky heatsinks. TI provides evaluation modules to aid in quickly achieving high- performance power supply designs to meet aggressive equipment development cycles.

As a member of one of TI’s families of dc/dc regulators, the TPS54310 low-input-voltage high- output-current synchronous-buck PWM converter integrates all required active components. Included on the substrate with the listed features are a true, high performance, voltage error amplifier that provides high performance under transient conditions; an undervoltage-lockout circuit to prevent start-up until the input voltage reaches 3 V; an internally and externally set slow-start circuit to limit in-rush currents; and a power good output useful for processor/logic reset, fault signaling, and supply sequencing.

The TPS54310 device is available in a thermally enhanced 20-pin HTSSOP (PWP) PowerPAD™ package, which eliminates bulky heatsinks. TI provides evaluation modules to aid in quickly achieving high- performance power supply designs to meet aggressive equipment development cycles.

Subscribe to Welllinkchips !
Your Name
* Email
Submit a request