0
DRV8304
  • DRV8304
  • DRV8304

DRV8304

ACTIVE

40-V max 3-phase smart gate driver with current shunt amplifier

Texas Instruments DRV8304 Product Info

1 April 2026 0

Parameters

Rating

Catalog

Architecture

Gate driver

Control interface

1xPWM, 3xPWM, 6xPWM

Gate drive (A)

0.15

Vs (min) (V)

6

Vs ABS (max) (V)

40

Features

Current sense Amplifier, Hardware Management I/F, Smart Gate Drive

Operating temperature range (°C)

-40 to 125

Package

VQFN (RHA)-40-36 mm² 6 x 6

Features

  • 6-V to 38-V, Triple Half-Bridge Gate Driver With Integrated 3x Current Sense Amplifiers (CSA)
    • 40-V Absolute Maximum Rating
    • Fully Optimized for 12-V and 24-V DC Rails
    • Drives High-Side and Low-Side N-Channel MOSFETs
    • Supports 100% PWM Duty Cycle
  • Smart Gate-Drive Architecture
    • Adjustable Slew-Rate Control for Better EMI and EMC Performance
    • VGS Hand-Shake and Minimum Dead-Time Insertion to Avoid Shoot-Through
    • 15-mA to 150-mA Peak Source Current
    • 30-mA to 300-mA Peak Sink Current
  • 6x, 3x, 1x and Independent PWM Modes
    • Supports 120º Sensored Operation
  • Integrated Gate-Driver Power Supplies
    • High-Side Doubler Charge Pump
    • Low-Side Linear Regulator
  • Integrated Triple Current-Shunt Amplifiers
    • Adjustable Gain (5, 10, 20, 40 V/V)
    • Bidirectional or Unidirectional Support
  • SPI or Hardware Device Variants
  • Supports 1.8-V, 3.3-V, and 5-V Logic Inputs
  • Low-Power Sleep Mode
  • Linear Voltage Regulator, 3.3-V, 30-mA
  • Integrated Protection Features
    • VM Undervoltage Lockout (UVLO)
    • Charge Pump Undervoltage (CPUV)
    • MOSFET VDS Overcurrent Protection (OCP)
    • MOSFET Shoot-Through Protection
    • Gate Driver Fault (GDF)
    • Thermal Warning and Shutdown (OTW/OTSD)
    • Fault Condition Indicator (nFAULT)
  • 6-V to 38-V, Triple Half-Bridge Gate Driver With Integrated 3x Current Sense Amplifiers (CSA)
    • 40-V Absolute Maximum Rating
    • Fully Optimized for 12-V and 24-V DC Rails
    • Drives High-Side and Low-Side N-Channel MOSFETs
    • Supports 100% PWM Duty Cycle
  • Smart Gate-Drive Architecture
    • Adjustable Slew-Rate Control for Better EMI and EMC Performance
    • VGS Hand-Shake and Minimum Dead-Time Insertion to Avoid Shoot-Through
    • 15-mA to 150-mA Peak Source Current
    • 30-mA to 300-mA Peak Sink Current
  • 6x, 3x, 1x and Independent PWM Modes
    • Supports 120º Sensored Operation
  • Integrated Gate-Driver Power Supplies
    • High-Side Doubler Charge Pump
    • Low-Side Linear Regulator
  • Integrated Triple Current-Shunt Amplifiers
    • Adjustable Gain (5, 10, 20, 40 V/V)
    • Bidirectional or Unidirectional Support
  • SPI or Hardware Device Variants
  • Supports 1.8-V, 3.3-V, and 5-V Logic Inputs
  • Low-Power Sleep Mode
  • Linear Voltage Regulator, 3.3-V, 30-mA
  • Integrated Protection Features
    • VM Undervoltage Lockout (UVLO)
    • Charge Pump Undervoltage (CPUV)
    • MOSFET VDS Overcurrent Protection (OCP)
    • MOSFET Shoot-Through Protection
    • Gate Driver Fault (GDF)
    • Thermal Warning and Shutdown (OTW/OTSD)
    • Fault Condition Indicator (nFAULT)

Description

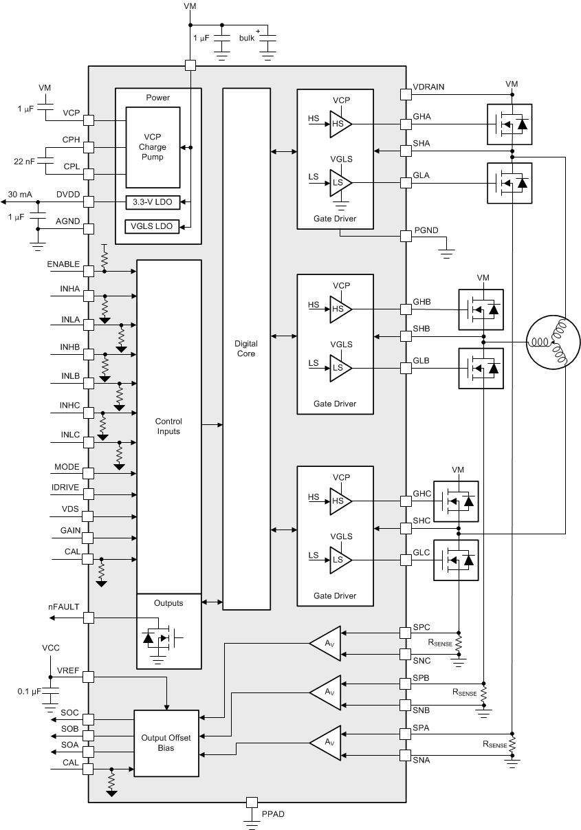
The DRV8304 device is an integrated gate driver for 3-phase brushless DC (BLDC) motors applications for 12-V and 24-V DC rails. These applications include field-oriented control (FOC), sinusoidal current control, and trapezoidal current control of BLDC motors. The device integrates three current-sense amplifiers (CSA) for sensing the phase currents of BLDC motors for optimum FOC and current-control system implementation. An AUTOCAL feature automatically calibrates the CSA offset error for accurate current sensing.

The device is based on smart gate-drive (SGD) architecture to eliminate the need of any external gate components (resistors and Zener diodes) while fully protecting the external FETs. The SGD architecture optimizes dead time to avoid any shoot-through conditions, provides flexibility in decreasing electromagnetic interference (EMI) by gate slew-rate control, and protects against any gate-short conditions through VGS hand-shaking and dead time insertion. Strong pulldown current also prevents any dv/dt gate turnon.

Various PWM control modes (1x, 3x, 6x, and independent) are supported for simple interfacing to control circuits that can be powered by the 30-mA, 3.3-V internal regulator. These modes decrease the number of output peripherals of the controller for the specific motor-control requirements and provide flexibility of control. The device also has a 1x mode for sensored trapezoidal control of the BLDC motor by using the internal block-commutation table. The device can also be configured to drive multiple loads, such as solenoids, in independent mode.

The DRV8304 device is an integrated gate driver for 3-phase brushless DC (BLDC) motors applications for 12-V and 24-V DC rails. These applications include field-oriented control (FOC), sinusoidal current control, and trapezoidal current control of BLDC motors. The device integrates three current-sense amplifiers (CSA) for sensing the phase currents of BLDC motors for optimum FOC and current-control system implementation. An AUTOCAL feature automatically calibrates the CSA offset error for accurate current sensing.

The device is based on smart gate-drive (SGD) architecture to eliminate the need of any external gate components (resistors and Zener diodes) while fully protecting the external FETs. The SGD architecture optimizes dead time to avoid any shoot-through conditions, provides flexibility in decreasing electromagnetic interference (EMI) by gate slew-rate control, and protects against any gate-short conditions through VGS hand-shaking and dead time insertion. Strong pulldown current also prevents any dv/dt gate turnon.

Various PWM control modes (1x, 3x, 6x, and independent) are supported for simple interfacing to control circuits that can be powered by the 30-mA, 3.3-V internal regulator. These modes decrease the number of output peripherals of the controller for the specific motor-control requirements and provide flexibility of control. The device also has a 1x mode for sensored trapezoidal control of the BLDC motor by using the internal block-commutation table. The device can also be configured to drive multiple loads, such as solenoids, in independent mode.

Subscribe to Welllinkchips !
Your Name
* Email
Submit a request