0
TPS54240-Q1
  • TPS54240-Q1
  • TPS54240-Q1
  • TPS54240-Q1

TPS54240-Q1

ACTIVE

Automotive 3.5V to 42V, 2.5A Buck Converter with Eco-Mode™

Texas Instruments TPS54240-Q1 Product Info

1 April 2026 1

Parameters

Rating

Automotive

Topology

Buck

Iout (max) (A)

2.5

Vin (max) (V)

42

Vin (min) (V)

3.5

Vout (max) (V)

39

Vout (min) (V)

0.8

Features

Enable, Frequency synchronization, Light Load Efficiency, Over Current Protection, Power good, Soft Start Adjustable, Tracking, UVLO adjustable

Control mode

current mode

Operating temperature range (°C)

-40 to 125

Iq (typ) (A)

0.000138

Duty cycle (max) (%)

100

Package

HVSSOP (DGQ)-10-14.7 mm² 3 x 4.9

Features

  • Qualified for Automotive Applications
  • AEC Q100 Qualified With the Following Results:
    • Device Temperature Grade 1:
      –40°C to 125°C Ambient Operating
      Temperature Range
    • Device HBM ESD Classification Level H2
    • Device CDM ESD Classification Level C6
  • 3.5-V to 42-V Input Voltage Range
  • 200-mΩ High-Side MOSFET
  • High Efficiency at Light Loads With a
    Pulse-Skipping Eco-mode Control Scheme
  • 138-µA Operating Quiescent Current
  • 1.3-µA Shutdown Current
  • 100-kHz to 2.5-MHz Switching Frequency
  • Synchronizes to External Clock
  • Adjustable Slow Start/Sequencing
  • UV and OV Power-Good Output
  • Adjustable UVLO Voltage and Hysteresis
  • 0.8-V Internal Voltage Reference
  • MSOP10 PowerPAD Package
  • Supported by SwitcherPro Software Tool
    (http://focus.ti.com/docs/toolsw/folders/print/switcherpro.html)
  • For SWIFT Documentation, See the TI Web site at http://www.ti.com/swift
  • Qualified for Automotive Applications
  • AEC Q100 Qualified With the Following Results:
    • Device Temperature Grade 1:
      –40°C to 125°C Ambient Operating
      Temperature Range
    • Device HBM ESD Classification Level H2
    • Device CDM ESD Classification Level C6
  • 3.5-V to 42-V Input Voltage Range
  • 200-mΩ High-Side MOSFET
  • High Efficiency at Light Loads With a
    Pulse-Skipping Eco-mode Control Scheme
  • 138-µA Operating Quiescent Current
  • 1.3-µA Shutdown Current
  • 100-kHz to 2.5-MHz Switching Frequency
  • Synchronizes to External Clock
  • Adjustable Slow Start/Sequencing
  • UV and OV Power-Good Output
  • Adjustable UVLO Voltage and Hysteresis
  • 0.8-V Internal Voltage Reference
  • MSOP10 PowerPAD Package
  • Supported by SwitcherPro Software Tool
    (http://focus.ti.com/docs/toolsw/folders/print/switcherpro.html)
  • For SWIFT Documentation, See the TI Web site at http://www.ti.com/swift

Description

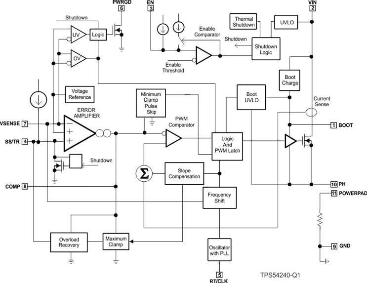
The TPS54240-Q1 device is a 42-V, 2.5-A, step-down regulator with an integrated high-side MOSFET. Current-mode control provides simple external compensation and flexible component selection. A low-ripple pulse-skip mode reduces the no-load, regulated-output supply current to 138 µA. Using the enable pin, shutdown supply current is reduced to 1.3 µA when the enable pin is low.

Undervoltage lockout is internally set at 2.5 V, but can be increased using the enable pin. The output voltage start-up ramp is controlled by the slow-start pin that can also be configured for sequencing/tracking. An open-drain power-good signal indicates the output is within 94% to 107% of its nominal voltage.

A wide switching-frequency range allows efficiency and external component size to be optimized. Frequency foldback and thermal shutdown protects the part during an overload condition.

The TPS54240-Q1 is available in a 10-pin thermally enhanced MSOP PowerPAD package.

The TPS54240-Q1 device is a 42-V, 2.5-A, step-down regulator with an integrated high-side MOSFET. Current-mode control provides simple external compensation and flexible component selection. A low-ripple pulse-skip mode reduces the no-load, regulated-output supply current to 138 µA. Using the enable pin, shutdown supply current is reduced to 1.3 µA when the enable pin is low.

Undervoltage lockout is internally set at 2.5 V, but can be increased using the enable pin. The output voltage start-up ramp is controlled by the slow-start pin that can also be configured for sequencing/tracking. An open-drain power-good signal indicates the output is within 94% to 107% of its nominal voltage.

A wide switching-frequency range allows efficiency and external component size to be optimized. Frequency foldback and thermal shutdown protects the part during an overload condition.

The TPS54240-Q1 is available in a 10-pin thermally enhanced MSOP PowerPAD package.

Subscribe to Welllinkchips !
Your Name
* Email
Submit a request