0
TPS53632G
  • TPS53632G
  • TPS53632G

TPS53632G

ACTIVE

Half-bridge, D-CAP+ controller for 48-V GaN DC/DC converter

Texas Instruments TPS53632G Product Info

1 April 2026 1

Parameters

Rating

Catalog

Topology

Multiphase

Vin (max) (V)

3.6

Control mode

Current

Features

Light-load efficiency

Duty cycle (max) (%)

50

Operating temperature range (°C)

-10 to 105

Package

VQFN (RSM)-32-16 mm² 4 x 4

Features

  • Valley Current Mode with Constant ON Time Control
  • Lossless Current Sensing Scheme
  • I2C Interface for VID Control and Telemetry
  • Programmable I2C Addresses up to Eight Devices
  • Switching Frequency up to 1 MHz
  • Digital Current Monitor
  • 7-Bit, DAC Output Range: 0.50-V to 1.52-V with 10-mV Step
  • Accurate, Adjustable Voltage Positioning or Zero Slope Load-Line
  • Selectable, 8-Level Current Limit
  • Adjustable Output Slew Rate Control
  • Default Boot Voltage: 1.00 V
  • Small, 4-mm × 4-mm, 32-Pin, VQFN, PowerPAD Package
  • Valley Current Mode with Constant ON Time Control
  • Lossless Current Sensing Scheme
  • I2C Interface for VID Control and Telemetry
  • Programmable I2C Addresses up to Eight Devices
  • Switching Frequency up to 1 MHz
  • Digital Current Monitor
  • 7-Bit, DAC Output Range: 0.50-V to 1.52-V with 10-mV Step
  • Accurate, Adjustable Voltage Positioning or Zero Slope Load-Line
  • Selectable, 8-Level Current Limit
  • Adjustable Output Slew Rate Control
  • Default Boot Voltage: 1.00 V
  • Small, 4-mm × 4-mm, 32-Pin, VQFN, PowerPAD Package

Description

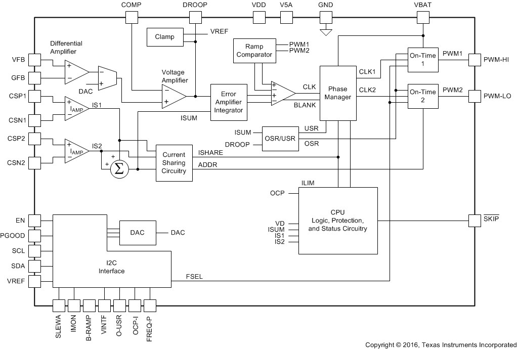
The TPS53632G device is a half-bridge PWM controller with D-CAP+ architecture that provides fast transient response, lowest outputcapacitance and high efficiency in single stage conversion directly from 48-V bus. The TPS53632G device supports the standard I2C Rev 3.0 interface for dynamic controlof the output voltage and current monitor telemetry. Paired with TI GaN power stages and drivers,the TPS53632G can switch up to 1 MHz to minimize magnetic component size and reduce overall boardspace. The LMG5200 GaN power stage is designed specifically for this controller to achieve highfrequency and efficiency as high as 92% with 48-V to 1-V conversion.

Other features include adjustable control of output slew rate and voltage positioning. Inaddition, the TPS53632G device can be used along with other TI discrete power MOSFETs and driversfor silicon-based half bridge solutions. The TPS53632G device is packaged in a space saving,thermally enhanced, 32-pin VQFN package and is rated to operate at a range between –10°C and105°C.

The TPS53632G device is a half-bridge PWM controller with D-CAP+ architecture that provides fast transient response, lowest outputcapacitance and high efficiency in single stage conversion directly from 48-V bus. The TPS53632G device supports the standard I2C Rev 3.0 interface for dynamic controlof the output voltage and current monitor telemetry. Paired with TI GaN power stages and drivers,the TPS53632G can switch up to 1 MHz to minimize magnetic component size and reduce overall boardspace. The LMG5200 GaN power stage is designed specifically for this controller to achieve highfrequency and efficiency as high as 92% with 48-V to 1-V conversion.

Other features include adjustable control of output slew rate and voltage positioning. Inaddition, the TPS53632G device can be used along with other TI discrete power MOSFETs and driversfor silicon-based half bridge solutions. The TPS53632G device is packaged in a space saving,thermally enhanced, 32-pin VQFN package and is rated to operate at a range between –10°C and105°C.

Subscribe to Welllinkchips !
Your Name
* Email
Submit a request