0
SN74LV4052A
  • SN74LV4052A
  • SN74LV4052A
  • SN74LV4052A
  • SN74LV4052A
  • SN74LV4052A
  • SN74LV4052A
  • SN74LV4052A
  • SN74LV4052A
  • SN74LV4052A

SN74LV4052A

ACTIVE

5V 4:1 two-channel analog multiplexer

Texas Instruments SN74LV4052A Product Info

1 April 2026 0

Parameters

Configuration

4:1

Number of channels

2

Power supply voltage - single (V)

1.8, 2.5, 3.3, 5

Protocols

Analog

Ron (typ) (Ω)

25

CON (typ) (pF)

5.6

ON-state leakage current (max) (µA)

1

Bandwidth (MHz)

50

Operating temperature range (°C)

-40 to 125

Input/output continuous current (max) (A)

0.025

Rating

Catalog

Drain supply voltage (max) (V)

5.5

Supply voltage (max) (V)

5.5

Package

PDIP (N)-16-181.42 mm² 19.3 x 9.4

Features

  • 1.65V to 5.5V VCC operation
  • Fast switching
  • High on-off output-voltage ratio
  • Low crosstalk between switches
  • Extremely low input current
  • Latch-up performance exceeds 100mA per JESD 78, class II
  • ESD protection exceeds JESD 22:
    • ±4000V human-body model (A114-A)
    • ±2000V charged-device model (C101)
  • 1.65V to 5.5V VCC operation
  • Fast switching
  • High on-off output-voltage ratio
  • Low crosstalk between switches
  • Extremely low input current
  • Latch-up performance exceeds 100mA per JESD 78, class II
  • ESD protection exceeds JESD 22:
    • ±4000V human-body model (A114-A)
    • ±2000V charged-device model (C101)

Description

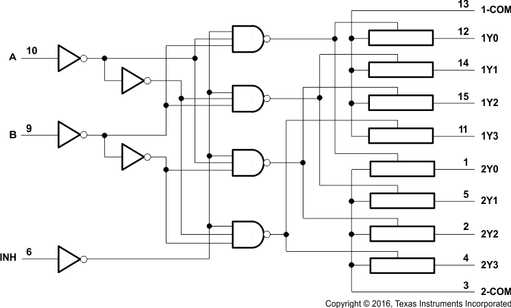
The SNx4LV4052A device is a dual, 4-channel CMOS analog multiplexer and demultiplexer that is designed for 1.65V to 5.5V VCC operation.

The SNx4LV4052A device handles both analog and digital signals. Each channel permits signals with amplitudes up to 5.5V (peak) to be transmitted in either direction.

The SNx4LV4052A device is a dual, 4-channel CMOS analog multiplexer and demultiplexer that is designed for 1.65V to 5.5V VCC operation.

The SNx4LV4052A device handles both analog and digital signals. Each channel permits signals with amplitudes up to 5.5V (peak) to be transmitted in either direction.

Subscribe to Welllinkchips !
Your Name
* Email
Submit a request