0
CD74HC165
  • CD74HC165
  • CD74HC165
  • CD74HC165

CD74HC165

ACTIVE

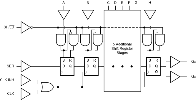
High Speed CMOS Logic 8-Bit Parallel-In/Serial-Out Shift Register

Texas Instruments CD74HC165 Product Info

1 April 2026 6

Parameters

Configuration

Parallel-in, Serial-out

Bits (#)

8

Technology family

HC

Supply voltage (min) (V)

2

Supply voltage (max) (V)

6

Input type

Standard CMOS

Output type

Push-Pull

Clock frequency (MHz)

24

IOL (max) (mA)

5.2

IOH (max) (mA)

-5.2

Supply current (max) (µA)

160

Features

Balanced outputs, High speed (tpd 10-50ns), Positive input clamp diode

Operating temperature range (°C)

-55 to 125

Rating

Catalog

Package

PDIP (N)-16-181.42 mm² 19.3 x 9.4

Features

CD74HC165

Description

CD74HC165:High Speed CMOS Logic 8-Bit Parallel-In/Serial-Out Shift Register.Package:PDIP (N)-16-181.42 mm² 19.3 x 9.4

Subscribe to Welllinkchips !
Your Name
* Email
Submit a request