0
TPS51727
  • TPS51727
  • TPS51727

TPS51727

ACTIVE

Dual-Phase, D-CAP+™ Mode Step Down Power Management IC for 50A+ Applications

Texas Instruments TPS51727 Product Info

1 April 2026 0

Parameters

Rating

Catalog

Topology

Multiphase

Iout (max) (A)

20

Vin (max) (V)

28

Vin (min) (V)

4.5

Vout (max) (V)

1.25

Vout (min) (V)

0.4

Control mode

D-CAP+

Features

Power good

Duty cycle (max) (%)

20

Iq (typ) (A)

0.0025

Number of phases

2

Operating temperature range (°C)

-10 to 100

Package

VQFN (RHA)-40-36 mm² 6 x 6

Features

  • Seamless Phase Add/Drop Enables Maximum Efficiency Under Any Load Condition
  • Minimum External Parts Count
  • ±8 mV VOUT Accuracy Over Line/Load/Temp.
  • 5-Bit DAC with 0.4-V to 1.25-V Output Range Supports Wide Range of Applications
  • Optimized Efficiency at Light & Heavy Loads
  • Patent Pending Output Overshoot Reduction (OSR™)
  • Accurate, Adjustable Voltage Positioning
  • Selectable 200/300/400/500 kHz Frequency
  • Pat. pending AutoBalance Phase Balancing
  • Supports Resistor or Inductor DCR Current Sensing
  • Accurate, Selectable Current Limit
  • 4.5-V to 28-V Conversion Voltage Range
  • Fast MOSFET Driver w/Integrated Boost Diode
  • Integrated OVP Can Be Disabled Thermal Sensor and Output Power Monitor
  • Small 6 × 6, 40-Pin QFN PowerPAD™ Package
  • APPLICATIONS
    • High-Current, Low-Voltage Applications for Adapter, Battery, NVDC or 5-V/12-V Rails
  • Seamless Phase Add/Drop Enables Maximum Efficiency Under Any Load Condition
  • Minimum External Parts Count
  • ±8 mV VOUT Accuracy Over Line/Load/Temp.
  • 5-Bit DAC with 0.4-V to 1.25-V Output Range Supports Wide Range of Applications
  • Optimized Efficiency at Light & Heavy Loads
  • Patent Pending Output Overshoot Reduction (OSR™)
  • Accurate, Adjustable Voltage Positioning
  • Selectable 200/300/400/500 kHz Frequency
  • Pat. pending AutoBalance Phase Balancing
  • Supports Resistor or Inductor DCR Current Sensing
  • Accurate, Selectable Current Limit
  • 4.5-V to 28-V Conversion Voltage Range
  • Fast MOSFET Driver w/Integrated Boost Diode
  • Integrated OVP Can Be Disabled Thermal Sensor and Output Power Monitor
  • Small 6 × 6, 40-Pin QFN PowerPAD™ Package
  • APPLICATIONS
    • High-Current, Low-Voltage Applications for Adapter, Battery, NVDC or 5-V/12-V Rails

Description

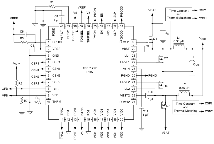
The TPS51727 is a complete, step down controller with integrated gate drivers. The PCNT pin enables operation in dual or single-phase mode to optimize efficiency depending on the load requirements. The advanced D-CAP+ architecture provides fast transient response with minimum output capacitance. The DAC supports VID-on-the-fly transitions to optimize the output voltage to the operating state of the system to meet idle power requirements. The auto-skip feature of the TPS51727 optimizes light-load efficiency in both single and dual phase operation. System management features include an adjustable thermal sensor, output power monitoring and sleep state controls. Adjustable control of VOUT slew rate and voltage positioning are provided. In addition, the TPS51727 includes two high-current MOSFET gate drivers to drive high and low side N-channel MOSFETs with exceptionally high speed and low switching loss The PCNT and VID0 through VID4, pins have flexible LV I/O thresholds that enable interface with logic voltages from 1.0 V to 3.6 V. The TPS51727 is packaged in a space saving, thermally enhanced, RoHS compliant 40-pin QFN and is rated to operate from -10°C to 100°C.

The TPS51727 is a complete, step down controller with integrated gate drivers. The PCNT pin enables operation in dual or single-phase mode to optimize efficiency depending on the load requirements. The advanced D-CAP+ architecture provides fast transient response with minimum output capacitance. The DAC supports VID-on-the-fly transitions to optimize the output voltage to the operating state of the system to meet idle power requirements. The auto-skip feature of the TPS51727 optimizes light-load efficiency in both single and dual phase operation. System management features include an adjustable thermal sensor, output power monitoring and sleep state controls. Adjustable control of VOUT slew rate and voltage positioning are provided. In addition, the TPS51727 includes two high-current MOSFET gate drivers to drive high and low side N-channel MOSFETs with exceptionally high speed and low switching loss The PCNT and VID0 through VID4, pins have flexible LV I/O thresholds that enable interface with logic voltages from 1.0 V to 3.6 V. The TPS51727 is packaged in a space saving, thermally enhanced, RoHS compliant 40-pin QFN and is rated to operate from -10°C to 100°C.

Subscribe to Welllinkchips !
Your Name
* Email
Submit a request