0
TPS51518
  • TPS51518
  • TPS51518

TPS51518

ACTIVE

Single Phase D-CAP and D-CAP2 Controller with 2-bit Flexible VID Controller

Texas Instruments TPS51518 Product Info

1 April 2026 0

Parameters

Rating

Catalog

Topology

Multiphase

Iout (max) (A)

20

Vin (max) (V)

28

Vin (min) (V)

3

Vout (max) (V)

2

Vout (min) (V)

0.5

Control mode

D-CAP+, D-CAP2

Features

Adjustable current limit, Enable, Light Load Efficiency, Output discharge, Power good, Synchronous Rectification, UVLO Fixed, VID: 2-bit

Duty cycle (max) (%)

70

Iq (typ) (A)

0.00056

Number of phases

1

Operating temperature range (°C)

-10 to 105

Package

WQFN (RUK)-20-9 mm² 3 x 3

Features

  • Differential Voltage Feedback
  • DC Compensation for Accurate Regulation
  • Wide Input Voltage Range: 3 V to 28 V
  • Flexible, 2-Bit VID Supports Output Voltage from 0.5 V to 2.0 V
  • Adaptive On-Time Modulation with Selectable Control Architecture
    • D-CAP Mode at 350 kHz for Fast Transient Response
    • D-CAP2 Mode at 350 kHz for Ultra-Low/Low ESR Output Capacitor
  • 4700 ppm/°C, Low-Side RDS(on) Current Sensing
  • Programmable Soft-Start Time and Output Voltage Transition Time
  • Built-In Output Discharge
  • Power Good Output
  • Integrated Boost Switch
  • Built-In OVP/UVP/OCP
  • Thermal Shutdown (Non-latched)
  • 3 mm × 3 mm, 20-Pin, QFN (RUK) Package
  • Differential Voltage Feedback
  • DC Compensation for Accurate Regulation
  • Wide Input Voltage Range: 3 V to 28 V
  • Flexible, 2-Bit VID Supports Output Voltage from 0.5 V to 2.0 V
  • Adaptive On-Time Modulation with Selectable Control Architecture
    • D-CAP Mode at 350 kHz for Fast Transient Response
    • D-CAP2 Mode at 350 kHz for Ultra-Low/Low ESR Output Capacitor
  • 4700 ppm/°C, Low-Side RDS(on) Current Sensing
  • Programmable Soft-Start Time and Output Voltage Transition Time
  • Built-In Output Discharge
  • Power Good Output
  • Integrated Boost Switch
  • Built-In OVP/UVP/OCP
  • Thermal Shutdown (Non-latched)
  • 3 mm × 3 mm, 20-Pin, QFN (RUK) Package

Description

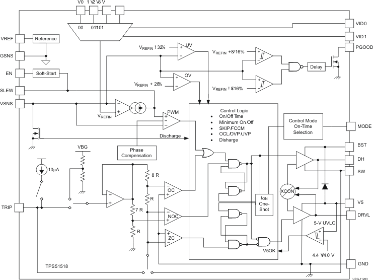
The TPS51518 is a single phase, D-CAP™/ D-CAP2™ synchronous buck controller with 2-bit VID inputs which can select up to four independent externally programmable output voltage levels where full external programmability in the voltage level, step setting and voltage transition slew rate is desired. It is used for GFX applications where multiple voltage levels are desired.

The TPS51518 supports all POS/SPCAP and/or all ceramic MLCC output capacitor options in applications where remote sense is a requirement. Tight DC load regulation is achieved through external programmable integrator capacitor.

The TPS51518 provides full protection suite, including OVP, OCL, 5-V UVLO and thermal shutdown. It supports the conversion voltage up to 28 V, and output voltages adjustable from 0.5 V to 2 V.

The TPS51518 is available in the 3 mm × 3 mm, QFN, 0.4-mm pitch package and is specified from –10°C to 105°C.

The TPS51518 is a single phase, D-CAP™/ D-CAP2™ synchronous buck controller with 2-bit VID inputs which can select up to four independent externally programmable output voltage levels where full external programmability in the voltage level, step setting and voltage transition slew rate is desired. It is used for GFX applications where multiple voltage levels are desired.

The TPS51518 supports all POS/SPCAP and/or all ceramic MLCC output capacitor options in applications where remote sense is a requirement. Tight DC load regulation is achieved through external programmable integrator capacitor.

The TPS51518 provides full protection suite, including OVP, OCL, 5-V UVLO and thermal shutdown. It supports the conversion voltage up to 28 V, and output voltages adjustable from 0.5 V to 2 V.

The TPS51518 is available in the 3 mm × 3 mm, QFN, 0.4-mm pitch package and is specified from –10°C to 105°C.

Subscribe to Welllinkchips !
Your Name
* Email
Submit a request