0
NS16C2752
  • NS16C2752
  • NS16C2752
  • NS16C2752

NS16C2752

ACTIVE

Dual UART with 64-byte FIFO and up to 5 Mbit/s Data Rate

Texas Instruments NS16C2752 Product Info

1 April 2026 0

Parameters

Number of channels

2

FIFO (Byte)

64

Rx FIFO trigger levels (#)

4

Tx FIFO trigger levels (#)

4

Programmable FIFO trigger levels

No

CPU interface

X86

Baud rate at Vcc = 3.3 V & with 16x sampling (max) (Mbps)

5

Baud rate at Vcc = 5 V & with 16x sampling (max) (Mbps)

5

Operating voltage (V)

3.3, 5

Auto RTS/CTS

Yes

Rating

Catalog

Operating temperature range (°C)

-40 to 85

Package

PLCC (FN)-44-307.3009 mm² 17.53 x 17.53

Features

  • Dual Independent UART
  • Up to 5 Mbits/s Data Transfer Rate
  • 2.97 V to 5.50 V Operational Vcc
  • 5 V Tolerant I/Os in the Entire Supply Voltage Range
  • Industrial Temperature: -40°C to 85°C
  • Default Registers are Identical to the PC16552D
  • NS16C2552/NS16C2752 is Pin-to-Pin Compatible to TI PC16552D, EXAR ST16C2552, XR16C2552, XR 16L2552, and Phillips SC16C2552B
  • NS16C2752 is Compatible to EXAR XR16L2752, and Register Compatible to Phillips SC16C752
  • Auto Hardware Flow Control (Auto-CTS, Auto-RTS)
  • Auto Software Flow Control (Xon, Xoff, and Xon-any)
  • Fully Programmable Character Length (5, 6, 7, or 8) with Even, Odd, or No Parity, Stop Bit
  • Adds or Deletes Standard Asynchronous Communication Bits (Start, Stop, and Parity) to or from the Serial Data
  • Independently Controlled and Prioritized Transmit and Receive Interrupts
  • Complete Line Status Reporting Capabilities
  • Line Break Generation and Detection
  • Internal Diagnostic Capabilities
    • Loopback Controls for Communications Link Fault Isolation
    • Break, Parity, Overrun, Framing Error Detection
  • Programmable Baud Generators Divide any Input Clock by 1 to (216 - 1) and Generate the 16 X clock
  • IrDA v1.0 Wireless Infrared Encoder/Decoder
  • DMA Operation (TXRDY/RXRDY)
  • Concurrent Write to DUART Internal Register Channels 1 and 2
  • Multi-Function Output Allows More Package Functions with Fewer I/O Pins
  • 44-PLCC or 48-TQFP Package

All trademarks are the property of their respective owners.

  • Dual Independent UART
  • Up to 5 Mbits/s Data Transfer Rate
  • 2.97 V to 5.50 V Operational Vcc
  • 5 V Tolerant I/Os in the Entire Supply Voltage Range
  • Industrial Temperature: -40°C to 85°C
  • Default Registers are Identical to the PC16552D
  • NS16C2552/NS16C2752 is Pin-to-Pin Compatible to TI PC16552D, EXAR ST16C2552, XR16C2552, XR 16L2552, and Phillips SC16C2552B
  • NS16C2752 is Compatible to EXAR XR16L2752, and Register Compatible to Phillips SC16C752
  • Auto Hardware Flow Control (Auto-CTS, Auto-RTS)
  • Auto Software Flow Control (Xon, Xoff, and Xon-any)
  • Fully Programmable Character Length (5, 6, 7, or 8) with Even, Odd, or No Parity, Stop Bit
  • Adds or Deletes Standard Asynchronous Communication Bits (Start, Stop, and Parity) to or from the Serial Data
  • Independently Controlled and Prioritized Transmit and Receive Interrupts
  • Complete Line Status Reporting Capabilities
  • Line Break Generation and Detection
  • Internal Diagnostic Capabilities
    • Loopback Controls for Communications Link Fault Isolation
    • Break, Parity, Overrun, Framing Error Detection
  • Programmable Baud Generators Divide any Input Clock by 1 to (216 - 1) and Generate the 16 X clock
  • IrDA v1.0 Wireless Infrared Encoder/Decoder
  • DMA Operation (TXRDY/RXRDY)
  • Concurrent Write to DUART Internal Register Channels 1 and 2
  • Multi-Function Output Allows More Package Functions with Fewer I/O Pins
  • 44-PLCC or 48-TQFP Package

All trademarks are the property of their respective owners.

Description

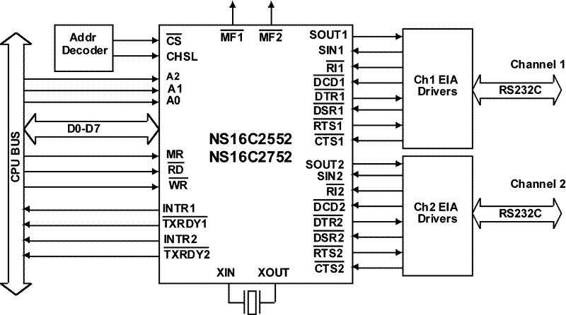
The NS16C2552 and NS16C2752 are dual channel Universal Asynchronous Receiver/Transmitter (DUART). The footprint and the functions are compatible to the PC16552D, while new features are added to the UART device. These features include low voltage support, 5V tolerant inputs, enhanced features, enhanced register set, and higher data rate.

The two serial channels are completely independent of each other, except for a common CPU interface and crystal input. On power-up both channels are functionally identical to the PC16552D. Each channel can operate with on-chip transmitter and receiver FIFO’s (in FIFO mode).

In the FIFO mode each channel is capable of buffering 16 bytes (for NS16C2552) or 64 bytes (for NS16C2752) of data in both the transmitter and receiver. The receiver FIFO also has additional 3 bits of error data per location. All FIFO control logic is on-chip to minimize system software overhead and maximize system efficiency.

To improve the CPU processing bandwidth, the data transfers between the DUART and the CPU can be done using DMA controller. Signaling for DMA transfers is done through two pins per channel (TXRDY and RXRDY). The RXRDYfunction is multiplexed on one pin with the OUT2 and BAUDOUT functions. The configuration is through Alternate Function Register.

The fundamental function of the UART is converting between parallel and serial data. Serial-to-parallel conversion is done on the UART receiver and parallel-to-serial conversion is done on the transmitter. The CPU can read the complete status of each channel at any time. Status information reported includes the type and condition of the transfer operations being performed by the DUART, as well as any error conditions (parity, overrun, framing, or break interrupt).

The NS16C2552 and NS16C2752 include one programmable baud rate generator for each channel. Each baud rate generator is capable of dividing the clock input by divisors of 1 to (216 - 1), and producing a 16X clock for driving the internal transmitter logic and for receiver sampling circuitry. The NS16C2552 and NS16C2752 have complete MODEM-control capability, and a processor-interrupt system. The interrupts can be programmed by the user to minimize the processing required to handle the communications link.

The NS16C2552 and NS16C2752 are dual channel Universal Asynchronous Receiver/Transmitter (DUART). The footprint and the functions are compatible to the PC16552D, while new features are added to the UART device. These features include low voltage support, 5V tolerant inputs, enhanced features, enhanced register set, and higher data rate.

The two serial channels are completely independent of each other, except for a common CPU interface and crystal input. On power-up both channels are functionally identical to the PC16552D. Each channel can operate with on-chip transmitter and receiver FIFO’s (in FIFO mode).

In the FIFO mode each channel is capable of buffering 16 bytes (for NS16C2552) or 64 bytes (for NS16C2752) of data in both the transmitter and receiver. The receiver FIFO also has additional 3 bits of error data per location. All FIFO control logic is on-chip to minimize system software overhead and maximize system efficiency.

To improve the CPU processing bandwidth, the data transfers between the DUART and the CPU can be done using DMA controller. Signaling for DMA transfers is done through two pins per channel (TXRDY and RXRDY). The RXRDYfunction is multiplexed on one pin with the OUT2 and BAUDOUT functions. The configuration is through Alternate Function Register.

The fundamental function of the UART is converting between parallel and serial data. Serial-to-parallel conversion is done on the UART receiver and parallel-to-serial conversion is done on the transmitter. The CPU can read the complete status of each channel at any time. Status information reported includes the type and condition of the transfer operations being performed by the DUART, as well as any error conditions (parity, overrun, framing, or break interrupt).

The NS16C2552 and NS16C2752 include one programmable baud rate generator for each channel. Each baud rate generator is capable of dividing the clock input by divisors of 1 to (216 - 1), and producing a 16X clock for driving the internal transmitter logic and for receiver sampling circuitry. The NS16C2552 and NS16C2752 have complete MODEM-control capability, and a processor-interrupt system. The interrupts can be programmed by the user to minimize the processing required to handle the communications link.

Subscribe to Welllinkchips !
Your Name
* Email
Submit a request