0
TPS40425
  • TPS40425
  • TPS40425

TPS40425

ACTIVE

Dual Output, 2-Phase, Stackable PMBUS Synchronous Buck Driverless Controller

Texas Instruments TPS40425 Product Info

1 April 2026 1

Parameters

Rating

Catalog

Topology

Multiphase

Iout (max) (A)

40

Vin (max) (V)

20

Vin (min) (V)

4.5

Vout (max) (V)

5

Vout (min) (V)

0.6

Control mode

Voltage mode

Features

Adjustable current limit, Dynamic Voltage Scaling, Enable, Frequency synchronization, Phase Interleaving, Power good, Pre-Bias Start-Up, Remote Sense, Synchronous Rectification, UVLO adjustable, Voltage Margining

Duty cycle (max) (%)

46

Iq (typ) (A)

0.018

Number of phases

2

Operating temperature range (°C)

-40 to 125

Package

VQFN (RHA)-40-36 mm² 6 x 6

Features

  • Non-Smart Power Mode in Factory Default
  • Pin-for-Pin Equivalent to TPS40428 – Smart Power Mode in Factory Default
  • Single Supply Operation: 4.5 V to 20 V
  • VOUT from 0.6 V
  • Dual or Multi-Phase Synchronous Buck Controller
  • Individual High-Speed AVS Interface
    (0.5-V to 1.5-V Range)
  • Fast Transient Response
  • Stackable up to Four Phases
    • 2-, 3-, or 4-Phase Interleaved Phase Shifts
    • Accurate Current Sharing
  • PMBus™ Interface Capability
    • Margining Up or Down with 2-mV Step
    • Programmable Fault Limit and Response
    • ±0.8% VOUT
    • Accuracy Current Monitoring
    • ±4.5°C External Temperature Monitoring with x3904
    • Programmable UVLO ON/OFF Thresholds
    • Programmable Soft-Start Time, Turn-On Delay, and Turn-Off Delay
  • On-Chip Non-Volatile Memory (NVM) to Store Custom Configurations
  • 0.6-V Reference Voltage with 0.5% Accuracy from –40°C to 125°C
  • Inductor DCR Current Sensing
  • Programmable ƒSW from 200 kHz to 1.5 MHz
  • Supports Pre-biased Output
  • Differential Remote Sensing
  • Synchronization to an Extermal Clock
  • OC/OV/UV/OT Fault Protection
  • 40-Pin, 6 mm × 6 mm, QFN Package
  • Support for TI Power Stage
  • Non-Smart Power Mode in Factory Default
  • Pin-for-Pin Equivalent to TPS40428 – Smart Power Mode in Factory Default
  • Single Supply Operation: 4.5 V to 20 V
  • VOUT from 0.6 V
  • Dual or Multi-Phase Synchronous Buck Controller
  • Individual High-Speed AVS Interface
    (0.5-V to 1.5-V Range)
  • Fast Transient Response
  • Stackable up to Four Phases
    • 2-, 3-, or 4-Phase Interleaved Phase Shifts
    • Accurate Current Sharing
  • PMBus™ Interface Capability
    • Margining Up or Down with 2-mV Step
    • Programmable Fault Limit and Response
    • ±0.8% VOUT
    • Accuracy Current Monitoring
    • ±4.5°C External Temperature Monitoring with x3904
    • Programmable UVLO ON/OFF Thresholds
    • Programmable Soft-Start Time, Turn-On Delay, and Turn-Off Delay
  • On-Chip Non-Volatile Memory (NVM) to Store Custom Configurations
  • 0.6-V Reference Voltage with 0.5% Accuracy from –40°C to 125°C
  • Inductor DCR Current Sensing
  • Programmable ƒSW from 200 kHz to 1.5 MHz
  • Supports Pre-biased Output
  • Differential Remote Sensing
  • Synchronization to an Extermal Clock
  • OC/OV/UV/OT Fault Protection
  • 40-Pin, 6 mm × 6 mm, QFN Package
  • Support for TI Power Stage

Description

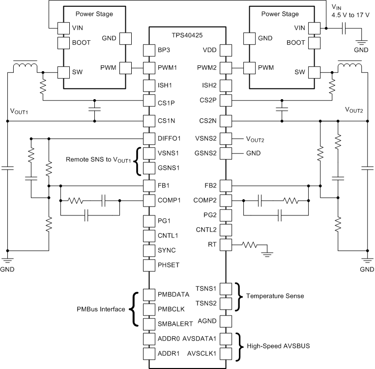
The TPS40425 is a PMBus, synchronous buck, driverless controller. It operates in non-smart power mode in factory default setting, and it can operate in smart power mode after PMBus programming and power reboot. It can be configured as dual-output or 2-phase. It is also stackable up to 4 phases to support load current as high as 120 A. Interleaved phase shift for 2-, 3-, or 4-phases reduce the input and output ripples therefore reducing input and output capacitance.

The wide input voltage range can support 5-V and 12-V intermediate supply buses. The 0.5% reference voltage satisfies the need of precision voltage to the modern ASICs.

Using the PMBus standard, the TPS40425 device can program reference voltage, fault limit, UVLO threshold, soft-start time and turn-on and turn-off delay.

In addition, the device implements an accurate measurement system to monitor the output voltages, currents and temperatures for individual channels.

The TPS40425 is a PMBus, synchronous buck, driverless controller. It operates in non-smart power mode in factory default setting, and it can operate in smart power mode after PMBus programming and power reboot. It can be configured as dual-output or 2-phase. It is also stackable up to 4 phases to support load current as high as 120 A. Interleaved phase shift for 2-, 3-, or 4-phases reduce the input and output ripples therefore reducing input and output capacitance.

The wide input voltage range can support 5-V and 12-V intermediate supply buses. The 0.5% reference voltage satisfies the need of precision voltage to the modern ASICs.

Using the PMBus standard, the TPS40425 device can program reference voltage, fault limit, UVLO threshold, soft-start time and turn-on and turn-off delay.

In addition, the device implements an accurate measurement system to monitor the output voltages, currents and temperatures for individual channels.

Subscribe to Welllinkchips !
Your Name
* Email
Submit a request