0
TPS3430
  • TPS3430
  • TPS3430

TPS3430

ACTIVE

Window watchdog timer with programmable reset delay

Texas Instruments TPS3430 Product Info

1 April 2026 0

Parameters

Rating

Catalog

Features

Watchdog disable, Watchdog timer, Window watchdog

Reset threshold accuracy (%)

0

Iq (typ) (mA)

0.01

Output driver type/reset output

Active-low, Open-drain

Watchdog timer WDI (s)

0.2, Programmable

Supply voltage (min) (V)

1.6

Supply voltage (max) (V)

6.5

Operating temperature range (°C)

-40 to 125

Package

VSON (DRC)-10-9 mm² 3 x 3

Features

  • Factory-programmed precision watchdog timers:
    • ±2.5% Accurate watchdog timeout and watchdog reset delays typical at 25°C
  • Watchdog disable feature
  • User-programmable watchdog timeout
  • User-programmable watchdog reset delay
  • Input voltage range: VDD = 1.6 V to 6.5 V
  • Low supply current: IDD = 10 µA (typical)
  • Open-drain output
  • Small 3-mm × 3-mm, 10-Pin VSON package
  • Junction operating temperature range: –40°C to +125°C
  • Factory-programmed precision watchdog timers:
    • ±2.5% Accurate watchdog timeout and watchdog reset delays typical at 25°C
  • Watchdog disable feature
  • User-programmable watchdog timeout
  • User-programmable watchdog reset delay
  • Input voltage range: VDD = 1.6 V to 6.5 V
  • Low supply current: IDD = 10 µA (typical)
  • Open-drain output
  • Small 3-mm × 3-mm, 10-Pin VSON package
  • Junction operating temperature range: –40°C to +125°C

Description

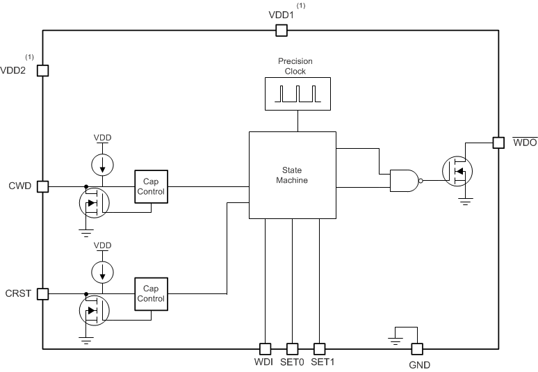
The TPS3430 is a standalone window watchdog timer with programmable watchdog window and programmable watchdog reset delay for a wide variety of applications. The TPS3430 window watchdog achieves 2.5% timing accuracy (typical at 25°C) and the watchdog output ( WDO) reset delay can be set by factory-programmed default delay settings, or programmed by an external capacitor. The watchdog can be disabled via the SET pins to avoid undesired watchdog timeouts during the development process or during power on.

The TPS3430 is available in a small 3.00-mm × 3.00-mm, 10-pin VSON package.

The TPS3430 is a standalone window watchdog timer with programmable watchdog window and programmable watchdog reset delay for a wide variety of applications. The TPS3430 window watchdog achieves 2.5% timing accuracy (typical at 25°C) and the watchdog output ( WDO) reset delay can be set by factory-programmed default delay settings, or programmed by an external capacitor. The watchdog can be disabled via the SET pins to avoid undesired watchdog timeouts during the development process or during power on.

The TPS3430 is available in a small 3.00-mm × 3.00-mm, 10-pin VSON package.

Subscribe to Welllinkchips !
Your Name
* Email
Submit a request