0
PGA2311
  • PGA2311
  • PGA2311
  • PGA2311

PGA2311

ACTIVE

+/-5V Stereo Audio Volume Control

Texas Instruments PGA2311 Product Info

1 April 2026 0

Parameters

Supply voltage (max) (V)

5.25

Supply voltage (min) (V)

4.75

Rating

Catalog

Operating temperature range (°C)

-40 to 85

Package

PDIP (N)-16-181.42 mm² 19.3 x 9.4

Features

  • Digitally-Controlled Analog Volume Control:
    • Two Independent Audio Channels
    • Serial Control Interface
    • Zero Crossing Detection
    • Mute Function
  • Wide Gain and Attenuation Range:
    +31.5 dB to −95.5 dB with 0.5-dB Steps
  • Low Noise and Distortion:
    • 120-dB Dynamic Range
    • 0.0004% THD+N at 1 kHz (U-Grade)
    • 0.0002% THD+N at 1 kHz (A-Grade)
  • Noise-Free Level Transitions
  • Low Interchannel Crosstalk: −130 dBFS
  • Power Supplies: ±5-V Analog, +5-V Digital
  • Available in PDIP-16 and SOIC-16 Packages
  • Pin- and Software-Compatible With the Crystal
    CS3310
  • Digitally-Controlled Analog Volume Control:
    • Two Independent Audio Channels
    • Serial Control Interface
    • Zero Crossing Detection
    • Mute Function
  • Wide Gain and Attenuation Range:
    +31.5 dB to −95.5 dB with 0.5-dB Steps
  • Low Noise and Distortion:
    • 120-dB Dynamic Range
    • 0.0004% THD+N at 1 kHz (U-Grade)
    • 0.0002% THD+N at 1 kHz (A-Grade)
  • Noise-Free Level Transitions
  • Low Interchannel Crosstalk: −130 dBFS
  • Power Supplies: ±5-V Analog, +5-V Digital
  • Available in PDIP-16 and SOIC-16 Packages
  • Pin- and Software-Compatible With the Crystal
    CS3310

Description

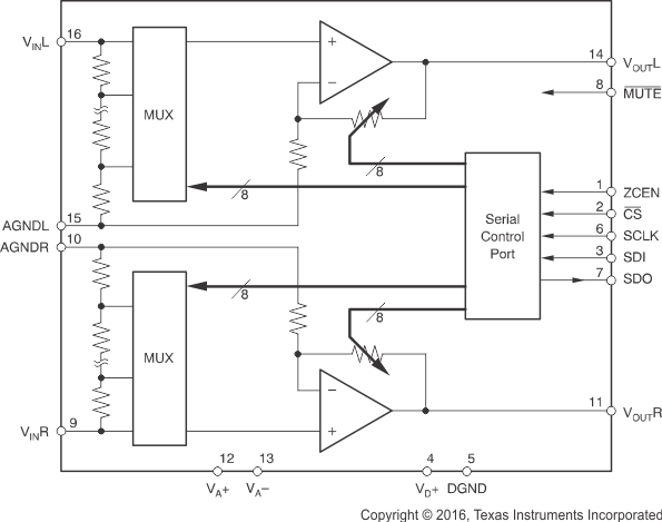
The PGA2311 device is a high-performance, stereo audio volume control designed for professional and high-end consumer audio systems. The PGA2311 uses an internal high-performance operational amplifier to yield low noise and distortion. The PGA2311 also provides the capability to drive 660-Ω loads directly without buffering. The 3-wire serial control interface allows for connection to a wide variety of host controllers, in addition to support for daisy-chaining of multiple PGA2311 devices.

The PGA2311 device is a high-performance, stereo audio volume control designed for professional and high-end consumer audio systems. The PGA2311 uses an internal high-performance operational amplifier to yield low noise and distortion. The PGA2311 also provides the capability to drive 660-Ω loads directly without buffering. The 3-wire serial control interface allows for connection to a wide variety of host controllers, in addition to support for daisy-chaining of multiple PGA2311 devices.

Subscribe to Welllinkchips !
Your Name
* Email
Submit a request