0
TPS25944L
  • TPS25944L
  • TPS25944L

TPS25944L

ACTIVE

2.7-V to 18-V, 42mΩ, 0.6-5.2A eFuse with reverse current blocking

Texas Instruments TPS25944L Product Info

1 April 2026 0

Parameters

Vabsmax_cont (V)

20

Vin (max) (V)

18

Vin (min) (V)

2.7

Current limit (max) (A)

5.2

Current limit (min) (A)

0.6

Features

Adjustable current limit, Adjustable soft start, Current monitoring, Fault output, Overcurrent protection, Overvoltage protection, Power good signal, Reverse current blocking always, Short-circuit protection

UL recognition

UL2367, UL60950

Overcurrent response

Circuit breaker

Fault response

Latch-off

Ron (typ) (mΩ)

42

Overvoltage response

Cut-off

Rating

Catalog

Soft start

Adjustable

Quiescent current (Iq) (typ) (A)

0.000199

Quiescent current (Iq) (max) (A)

0.00026

Device type

eFuses and hot swap controllers

Operating temperature range (°C)

-40 to 85

Package

WQFN (RVC)-20-12 mm² 4 x 3

Features

  • 2.7 V to 18 V Operating Voltage, 20 V (Maximum)
  • 42-mΩ RON (Typical)
  • 0.6 A to 5.3 A Adjustable Current Limit (±8%)
  • IMON Current Indicator Output (±8%)
  • 200-µA Operating IQ (Typical)
  • 15-µA Disabled IQ (Typical)
  • ±2% Overvoltage, Undervoltage Thresholds
  • Reverse Current Blocking
  • 1-µs Reverse Voltage Shutoff
  • Programmable dVo/dt Control
  • Power Good and Fault Outputs
  • Two Overcurrent Fault Response Options
    • TPS25942: I(LIMIT) with Thermal Shutdown
    • TPS25944: 4 ms Fault Timer then Shutoff
  • –40°C to +125°C Junction Temperature Range
  • UL 2367 Recognized
    • File No. 169910
    • RILIM ≥ 20 kΩ (4.81 A Maximum)
  • UL60950 Safe during Single Point Failure
    • Open-Short ILIM detection
  • 2.7 V to 18 V Operating Voltage, 20 V (Maximum)
  • 42-mΩ RON (Typical)
  • 0.6 A to 5.3 A Adjustable Current Limit (±8%)
  • IMON Current Indicator Output (±8%)
  • 200-µA Operating IQ (Typical)
  • 15-µA Disabled IQ (Typical)
  • ±2% Overvoltage, Undervoltage Thresholds
  • Reverse Current Blocking
  • 1-µs Reverse Voltage Shutoff
  • Programmable dVo/dt Control
  • Power Good and Fault Outputs
  • Two Overcurrent Fault Response Options
    • TPS25942: I(LIMIT) with Thermal Shutdown
    • TPS25944: 4 ms Fault Timer then Shutoff
  • –40°C to +125°C Junction Temperature Range
  • UL 2367 Recognized
    • File No. 169910
    • RILIM ≥ 20 kΩ (4.81 A Maximum)
  • UL60950 Safe during Single Point Failure
    • Open-Short ILIM detection

Description

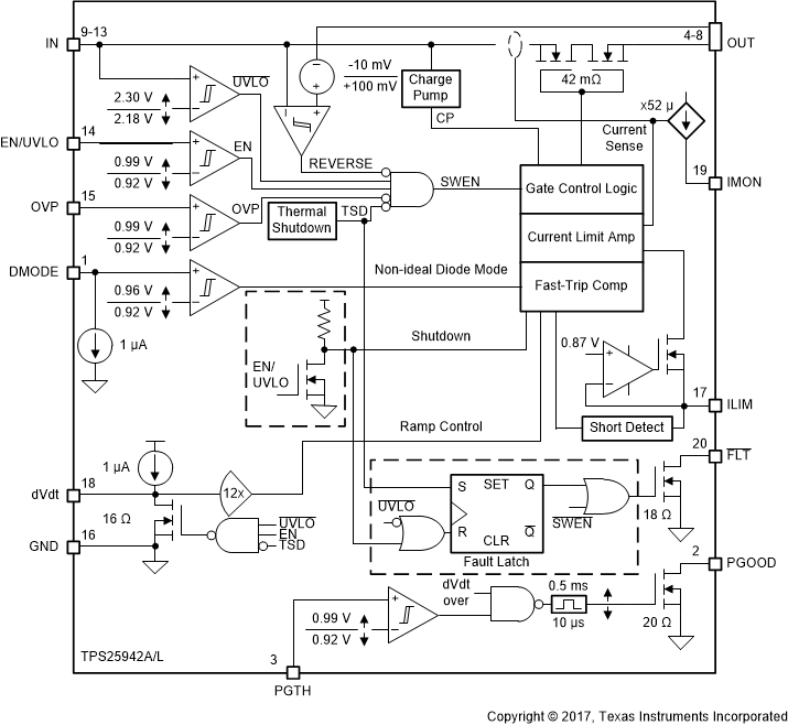
The TPS25942, TPS25944 eFuse Power MUX is a compact, feature rich power management device with a full suite of protection functions. The wide operating range allows control of many popular DC bus voltages. Integrated back-to-back FETs provide bidirectional current control making the device well suited for power muxing and systems with multiple power sources.

Load, source and device protection are provided with many programmable features. Thresholds for undervoltage, overvoltage, overcurrent, dVo/dt ramp rate, power good, and in-rush current protection are all programmable to suit specific system requirements. For system status monitoring and downstream load control, the device provides PGOOD, FLT and precise current monitor output.

The TPS25942, TPS25944 monitor V(IN) and V(OUT) to provide true reverse blocking from output when V(IN) < (V(OUT) – 10 mV). The device can be configured to assign Main/Auxiliary supply priority using the FLT and DMODE pins.

The TPS25942, TPS25944 eFuse Power MUX is a compact, feature rich power management device with a full suite of protection functions. The wide operating range allows control of many popular DC bus voltages. Integrated back-to-back FETs provide bidirectional current control making the device well suited for power muxing and systems with multiple power sources.

Load, source and device protection are provided with many programmable features. Thresholds for undervoltage, overvoltage, overcurrent, dVo/dt ramp rate, power good, and in-rush current protection are all programmable to suit specific system requirements. For system status monitoring and downstream load control, the device provides PGOOD, FLT and precise current monitor output.

The TPS25942, TPS25944 monitor V(IN) and V(OUT) to provide true reverse blocking from output when V(IN) < (V(OUT) – 10 mV). The device can be configured to assign Main/Auxiliary supply priority using the FLT and DMODE pins.

Subscribe to Welllinkchips !
Your Name
* Email
Submit a request