0
ADC32RF52
  • ADC32RF52
  • ADC32RF52
  • ADC32RF52

ADC32RF52

ACTIVE

Dual channel 14-bit 1.5-GSPS ADC high SNR

Texas Instruments ADC32RF52 Product Info

1 April 2026 0

Parameters

Sample rate (max) (Msps)

1500

Resolution (Bits)

14

Number of input channels

2

Interface type

JESD204B

Analog input BW (MHz)

2300

Features

High Dynamic Range, High Performance, Ultra High Speed

Rating

Catalog

Peak-to-peak input voltage range (V)

1.1

Power consumption (typ) (mW)

2500

SNR (dB)

69.2

ENOB (Bits)

10.5

SFDR (dB)

75

Operating temperature range (°C)

-40 to 85

Input buffer

Yes

Package

VQFNP (RTD)-64-81 mm² 9 x 9

Features

  • 14-Bit, dual channel 1.5-GSPS ADC
  • Noise spectral density:
    • NSD = -153 dBFS/Hz (no AVG)
    • NSD = -156 dBFS/Hz (2x AVG)
    • NSD = -159 dBFS/Hz (4x AVG)
  • Single core (non-interleaved) ADC architecture
  • Aperture jitter: 50 fs
  • Low close-in residual phase noise:
    • -133 dBc/Hz at 10 kHz offset
  • Spectral performance (f IN = 900 MHz, -4 dBFS):
    • 2x internal averaging
    • SNR: 66.8 dBFS
    • SFDR HD2,3: 74 dBc
    • SFDR worst spur: 90 dBFS
  • Input fullscale: 1.0/1.1 Vpp (1/1.8 dBm)
  • Code error rate (CER): 10 -15
  • Full power input bandwidth (-3 dB): 1.6 GHz
  • JESD204B serial data interface
    • Maximum lane rate: 13 Gbps
    • Supports subclass 1 deterministic latency
  • Digital down-converters
    • Up to four DDC per ADC channel
    • Complex output: 4x, 16x to 128x decimation
    • 48-bit NCO phase coherent frequency hopping
    • Fast frequency hopping: < 1 us
  • Power consumption: 1.8 W/channel (2x AVG)
  • Power supplies: 1.8 V, 1.2 V
  • 14-Bit, dual channel 1.5-GSPS ADC
  • Noise spectral density:
    • NSD = -153 dBFS/Hz (no AVG)
    • NSD = -156 dBFS/Hz (2x AVG)
    • NSD = -159 dBFS/Hz (4x AVG)
  • Single core (non-interleaved) ADC architecture
  • Aperture jitter: 50 fs
  • Low close-in residual phase noise:
    • -133 dBc/Hz at 10 kHz offset
  • Spectral performance (f IN = 900 MHz, -4 dBFS):
    • 2x internal averaging
    • SNR: 66.8 dBFS
    • SFDR HD2,3: 74 dBc
    • SFDR worst spur: 90 dBFS
  • Input fullscale: 1.0/1.1 Vpp (1/1.8 dBm)
  • Code error rate (CER): 10 -15
  • Full power input bandwidth (-3 dB): 1.6 GHz
  • JESD204B serial data interface
    • Maximum lane rate: 13 Gbps
    • Supports subclass 1 deterministic latency
  • Digital down-converters
    • Up to four DDC per ADC channel
    • Complex output: 4x, 16x to 128x decimation
    • 48-bit NCO phase coherent frequency hopping
    • Fast frequency hopping: < 1 us
  • Power consumption: 1.8 W/channel (2x AVG)
  • Power supplies: 1.8 V, 1.2 V

Description

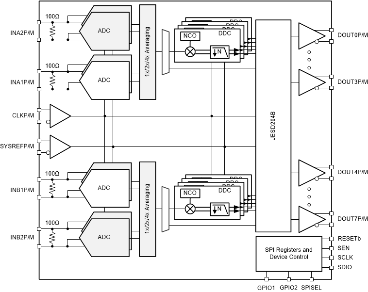
The ADC32RF52 is a single core 14-bit, 1.5 GSPS, dual channel analog to digital converter (ADC) that supports RF sampling with input frequencies up to 2 GHz. The design maximizes signal-to-noise ratio (SNR) and delivers a noise spectral density of -153 dBFS/Hz. Using additional internal ADCs along with on-chip signal averaging, the noise density improves to -156 dBFS/Hz (2x AVG) and -159 dBFS/Hz (4x AVG).

Each ADC channel can be connected to a quad-band digital down-converter (DDC) using a 48-bit NCO which supports phase coherent frequency hopping. Using the GPIO pins for NCO frequency control, frequency hopping can be achieved in less than 1 µs.

The ADC32RF52 supports the JESD204B serial data interface with subclass 1 deterministic latency using data rates up to 13 Gbps.

The power efficient ADC architecture consumes 1.4 W/ch at 1.5 Gsps and provides power scaling with lower sampling rates.

The ADC32RF52 is a single core 14-bit, 1.5 GSPS, dual channel analog to digital converter (ADC) that supports RF sampling with input frequencies up to 2 GHz. The design maximizes signal-to-noise ratio (SNR) and delivers a noise spectral density of -153 dBFS/Hz. Using additional internal ADCs along with on-chip signal averaging, the noise density improves to -156 dBFS/Hz (2x AVG) and -159 dBFS/Hz (4x AVG).

Each ADC channel can be connected to a quad-band digital down-converter (DDC) using a 48-bit NCO which supports phase coherent frequency hopping. Using the GPIO pins for NCO frequency control, frequency hopping can be achieved in less than 1 µs.

The ADC32RF52 supports the JESD204B serial data interface with subclass 1 deterministic latency using data rates up to 13 Gbps.

The power efficient ADC architecture consumes 1.4 W/ch at 1.5 Gsps and provides power scaling with lower sampling rates.

Subscribe to Welllinkchips !
Your Name
* Email
Submit a request