0
TPS25821
  • TPS25821
  • TPS25821

TPS25821

ACTIVE

USB Type-C® source controller and 1.5A power switch

Texas Instruments TPS25821 Product Info

1 April 2026 0

Parameters

Function

Type-C

Type

CC controller

Power role

Source

Rating

Catalog

Internal power path

5 V 1.5 A

Data role

DFP

Alternate mode

No

External power-path control

No

Dead battery support

No

Operating temperature range (°C)

-40 to 125

Package

WSON (DSS)-12-6 mm² 3 x 2

Features

  • USB Type-CTM Rel. 1.3 Compliant Source Controller
  • STD/1.5-A Current Capability Advertisement on CC Lines
  • Connector Attach/Detach Detection
  • Super Speed Polarity Determination
  • VBUS and VCONN (TPS25820) Application and Discharge with Internal Fixed Current Limit
  • 1.0-µA (typ) Operating Current with Nothing Attached to the Type-C Connector
  • 64-mΩ (typ) High-Side OUT MOSFET
  • Meets USB Current-Limiting Requirements
    • 1.7-A OUT Current Limit with ±7% Accuracy
    • Fast Overcurrent Response – 1.5 µs (Typical)
  • CC1 and CC2 ±8-kV Contact and ±15-kV Air Discharge ESD Rating (IEC-61000-4-2)
  • IEC/UL Certificates
    • US-33101-UL: IEC 60950-1:2005;
      AMD1:2009, AMD2:2013
    • US-33102-UL: IEC 62368-1:2014
  • USB Type-CTM Rel. 1.3 Compliant Source Controller
  • STD/1.5-A Current Capability Advertisement on CC Lines
  • Connector Attach/Detach Detection
  • Super Speed Polarity Determination
  • VBUS and VCONN (TPS25820) Application and Discharge with Internal Fixed Current Limit
  • 1.0-µA (typ) Operating Current with Nothing Attached to the Type-C Connector
  • 64-mΩ (typ) High-Side OUT MOSFET
  • Meets USB Current-Limiting Requirements
    • 1.7-A OUT Current Limit with ±7% Accuracy
    • Fast Overcurrent Response – 1.5 µs (Typical)
  • CC1 and CC2 ±8-kV Contact and ±15-kV Air Discharge ESD Rating (IEC-61000-4-2)
  • IEC/UL Certificates
    • US-33101-UL: IEC 60950-1:2005;
      AMD1:2009, AMD2:2013
    • US-33102-UL: IEC 62368-1:2014

Description

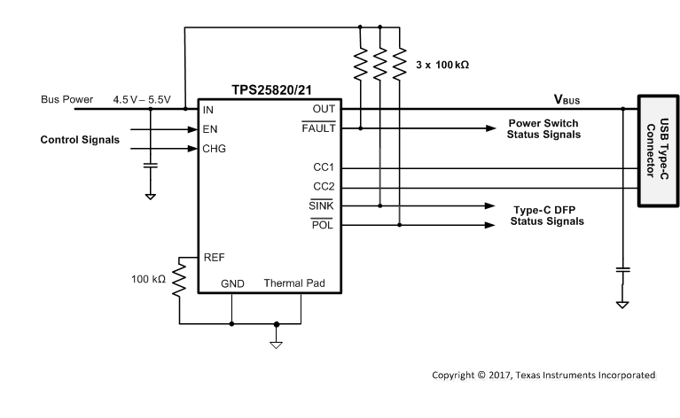
The TPS25820/21 is a USB Type-C source controller with an integrated 1.5 A-rated USB power switch. The TPS25820/21 monitors the Type-C configuration channel (CC) lines to determine when a USB sink is attached. If a sink is attached, the TPS25820/21 applies power to VBUS and communicates the selectable VBUS current sourcing capability to the sink via the pass through CC line. If the sink is attached with an electronically marked cable, the TPS25820 also applies VCONN power to the cable VCONN pin. The TPS25821 does not apply VCONN power and is for functions where VCONN is not needed such as USB 2.0 and data-less charging implementations.

The TPS25820/21 draws 1.0 µA (typ) when nothing is attached. The FAULT output signals when the switch is in an overcurrent or overtemperature condition. The SINK output signals when a sink is attached and the POL output signals the polarity of the cable super-speed lines.

The TPS25820/21 is a USB Type-C source controller with an integrated 1.5 A-rated USB power switch. The TPS25820/21 monitors the Type-C configuration channel (CC) lines to determine when a USB sink is attached. If a sink is attached, the TPS25820/21 applies power to VBUS and communicates the selectable VBUS current sourcing capability to the sink via the pass through CC line. If the sink is attached with an electronically marked cable, the TPS25820 also applies VCONN power to the cable VCONN pin. The TPS25821 does not apply VCONN power and is for functions where VCONN is not needed such as USB 2.0 and data-less charging implementations.

The TPS25820/21 draws 1.0 µA (typ) when nothing is attached. The FAULT output signals when the switch is in an overcurrent or overtemperature condition. The SINK output signals when a sink is attached and the POL output signals the polarity of the cable super-speed lines.

Subscribe to Welllinkchips !
Your Name
* Email
Submit a request