0
TPS2363
  • TPS2363
  • TPS2363
  • TPS2363

TPS2363

ACTIVE

10.8-V to 13.2-V dual channelhot swap controller for PCIExpress

Texas Instruments TPS2363 Product Info

1 April 2026 0

Parameters

Vabsmax_cont (V)

15

Vin (max) (V)

13.2

Vin (min) (V)

10.8

Current limit (min) (A)

0.01

Features

Adjustable current limit, Adjustable soft start, Current monitoring, Fault output, Overcurrent protection, Power good signal, SMbus, Short circuit protection, Thermal shutdown

Overcurrent response

Circuit breaker, Current limiting

Fault response

Latch-off

Rating

Catalog

Soft start

Adjustable

Quiescent current (Iq) (typ) (A)

0.001

Quiescent current (Iq) (max) (A)

0.001

Device type

eFuses and hot swap controllers

Operating temperature range (°C)

-40 to 85

Package

TQFP (PFB)-48-81 mm² 9 x 9

Features

  • Meets PCIExpress Hot Plug Requirements
  • Programmable 12-V Current Limit
  • Inrush Current Limiting
  • SMBus
  • Direct Mode
  • VAUX Internal FET
  • General Purpose Inputs
  • Available in a 48-Pin TQFP Package
  • MIC2592B Pin Compatible with Additional Features
  • Meets PCIExpress Hot Plug Requirements
  • Programmable 12-V Current Limit
  • Inrush Current Limiting
  • SMBus
  • Direct Mode
  • VAUX Internal FET
  • General Purpose Inputs
  • Available in a 48-Pin TQFP Package
  • MIC2592B Pin Compatible with Additional Features

Description

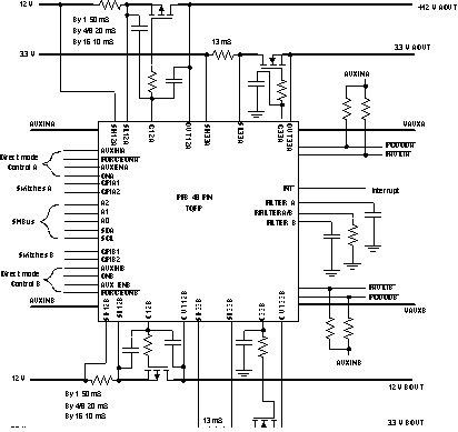
The TPS2363 is a dual-slot PCIExpress hot plug controller with SMBus control and monitoring functions. There are sense resistor programmable current limits for the 3.3-V and 12-V supply.

The TPS2363 has one internal FET channel for AUX and two external FET channels for 3.3-V and 12-V per slot.

The TPS2363PFB is in 48-pin TQFP package.

The TPS2363 has bleed-down circuits to discharge the module before it is removed, when the voltages are below the low comparator threshold, slot PWROFF will be set indicating it is safe to remove the module. This is available over the SMBus.

Gate capacitors are used to set the rise time, this allows soft turn on of the slot avoiding power glitches.

The TPS2363 can be operated in direct mode, which does not use the SMBus.

The TPS2363PFB without the A/D converter in a 48-pin package is a drop in replacement for the competitive parts but with certain improvements.

The TPS2363 is a dual-slot PCIExpress hot plug controller with SMBus control and monitoring functions. There are sense resistor programmable current limits for the 3.3-V and 12-V supply.

The TPS2363 has one internal FET channel for AUX and two external FET channels for 3.3-V and 12-V per slot.

The TPS2363PFB is in 48-pin TQFP package.

The TPS2363 has bleed-down circuits to discharge the module before it is removed, when the voltages are below the low comparator threshold, slot PWROFF will be set indicating it is safe to remove the module. This is available over the SMBus.

Gate capacitors are used to set the rise time, this allows soft turn on of the slot avoiding power glitches.

The TPS2363 can be operated in direct mode, which does not use the SMBus.

The TPS2363PFB without the A/D converter in a 48-pin package is a drop in replacement for the competitive parts but with certain improvements.

Subscribe to Welllinkchips !
Your Name
* Email
Submit a request