0
TPS53689
  • TPS53689
  • TPS53689
  • TPS53689

TPS53689

ACTIVE

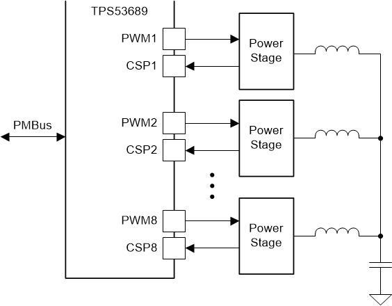
Dual-channel, 8 phase step-down, digital multiphase D-CAP+™ controller with VR14 SVID and PMBus

Texas Instruments TPS53689 Product Info

1 April 2026 1

Parameters

Rating

Catalog

Topology

Multiphase

Iout (max) (A)

765

Vin (max) (V)

17

Vin (min) (V)

4.5

Vout (max) (V)

5.5

Vout (min) (V)

0.25

Control mode

D-CAP+

Features

Adjustable current limit, Dynamic Voltage Scaling, Enable, Frequency synchronization, I2C, Light Load Efficiency, Multiple Outputs, PMBus, Phase Interleaving, Power good, Pre-Bias Start-Up, Remote Sense, SVID, Synchronous Rectification, UVLO adjustable, Voltage Margining

Iq (typ) (A)

0.05

Number of phases

8

Operating temperature range (°C)

-40 to 125

Package

WQFN (RSB)-40-25 mm² 5 x 5

Features

  • Input voltage range: 4.5 V to 17 V
  • Output voltage range: 0.25 V to 5.5 V
  • Dual output supporting N+M phase configurations (N+M ≤ 8, M ≤ 4)
  • Intel VR14 SVID compliant with PSYS support
  • Backward compatible to VR13.HC/VR13.0 SVID
  • Automatic NVM fault status logging
  • Dynamic current limit for improved Fast-Vmode performance
  • Fully compatible with TI NexFET™ power stage for high-density solutions
  • Enhanced D-CAP+ control to provider superior transient performance with excellent dynamic current sharing
  • Dynamic phase shedding with programmable thresholds for optimizing efficiency at light and heavy loads
  • Configurable with non-volatile memory (NVM) for low external component count
  • Accurate, adjustable, adaptive voltage positioning (AVP, load line) support
  • Individual per-phase IMON calibration, with multi-slope gain calibration to increase system accuracy.
  • Fast phase-adding for transient undershoot reduction
  • Diode braking with programmable timeout for reduced transient overshoot
  • Patented AutoBalance™ current sharing
  • Programmable per-phase valley current limit (OCL)
  • PMBus™ v1.3.1 system interface for telemetry of voltage, current, power, temperature, and fault conditions
  • Programmable loop compensation through PMBus
  • Driverless configuration for efficient high- frequency switching
  • 5.00 mm × 5.00 mm, 40-pin, QFN package
  • Input voltage range: 4.5 V to 17 V
  • Output voltage range: 0.25 V to 5.5 V
  • Dual output supporting N+M phase configurations (N+M ≤ 8, M ≤ 4)
  • Intel VR14 SVID compliant with PSYS support
  • Backward compatible to VR13.HC/VR13.0 SVID
  • Automatic NVM fault status logging
  • Dynamic current limit for improved Fast-Vmode performance
  • Fully compatible with TI NexFET™ power stage for high-density solutions
  • Enhanced D-CAP+ control to provider superior transient performance with excellent dynamic current sharing
  • Dynamic phase shedding with programmable thresholds for optimizing efficiency at light and heavy loads
  • Configurable with non-volatile memory (NVM) for low external component count
  • Accurate, adjustable, adaptive voltage positioning (AVP, load line) support
  • Individual per-phase IMON calibration, with multi-slope gain calibration to increase system accuracy.
  • Fast phase-adding for transient undershoot reduction
  • Diode braking with programmable timeout for reduced transient overshoot
  • Patented AutoBalance™ current sharing
  • Programmable per-phase valley current limit (OCL)
  • PMBus™ v1.3.1 system interface for telemetry of voltage, current, power, temperature, and fault conditions
  • Programmable loop compensation through PMBus
  • Driverless configuration for efficient high- frequency switching
  • 5.00 mm × 5.00 mm, 40-pin, QFN package

Description

The TPS53689 is a VR14 SVID compliant step down controller with two channels, built-in non-volatile memory (NVM), and PMBus™ interface, and is fully compatible with TI NexFET™ power stages. Advanced control features such as the D-CAP+ architecture with undershoot reduction (USR) and overshoot reduction (OSR) provide fast transient response, low output capacitance, and good dynamic current sharing. The device also provides novel phase interleaving strategy and dynamic phase shedding for efficiency improvement at different loads. Adjustable control of output voltage slew rate and adaptive voltage positioning are natively supported. In addition, the device supports the PMBus communication interface for reporting the telemetry of voltage, current, power, temperature, and fault conditions to the host system. All programmable parameters can be configured through the PMBus interface and can be stored in NVM as the new default values, to minimize the external component count.

The TPS53689 device is offered in a thermally enhanced 40-pin QFN packaged and is rated to operate from –40°C to 125°C.

The TPS53689 is a VR14 SVID compliant step down controller with two channels, built-in non-volatile memory (NVM), and PMBus™ interface, and is fully compatible with TI NexFET™ power stages. Advanced control features such as the D-CAP+ architecture with undershoot reduction (USR) and overshoot reduction (OSR) provide fast transient response, low output capacitance, and good dynamic current sharing. The device also provides novel phase interleaving strategy and dynamic phase shedding for efficiency improvement at different loads. Adjustable control of output voltage slew rate and adaptive voltage positioning are natively supported. In addition, the device supports the PMBus communication interface for reporting the telemetry of voltage, current, power, temperature, and fault conditions to the host system. All programmable parameters can be configured through the PMBus interface and can be stored in NVM as the new default values, to minimize the external component count.

The TPS53689 device is offered in a thermally enhanced 40-pin QFN packaged and is rated to operate from –40°C to 125°C.

Subscribe to Welllinkchips !
Your Name
* Email
Submit a request