0
TPS2061
  • TPS2061
  • TPS2061
  • TPS2061
  • TPS2061
  • TPS2061
  • TPS2061
  • TPS2061
  • TPS2061

TPS2061

ACTIVE

1A loading, 2.7-5.5V, 70mΩ USB power switch, active-low

Texas Instruments TPS2061 Product Info

1 April 2026 0

Parameters

Product type

Fixed current limit, Power switch

Rating

Catalog

Continuous current (max) (A)

1

Current limit (A)

1.5

Number of switches

1

Enable

Active Low

Vin (max) (V)

5.5

Vin (min) (V)

2.7

Operating temperature range (°C)

-40 to 125

Current limit accuracy at 1 A

0.27

Package

HVSSOP (DGN)-8-14.7 mm² 3 x 4.9

Features

  • 70mΩ high-side MOSFET
  • 1A continuous current
  • Thermal and short-circuit protection
  • Accurate current limit (1.1A min, 1.9A max)
  • Operating range: 2.7V to 5.5V
  • 0.6ms typical rise time
  • Undervoltage lockout
  • Deglitched fault report ( OC)
  • No OC Glitch during power up
  • 1µA maximum standby supply current
  • Bidirectional switch
  • Ambient temperature range: -40°C to 85°C
  • Built-in soft-start
  • UL listed - file no. E169910
  • 70mΩ high-side MOSFET
  • 1A continuous current
  • Thermal and short-circuit protection
  • Accurate current limit (1.1A min, 1.9A max)
  • Operating range: 2.7V to 5.5V
  • 0.6ms typical rise time
  • Undervoltage lockout
  • Deglitched fault report ( OC)
  • No OC Glitch during power up
  • 1µA maximum standby supply current
  • Bidirectional switch
  • Ambient temperature range: -40°C to 85°C
  • Built-in soft-start
  • UL listed - file no. E169910

Description

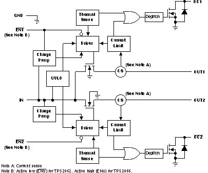
The TPS206x power-distribution switches are intended for applications where heavy capacitive loads and short-circuits are likely to be encountered. This device incorporates 70mΩ N-channel MOSFET power switches for power-distribution systems that require multiple power switches in a single package. Each switch is controlled by a logic enable input. Gate drive is provided by an internal charge pump designed to control the power-switch rise times and fall times to minimize current surges during switching. The charge pump requires no external components and allows operation from supplies as low as 2.7V.

The TPS206x power-distribution switches are intended for applications where heavy capacitive loads and short-circuits are likely to be encountered. This device incorporates 70mΩ N-channel MOSFET power switches for power-distribution systems that require multiple power switches in a single package. Each switch is controlled by a logic enable input. Gate drive is provided by an internal charge pump designed to control the power-switch rise times and fall times to minimize current surges during switching. The charge pump requires no external components and allows operation from supplies as low as 2.7V.

Subscribe to Welllinkchips !
Your Name
* Email
Submit a request