0
THVD2429
  • THVD2429
  • THVD2429
  • THVD2429
  • THVD2429
  • THVD2429

THVD2429

ACTIVE

3V-to-5.5V 20Mbps RS-485 transceiver with up to 3kV IEC surge and ±42V fault protection

Texas Instruments THVD2429 Product Info

1 April 2026 0

Parameters

Number of receivers

1

Number of transmitters

1

Duplex

Half

Supply voltage (nom) (V)

3.3, 5

Signaling rate (max) (Mbps)

20

IEC 61000-4-2 contact (±V)

8000

Fault protection (V)

-42 to 42

Common-mode range (V)

-25 to 25

Number of nodes

256

Features

Extended common mode, IEC ESD protection, Surge protection

Isolated

No

Supply current (max) (µA)

5000

Rating

Catalog

Operating temperature range (°C)

-40 to 125

Package

SOIC (D)-8-29.4 mm² 4.9 x 6

Features

  • Meets or exceeds the requirements of the TIA/EIA-485A standard
  • 3V to 5.5V Supply Voltage
  • Industry’s smallest surge-integrated RS-485 device in 9mm2 package
  • VIO Support from 1.65V to VCC supply level
  • Bus I/O protection
    • ± 3kV/42Ω IEC 61000-4-5 1.2/50µs surge (SOIC)
    • ± 1.5kV/42Ω IEC 61000-4-5 1.2/50µs surge (VSON)
    • ± 8kV IEC 61000-4-2 Contact discharge
    • ± 4kV IEC 61000-4-4 Electrical fast transient
    • ± 15kV HBM ESD
    • ± 42V DC bus fault
  • Available in two speed grades
    • THVD2419: 250kbps
    • THVD2429: 20Mbps
  • Extended ambient temperature range: -40°C to 125°C
  • Extended operational common-mode range: ± 25V
  • Large receiver hysteresis for noise rejection
  • Low power consumption in shutdown mode: < 5µA
  • Glitch-free power-up and down for hot plug-in capability
  • Open, short, and idle bus failsafe
  • 1/8 Unit load (up to 256 bus nodes)
  • Industry standard 8-pin SOIC for drop-in compatibility
  • Small surge-integrated RS-485 device in 3mm x 3mm leadless (VSON) package
  • Meets or exceeds the requirements of the TIA/EIA-485A standard
  • 3V to 5.5V Supply Voltage
  • Industry’s smallest surge-integrated RS-485 device in 9mm2 package
  • VIO Support from 1.65V to VCC supply level
  • Bus I/O protection
    • ± 3kV/42Ω IEC 61000-4-5 1.2/50µs surge (SOIC)
    • ± 1.5kV/42Ω IEC 61000-4-5 1.2/50µs surge (VSON)
    • ± 8kV IEC 61000-4-2 Contact discharge
    • ± 4kV IEC 61000-4-4 Electrical fast transient
    • ± 15kV HBM ESD
    • ± 42V DC bus fault
  • Available in two speed grades
    • THVD2419: 250kbps
    • THVD2429: 20Mbps
  • Extended ambient temperature range: -40°C to 125°C
  • Extended operational common-mode range: ± 25V
  • Large receiver hysteresis for noise rejection
  • Low power consumption in shutdown mode: < 5µA
  • Glitch-free power-up and down for hot plug-in capability
  • Open, short, and idle bus failsafe
  • 1/8 Unit load (up to 256 bus nodes)
  • Industry standard 8-pin SOIC for drop-in compatibility
  • Small surge-integrated RS-485 device in 3mm x 3mm leadless (VSON) package

Description

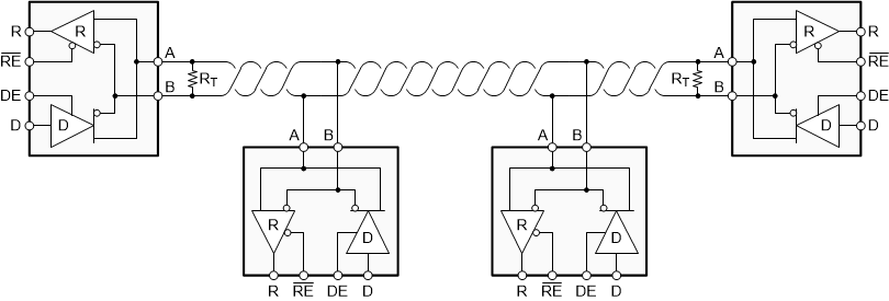
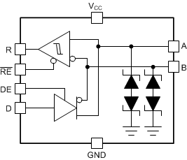
THVD24x9 devices are half-duplex RS-485 transceivers with integrated surge protection. Surge protection is achieved by integrating transient voltage suppressor (TVS) diodes in the standard 8-pin SOIC (D) package as well as small 10-pin VSON package. This feature increases the reliability by providing better immunity to noise transients coupled to the data cable which eliminates the need for external protection components.

THVD24x9 devices in the standard pin-out SOIC package operate from a single 3.3V or 5V supply. In addition, THVD24x9 devices in 10-pin VSON package support an additional VIO supply to operate the IOs from as low as 1.65V supply level. The devices in this family feature a wide common-mode voltage range making them suitable for multi-point applications over long cable runs.

THVD24x9 devices are half-duplex RS-485 transceivers with integrated surge protection. Surge protection is achieved by integrating transient voltage suppressor (TVS) diodes in the standard 8-pin SOIC (D) package as well as small 10-pin VSON package. This feature increases the reliability by providing better immunity to noise transients coupled to the data cable which eliminates the need for external protection components.

THVD24x9 devices in the standard pin-out SOIC package operate from a single 3.3V or 5V supply. In addition, THVD24x9 devices in 10-pin VSON package support an additional VIO supply to operate the IOs from as low as 1.65V supply level. The devices in this family feature a wide common-mode voltage range making them suitable for multi-point applications over long cable runs.

Subscribe to Welllinkchips !
Your Name
* Email
Submit a request