0
TPA3136AD2
  • TPA3136AD2
  • TPA3136AD2

TPA3136AD2

ACTIVE

10-W stereo, 20-W mono, 8- to 14.4-V , analog in Class-D audio amplifier w/ inductor free & low EMI

Texas Instruments TPA3136AD2 Product Info

1 April 2026 0

Parameters

Audio input type

Analog Input

Architecture

Class-D

Speaker channels (max)

Stereo

Control interface

Hardware

Output power (W)

10

Power stage supply (max) (V)

14.4

Power stage supply (min) (V)

8

RDS(on) (Ω)

0.24

THD + N at 1 kHz (%)

0.06

Load (min) (Ω)

4

Analog supply voltage (min) (V)

8

Analog supply voltage (max) (V)

14.4

Rating

Catalog

Operating temperature range (°C)

-40 to 125

Package

HTSSOP (PWP)-28-62.08 mm² 9.7 x 6.4

Features

  • 2 × 10 W/ch into 6-Ω loads at 10% THD+N from a 12-V supply
  • 2 × 10 W/ch into 8-Ω loads at 10% THD+N from a 13-V supply
  • Up to 90% Efficient class-D operation (8 Ω) eliminates need for heat sinks
  • <0.05% THD+N at 1 W/4 Ω/1 kHz
  • Wide supply voltage range allows operation from 4.5 V (8 V for TPA3136AD2) to 14.4 V
  • Inductor-free operation
  • Enhanced EMI performance with spread spectrum
  • SpeakerGuard™ speaker protection includes power limiter and DC protection
  • Robust pin-to-pin, pin-to-ground, and pin-to-power short circuit protection and thermal protection
  • 26-dB Fixed gain
  • Single-ended or differential analog inputs
  • Click and pop free startup
  • 2 × 10 W/ch into 6-Ω loads at 10% THD+N from a 12-V supply
  • 2 × 10 W/ch into 8-Ω loads at 10% THD+N from a 13-V supply
  • Up to 90% Efficient class-D operation (8 Ω) eliminates need for heat sinks
  • <0.05% THD+N at 1 W/4 Ω/1 kHz
  • Wide supply voltage range allows operation from 4.5 V (8 V for TPA3136AD2) to 14.4 V
  • Inductor-free operation
  • Enhanced EMI performance with spread spectrum
  • SpeakerGuard™ speaker protection includes power limiter and DC protection
  • Robust pin-to-pin, pin-to-ground, and pin-to-power short circuit protection and thermal protection
  • 26-dB Fixed gain
  • Single-ended or differential analog inputs
  • Click and pop free startup

Description

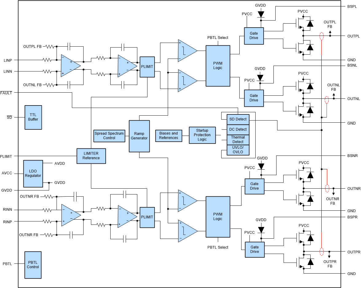
The TPA3136D2, TPA3136AD2 device an efficient, Class-D audio power amplifier for driving bridged-tied stereo speakers at up to 10 W, 6 Ω, or 8 Ω (per channel).

Advanced EMI Suppression Technology with Spread Spectrum Control scheme enables the use of inexpensive ferrite bead filters at the outputs while meeting EMC requirements for system cost reduction. The TPA3136D2, TPA3136AD2 device is not only fully protected against shorts and overload, the SpeakerGuard™ speaker protection circuitry includes a power limiter and a DC detection circuit for protection of the connected speakers. The DC detect and Pin-to-Pin, Pin-to-Ground, and Pin-to-Power Short Circuit protection circuit protect the speakers from output DC and pin shorts caused in production. The outputs are also fully protected against shorts to GND, PVCC, and output-to-output. The short-circuit protection and thermal protection includes an auto recovery feature.

The TPA3136D2, TPA3136AD2 device can drive stereo speakers with as low as 4-Ω impedance. The high efficiency of the TPA3136D2, TPA3136AD2, 90% with an 8-Ω load, eliminates the need for an external heat sink, and TPA3136D2, TPA3136AD2 will be able to output full power on a 2-layer PCB.

The TPA3136D2, TPA3136AD2 device an efficient, Class-D audio power amplifier for driving bridged-tied stereo speakers at up to 10 W, 6 Ω, or 8 Ω (per channel).

Advanced EMI Suppression Technology with Spread Spectrum Control scheme enables the use of inexpensive ferrite bead filters at the outputs while meeting EMC requirements for system cost reduction. The TPA3136D2, TPA3136AD2 device is not only fully protected against shorts and overload, the SpeakerGuard™ speaker protection circuitry includes a power limiter and a DC detection circuit for protection of the connected speakers. The DC detect and Pin-to-Pin, Pin-to-Ground, and Pin-to-Power Short Circuit protection circuit protect the speakers from output DC and pin shorts caused in production. The outputs are also fully protected against shorts to GND, PVCC, and output-to-output. The short-circuit protection and thermal protection includes an auto recovery feature.

The TPA3136D2, TPA3136AD2 device can drive stereo speakers with as low as 4-Ω impedance. The high efficiency of the TPA3136D2, TPA3136AD2, 90% with an 8-Ω load, eliminates the need for an external heat sink, and TPA3136D2, TPA3136AD2 will be able to output full power on a 2-layer PCB.

Subscribe to Welllinkchips !
Your Name
* Email
Submit a request