0
LM2770
  • LM2770
  • LM2770
  • LM2770
  • LM2770

LM2770

ACTIVE

High Efficiency Switched Capacitor Step-Down DC/DC Regulator with Sleep Mode

Texas Instruments LM2770 Product Info

1 April 2026 1

Parameters

Rating

Catalog

Iout (max) (A)

0.25

Vin (max) (V)

5.5

Vin (min) (V)

2.7

Vout (max) (V)

1.575

Vout (min) (V)

1.2

Features

Dynamic voltage scaling, Regulated

Operating temperature range (°C)

-30 to 105

Iq (typ) (A)

0.000055

Package

WSON (DSC)-10-9 mm² 3 x 3

Features

  • High Efficiency Multi-Gain Architecture: Peak Power Efficiency >85%
  • Output Voltage Pairs: 1.2V/1.5V and 1.2V/1.575V
  • Dynamic Output Voltage Selection
  • ±3% Output Voltage Accuracy
  • Output Currents up to 250mA
  • 2.7V to 5.5V Input Range
  • Low-Supply-Current Sleep Mode
  • 55µA Quiescent Supply Current in Full-Power Mode
  • Soft-Start
  • Short-Circuit Protection in Full-Power Mode
  • Current-Limit Protection in Sleep Mode
  • WSON-10 Package (3mm × 3mm × 0.8mm)

All trademarks are the property of their respective owners.

  • High Efficiency Multi-Gain Architecture: Peak Power Efficiency >85%
  • Output Voltage Pairs: 1.2V/1.5V and 1.2V/1.575V
  • Dynamic Output Voltage Selection
  • ±3% Output Voltage Accuracy
  • Output Currents up to 250mA
  • 2.7V to 5.5V Input Range
  • Low-Supply-Current Sleep Mode
  • 55µA Quiescent Supply Current in Full-Power Mode
  • Soft-Start
  • Short-Circuit Protection in Full-Power Mode
  • Current-Limit Protection in Sleep Mode
  • WSON-10 Package (3mm × 3mm × 0.8mm)

All trademarks are the property of their respective owners.

Description

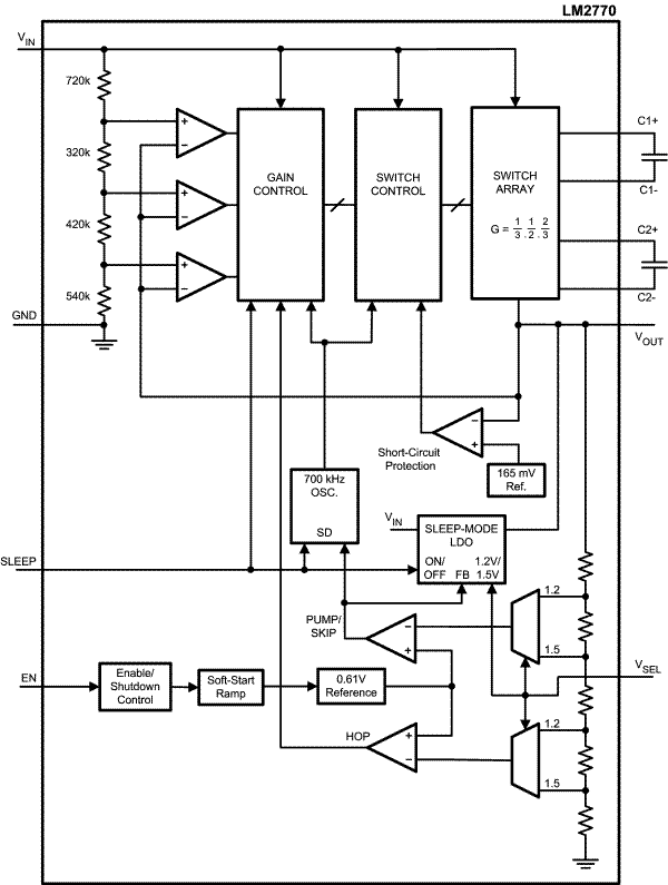
The LM2770 is a switched capacitor step-down regulator that is ideal for powering low-voltage applications in portable systems. The LM2770 can supply load currents up to 250mA and operates over an input voltage range of 2.7V to 5.5V. This makes the LM2770 a great choice for systems powered by 1-cell Li-Ion batteries and chargers. The output voltage of the LM2770 can be dynamically switched between two output levels with a logic input pin. Output voltage pairs currently available include 1.2V/1.5V and 1.2V/1.575V. Other pairs of voltage options can be developed upon request.

LM2770 efficiency is superior to both fixed-gain switched capacitor buck regulators and low-dropout linear regulators (LDO's). Multiple fractional gains maximize power efficiency over the entire input voltage and output current ranges. The LM2770 can also be switched into a low-power sleep mode when load currents are light (≤ 20mA). In sleep mode, the charge pump is off, and the output is driven with a low-noise, low-power linear regulator.

Soft-start, short-circuit protection, current-limit protection, and thermal-shutdown protection are also included. The LM2770 is available in TI’s small 10-pin Leadless Leadframe Package (WSON-10).

The LM2770 is a switched capacitor step-down regulator that is ideal for powering low-voltage applications in portable systems. The LM2770 can supply load currents up to 250mA and operates over an input voltage range of 2.7V to 5.5V. This makes the LM2770 a great choice for systems powered by 1-cell Li-Ion batteries and chargers. The output voltage of the LM2770 can be dynamically switched between two output levels with a logic input pin. Output voltage pairs currently available include 1.2V/1.5V and 1.2V/1.575V. Other pairs of voltage options can be developed upon request.

LM2770 efficiency is superior to both fixed-gain switched capacitor buck regulators and low-dropout linear regulators (LDO's). Multiple fractional gains maximize power efficiency over the entire input voltage and output current ranges. The LM2770 can also be switched into a low-power sleep mode when load currents are light (≤ 20mA). In sleep mode, the charge pump is off, and the output is driven with a low-noise, low-power linear regulator.

Soft-start, short-circuit protection, current-limit protection, and thermal-shutdown protection are also included. The LM2770 is available in TI’s small 10-pin Leadless Leadframe Package (WSON-10).

Subscribe to Welllinkchips !
Your Name
* Email
Submit a request