0
TMAG5124
  • TMAG5124
  • TMAG5124
  • TMAG5124

TMAG5124

ACTIVE

Two-wire (current output), high-voltage (up to 38 V), high-precision switch for remote sensing

Texas Instruments TMAG5124 Product Info

1 April 2026 0

Parameters

Type

Unipolar switch

Operate point (typ) (mT)

4, 6, 10, 15

Operate point (max) (mT)

5, 7, 11, 16.1

Release point (min) (mT)

1, 3, 6.8, 11.4

Supply current (µA)

3500, 6000

Bandwidth (kHz)

40

Supply voltage (min) (V)

2.5

Supply voltage (max) (V)

38

Rating

Catalog

Operating temperature range (°C)

-40 to 125

Output

Current

Package

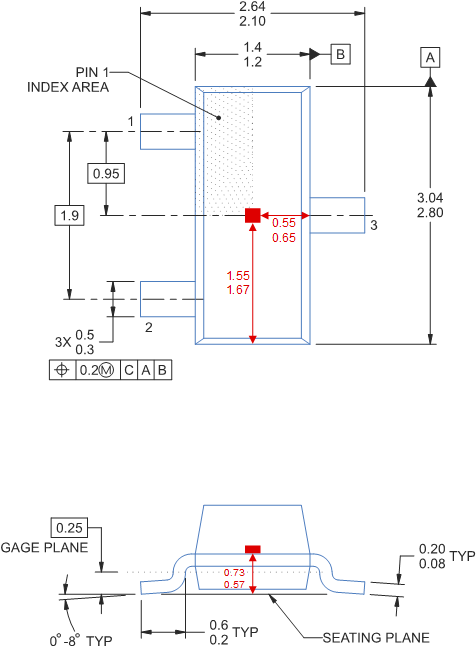
SOT-23 (DBZ)-3-6.9204 mm² 2.92 x 2.37

Features

  • Hall effect switch with 2-wire interface
  • Low-level current output options:
    • TMAG5124A/B/C/D: 3.5 mA
    • TMAG5124E/F/G/H: 6 mA
  • Magnetic sensitivity:
    • TMAG5124A/E: 4 mT (typical)
    • TMAG5124B/F: 6 mT (typical)
    • TMAG5124C/G: 10 mT (typical)
    • TMAG5124D/H: 15 mT (typical)
  • Fast sensing bandwidth: 40 kHz
  • Supports wide voltage range
    • Operating V CC range: 2.5 V to 38 V
    • No external regulator required
  • Wide operating temperature range
    • Ambient operating temperature range: –40 °C to +125 °C
  • Protection features:
    • Supports load dump up to 40 V
    • Reverse polarity protection
  • SOT-23 package option
  • Hall effect switch with 2-wire interface
  • Low-level current output options:
    • TMAG5124A/B/C/D: 3.5 mA
    • TMAG5124E/F/G/H: 6 mA
  • Magnetic sensitivity:
    • TMAG5124A/E: 4 mT (typical)
    • TMAG5124B/F: 6 mT (typical)
    • TMAG5124C/G: 10 mT (typical)
    • TMAG5124D/H: 15 mT (typical)
  • Fast sensing bandwidth: 40 kHz
  • Supports wide voltage range
    • Operating V CC range: 2.5 V to 38 V
    • No external regulator required
  • Wide operating temperature range
    • Ambient operating temperature range: –40 °C to +125 °C
  • Protection features:
    • Supports load dump up to 40 V
    • Reverse polarity protection
  • SOT-23 package option

Description

The TMAG5124 device is a high-precision Hall effect sensor that offers a 2-wire interface designed for industrial designs.

The TMAG5124 integrates a current source that switches between two levels depending on the value of the magnetic field applied to the part. While the high value is fixed, the low value can be selected from two ranges. This type of interface enables robust communication between sensor and controller, allow long distance transmissions, helps detect disconnections, and limits the number of wires to two.

The device is available in a 3-pin SOT-23 package. While 3 pins are available on the package, the device only requires the VCC and GND pin to operate. The current can be measured from either of those 2 pins, creating either a high-side or low-side configuration.

Different product variants enable selection of different levels of magnetic sensitivity to match application specific requirements.

The wide operating voltage range and reverse polarity protection of the TMAG5124 is designed for a variety of industrial applications.

The TMAG5124 device is a high-precision Hall effect sensor that offers a 2-wire interface designed for industrial designs.

The TMAG5124 integrates a current source that switches between two levels depending on the value of the magnetic field applied to the part. While the high value is fixed, the low value can be selected from two ranges. This type of interface enables robust communication between sensor and controller, allow long distance transmissions, helps detect disconnections, and limits the number of wires to two.

The device is available in a 3-pin SOT-23 package. While 3 pins are available on the package, the device only requires the VCC and GND pin to operate. The current can be measured from either of those 2 pins, creating either a high-side or low-side configuration.

Different product variants enable selection of different levels of magnetic sensitivity to match application specific requirements.

The wide operating voltage range and reverse polarity protection of the TMAG5124 is designed for a variety of industrial applications.

Subscribe to Welllinkchips !
Your Name
* Email
Submit a request