0
TLV320AIC3105
  • TLV320AIC3105
  • TLV320AIC3105

TLV320AIC3105

ACTIVE

Low-Power Stereo CODEC with 6 Inputs, 6 Outputs, HP Amp and Enhanced Digital Effects

Texas Instruments TLV320AIC3105 Product Info

1 April 2026 1

Parameters

Number of ADC channels

2

Number of DAC channels

2

Digital audio interface

DSP, I2S, L, R, TDM

Control interface

I2C

Analog inputs

6

Analog outputs

6

Features

Matrix mixing, Notch filter, Phase-locked loop (PLL), Stereo headphone amplifier

Sampling rate (max) (kHz)

96

Rating

Catalog

ADC SNR (typ) (dB)

92

DAC SNR (typ) (dB)

102

Operating temperature range (°C)

-40 to 85

Package

VQFN (RHB)-32-25 mm² 5 x 5

Features

  • Stereo Audio DAC
    • 102-dBA Signal-to-Noise Ratio
    • 16/20/24/32-Bit Data
    • Supports Rates From 8 kHz to 96 kHz
    • 3D/Bass/Treble/EQ/De-Emphasis Effects
    • Flexible Power Saving Modes and Performance
      are Available
  • Stereo Audio ADC
    • 92-dBA Signal-to-Noise Ratio
    • Supports Rates From 8 kHz to 96 kHz
    • Digital Signal Processing and Noise Filtering
      Available During Record
  • Six Audio Input Pins
    • Six Stereo Single-Ended Inputs
  • Six Audio Output Drivers
    • Stereo Fully Differential or Single-Ended
      Headphone Drivers
    • Fully Differential Stereo Line Outputs
  • Low Power: 14-mW Stereo 48-kHz Playback With
    3.3-V Analog Supply
  • Ultralow-Power Mode with Passive Analog Bypass
  • Programmable Input/Output Analog Gains
  • Automatic Gain Control (AGC) for Record
  • Programmable Microphone Bias Level
  • Programmable PLL for Flexible Clock Generation
  • I2C Control Bus
  • Audio Serial Data Bus Supports I2S,
    Left/Right-Justified, DSP, and TDM Modes
  • Extensive Modular Power Control
  • Power Supplies:
    • Analog: 2.7 V–3.6 V.
    • Digital Core: 1.525 V–1.95 V
    • Digital I/O: 1.1 V–3.6 V
  • Package: 5-mm × 5-mm 32-Pin VQFN
  • Stereo Audio DAC
    • 102-dBA Signal-to-Noise Ratio
    • 16/20/24/32-Bit Data
    • Supports Rates From 8 kHz to 96 kHz
    • 3D/Bass/Treble/EQ/De-Emphasis Effects
    • Flexible Power Saving Modes and Performance
      are Available
  • Stereo Audio ADC
    • 92-dBA Signal-to-Noise Ratio
    • Supports Rates From 8 kHz to 96 kHz
    • Digital Signal Processing and Noise Filtering
      Available During Record
  • Six Audio Input Pins
    • Six Stereo Single-Ended Inputs
  • Six Audio Output Drivers
    • Stereo Fully Differential or Single-Ended
      Headphone Drivers
    • Fully Differential Stereo Line Outputs
  • Low Power: 14-mW Stereo 48-kHz Playback With
    3.3-V Analog Supply
  • Ultralow-Power Mode with Passive Analog Bypass
  • Programmable Input/Output Analog Gains
  • Automatic Gain Control (AGC) for Record
  • Programmable Microphone Bias Level
  • Programmable PLL for Flexible Clock Generation
  • I2C Control Bus
  • Audio Serial Data Bus Supports I2S,
    Left/Right-Justified, DSP, and TDM Modes
  • Extensive Modular Power Control
  • Power Supplies:
    • Analog: 2.7 V–3.6 V.
    • Digital Core: 1.525 V–1.95 V
    • Digital I/O: 1.1 V–3.6 V
  • Package: 5-mm × 5-mm 32-Pin VQFN

Description

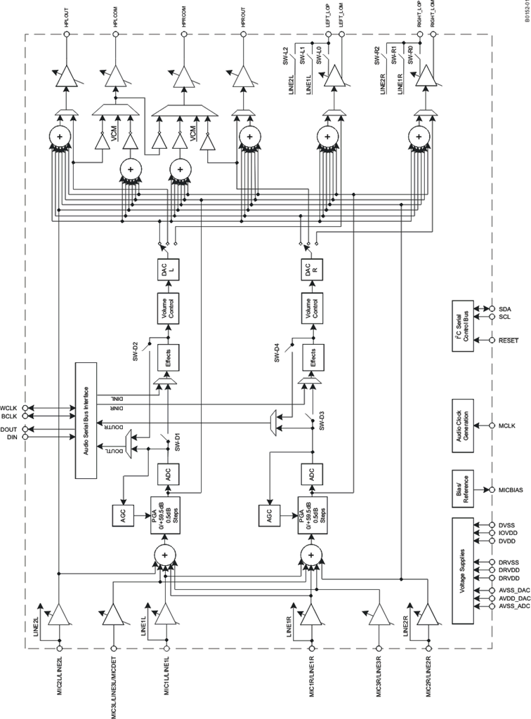
The TLV320AIC3105 is a low-power stereo audio codec with multiple single-ended inputs and a stereo headphone amplifier. The output stages are programmable in single-ended or fully differential configurations. Extensive register-based power control is included, enabling stereo 48-kHz DAC playback as low as 14 mW from a 3.3-V analog supply, making it ideal for portable battery-powered audio and telephony applications.

The record path of the TLV320AIC3105 contains integrated microphone bias, digitally controlled stereo microphone preamplifier, and automatic gain control (AGC), with mix/mux capability among the multiple analog inputs. Programmable filters are available during record which can remove audible noise that can occur during optical zooming in digital cameras. The playback path includes mix/mux capability from the stereo DAC and selected inputs, through programmable volume controls, to the various outputs.

The TLV320AIC3105 contains four high-power output drivers as well as two fully differential output drivers. The high-power output drivers are capable of driving a variety of load configurations, including up to four channels of single-ended 16-Ω headphones using ac-coupling capacitors, or stereo 16-Ω headphones in a capacitorless output configuration.

The stereo audio DAC supports sampling rates from 8 kHz to 96 kHz and includes programmable digital filtering in the DAC path for 3D, bass, treble, midrange effects, speaker equalization, and de-emphasis for 32-kHz, 44.1-kHz, and 48-kHz rates. The stereo audio ADC supports sampling rates from 8 kHz to 96 kHz and is preceded by programmable gain amplifiers or AGC that can provide up to 59.5-dB analog gain for low-level microphone inputs. The TLV320AIC3105 provides an extremely high range of programmability for both attack (8–1,408 ms) and for decay (0.05–22.4 seconds). This extended AGC range allows the AGC to be tuned for many types of applications.

For battery saving applications where neither analog nor digital signal processing are required, the device can be put in a special analog signal passthrough mode. This mode significantly reduces power consumption, as most of the device is powered down during this passthrough operation.

The serial control bus supports the I2C protocol, while the serial audio data bus is programmable for I2S, left/right-justified, DSP, or TDM modes. A highly programmable PLL is included for flexible clock generation and support for all standard audio rates from a wide range of available MCLKs, varying from 512 kHz to 50 MHz, with special attention paid to the most popular cases of 12-MHz, 13-MHz, 16-MHz, 19.2-MHz, and 19.68-MHz system clocks.

The TLV320AIC3105 operates from an analog supply of 2.7 V–3.6 V, a digital core supply of 1.525 V–1.95 V, and a digital I/O supply of 1.1 V–3.6 V. The device is available in a 5-mm × 5-mm 32-pin QFN package.

The TLV320AIC3105 is a low-power stereo audio codec with multiple single-ended inputs and a stereo headphone amplifier. The output stages are programmable in single-ended or fully differential configurations. Extensive register-based power control is included, enabling stereo 48-kHz DAC playback as low as 14 mW from a 3.3-V analog supply, making it ideal for portable battery-powered audio and telephony applications.

The record path of the TLV320AIC3105 contains integrated microphone bias, digitally controlled stereo microphone preamplifier, and automatic gain control (AGC), with mix/mux capability among the multiple analog inputs. Programmable filters are available during record which can remove audible noise that can occur during optical zooming in digital cameras. The playback path includes mix/mux capability from the stereo DAC and selected inputs, through programmable volume controls, to the various outputs.

The TLV320AIC3105 contains four high-power output drivers as well as two fully differential output drivers. The high-power output drivers are capable of driving a variety of load configurations, including up to four channels of single-ended 16-Ω headphones using ac-coupling capacitors, or stereo 16-Ω headphones in a capacitorless output configuration.

The stereo audio DAC supports sampling rates from 8 kHz to 96 kHz and includes programmable digital filtering in the DAC path for 3D, bass, treble, midrange effects, speaker equalization, and de-emphasis for 32-kHz, 44.1-kHz, and 48-kHz rates. The stereo audio ADC supports sampling rates from 8 kHz to 96 kHz and is preceded by programmable gain amplifiers or AGC that can provide up to 59.5-dB analog gain for low-level microphone inputs. The TLV320AIC3105 provides an extremely high range of programmability for both attack (8–1,408 ms) and for decay (0.05–22.4 seconds). This extended AGC range allows the AGC to be tuned for many types of applications.

For battery saving applications where neither analog nor digital signal processing are required, the device can be put in a special analog signal passthrough mode. This mode significantly reduces power consumption, as most of the device is powered down during this passthrough operation.

The serial control bus supports the I2C protocol, while the serial audio data bus is programmable for I2S, left/right-justified, DSP, or TDM modes. A highly programmable PLL is included for flexible clock generation and support for all standard audio rates from a wide range of available MCLKs, varying from 512 kHz to 50 MHz, with special attention paid to the most popular cases of 12-MHz, 13-MHz, 16-MHz, 19.2-MHz, and 19.68-MHz system clocks.

The TLV320AIC3105 operates from an analog supply of 2.7 V–3.6 V, a digital core supply of 1.525 V–1.95 V, and a digital I/O supply of 1.1 V–3.6 V. The device is available in a 5-mm × 5-mm 32-pin QFN package.

Subscribe to Welllinkchips !
Your Name
* Email
Submit a request