0
THS770006
  • THS770006
  • THS770006

THS770006

ACTIVE

High-Speed Fully Differential ADC Driver Amplifier with +6dB Fixed Gain

Texas Instruments THS770006 Product Info

1 April 2026 1

Parameters

Number of channels

1

Total supply voltage (+5 V = 5, ±5 V = 10) (min) (V)

4.75

Total supply voltage (+5 V = 5, ±5 V = 10) (max) (V)

5.25

BW at Acl (MHz)

2400

Acl, min spec gain (V/V)

2

Slew rate (typ) (V/µs)

3200

Architecture

Bipolar, Fixed Gain/Buffer, Fully Differential ADC Driver

Vn at flatband (typ) (nV√Hz)

1.7

Iq per channel (typ) (mA)

100

Rail-to-rail

No

Vos (offset voltage at 25°C) (max) (mV)

5

Operating temperature range (°C)

-40 to 85

Iout (typ) (mA)

80

2nd harmonic (dBc)

87

3rd harmonic (dBc)

103

Frequency of harmonic distortion measurement (MHz)

10

GBW (typ) (MHz)

2400

Input bias current (max) (pA)

400000000

Features

On chip gain resistors, Shutdown

CMRR (typ) (dB)

60

Rating

Catalog

Package

VQFN (RGE)-24-16 mm² 4 x 4

Features

  • 2.4GHz Bandwidth
  • 3100V/µs Slew Rate, VOUT =2V Step
  • Fixed Voltage Gain: +6dB
  • IMD3: –107dBc, VOUT = 2VPP, RL = 400Ω,
    f = 100MHz
  • OIP3: 48dBm, f = 100MHz
  • Noise Figure: 11dB, f = 100MHz
  • 2.4GHz Bandwidth
  • 3100V/µs Slew Rate, VOUT =2V Step
  • Fixed Voltage Gain: +6dB
  • IMD3: –107dBc, VOUT = 2VPP, RL = 400Ω,
    f = 100MHz
  • OIP3: 48dBm, f = 100MHz
  • Noise Figure: 11dB, f = 100MHz

Description

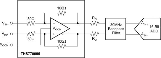
The THS770006 is a fixed-gain of +6dB, wideband, fully-differential amplifier designed and optimized specifically for driving 16-bit analog-to-digital converters (ADCs) at input frequencies up to 130MHz, and 14-bit ADCs at input frequencies up to 200MHz. This device provides high bandwidth, high-voltage output with low distortion and low noise, critical in high-speed data acquisition systems that require very high dynamic range, such as wireless base stations and test and measurement applications. This device also makes an excellent differential amplifier for general-purpose, high-speed differential signal chain and short line driver applications.

The THS770006 operates on a nominal +5V single supply, offers very fast, 7.5ns maximum recovery time from overdrive conditions, and has a power-down mode for power saving. The THS770006 is offered in a Pb-free (RoHS compliant) and green, QFN-24 thermally-enhanced package. It is characterized for operation over the industrial temperature range of –40°C to +85°C.

The THS770006 is a fixed-gain of +6dB, wideband, fully-differential amplifier designed and optimized specifically for driving 16-bit analog-to-digital converters (ADCs) at input frequencies up to 130MHz, and 14-bit ADCs at input frequencies up to 200MHz. This device provides high bandwidth, high-voltage output with low distortion and low noise, critical in high-speed data acquisition systems that require very high dynamic range, such as wireless base stations and test and measurement applications. This device also makes an excellent differential amplifier for general-purpose, high-speed differential signal chain and short line driver applications.

The THS770006 operates on a nominal +5V single supply, offers very fast, 7.5ns maximum recovery time from overdrive conditions, and has a power-down mode for power saving. The THS770006 is offered in a Pb-free (RoHS compliant) and green, QFN-24 thermally-enhanced package. It is characterized for operation over the industrial temperature range of –40°C to +85°C.

Subscribe to Welllinkchips !
Your Name
* Email
Submit a request