0
TCA9548A-Q1
  • TCA9548A-Q1
  • TCA9548A-Q1
  • TCA9548A-Q1

TCA9548A-Q1

ACTIVE

Automotive 8-channel 1.65- to 5.25v I2C/SMBus switch with reset & voltage translation

Texas Instruments TCA9548A-Q1 Product Info

1 April 2026 2

Parameters

Addresses

8

Supply voltage (max) (V)

5.25

Supply voltage (min) (V)

1.65

Features

Reset pin

Rating

Automotive

Frequency (max) (MHz)

0.4

Operating temperature range (°C)

-40 to 85

Number of channels

8

TI functional safety category

Functional Safety-Capable

Package

VQFN (RGE)-24-16 mm² 4 x 4

Features

  • AEC-Q100 (grade 1): Qualified for automotive applications
  • Functional Safety-Capable
  • 1-to-8 Bidirectional translating switches
  • I 2C Bus and SMBus compatible
  • Active-low reset input
  • Three address pins, allowing up to eight TCA9548A-Q1 devices on the I 2C bus
  • Channel selection through an I 2C Bus, in any combination
  • Power up with all switch channels deselected
  • Low R ON switches
  • Allows voltage-level translation between 1.8 V, 2.5 V, 3.3 V, and 5 V buses
  • No glitch on power up
  • Supports hot insertion
  • Low quiescent current
  • Operating power-supply voltage range of 1.65 V to 5.25 V
  • 5 V tolerant Inputs
  • 0 to 400 kHz clock frequency
  • Latch-up performance exceeds 100 mA per JESD 78, class II
  • AEC-Q100 (grade 1): Qualified for automotive applications
  • Functional Safety-Capable
  • 1-to-8 Bidirectional translating switches
  • I 2C Bus and SMBus compatible
  • Active-low reset input
  • Three address pins, allowing up to eight TCA9548A-Q1 devices on the I 2C bus
  • Channel selection through an I 2C Bus, in any combination
  • Power up with all switch channels deselected
  • Low R ON switches
  • Allows voltage-level translation between 1.8 V, 2.5 V, 3.3 V, and 5 V buses
  • No glitch on power up
  • Supports hot insertion
  • Low quiescent current
  • Operating power-supply voltage range of 1.65 V to 5.25 V
  • 5 V tolerant Inputs
  • 0 to 400 kHz clock frequency
  • Latch-up performance exceeds 100 mA per JESD 78, class II

Description

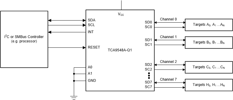
The TCA9548A-Q1 device has eight bidirectional translating switches that can be controlled through the I 2C bus. The SCL/SDA upstream pair fans out to eight downstream pairs, or channels. Any individual SCn/SDn channel or combination of channels can be selected, determined by the contents of the programmable control register. These downstream channels can be used to resolve I 2C target address conflicts. For example, if eight identical digital temperature sensors are needed in the application, one sensor can be connected at each channel: 0-7.

The system controller can reset the TCA9548A-Q1 in the event of a time-out or other improper operation by asserting a low in the RESET input. Similarly, the power-on reset deselects all channels and initializes the I 2C/SMBus state machine. Asserting RESET causes the same reset and initialization to occur without powering down the part. This allows recovery should one of the downstream I 2C buses get stuck in a low state.

The pass gates of the switches are constructed so that the VCC pin can be used to limit the maximum high voltage, which is passed by the TCA9548A-Q1. Limiting the maximum high voltage allows the use of different bus voltages on each pair, so that 1.8 V, 2.5 V or 3.3 V parts can communicate with 5 V parts, without any additional protection. External pull-up resistors pull the bus up to the desired voltage level for each channel. All I/O pins are 5 V tolerant.

The TCA9548A-Q1 device has eight bidirectional translating switches that can be controlled through the I 2C bus. The SCL/SDA upstream pair fans out to eight downstream pairs, or channels. Any individual SCn/SDn channel or combination of channels can be selected, determined by the contents of the programmable control register. These downstream channels can be used to resolve I 2C target address conflicts. For example, if eight identical digital temperature sensors are needed in the application, one sensor can be connected at each channel: 0-7.

The system controller can reset the TCA9548A-Q1 in the event of a time-out or other improper operation by asserting a low in the RESET input. Similarly, the power-on reset deselects all channels and initializes the I 2C/SMBus state machine. Asserting RESET causes the same reset and initialization to occur without powering down the part. This allows recovery should one of the downstream I 2C buses get stuck in a low state.

The pass gates of the switches are constructed so that the VCC pin can be used to limit the maximum high voltage, which is passed by the TCA9548A-Q1. Limiting the maximum high voltage allows the use of different bus voltages on each pair, so that 1.8 V, 2.5 V or 3.3 V parts can communicate with 5 V parts, without any additional protection. External pull-up resistors pull the bus up to the desired voltage level for each channel. All I/O pins are 5 V tolerant.

Subscribe to Welllinkchips !
Your Name
* Email
Submit a request