0
LM5033
  • LM5033
  • LM5033
  • LM5033
  • LM5033

LM5033

ACTIVE

100-V push-pull voltage mode PWM controller

Texas Instruments LM5033 Product Info

1 April 2026 0

Parameters

Topology

Push pull

Control mode

Voltage

Features

Multi-topology, Soft start, Synchronization pin

Duty cycle (max) (%)

50

Package

VSSOP (DGS)-10-14.7 mm² 3 x 4.9

Features

  • Internal High-Voltage (100 V) Start-Up Regulator
  • Single Resistor Oscillator Setting
  • Synchronizable
  • Precision Reference Output
  • Adjustable Soft Start
  • Overcurrent Protection
  • Direct Optocoupler Interface
  • 1.5-A Peak Gate Drivers
  • Thermal Shutdown
  • Internal High-Voltage (100 V) Start-Up Regulator
  • Single Resistor Oscillator Setting
  • Synchronizable
  • Precision Reference Output
  • Adjustable Soft Start
  • Overcurrent Protection
  • Direct Optocoupler Interface
  • 1.5-A Peak Gate Drivers
  • Thermal Shutdown

Description

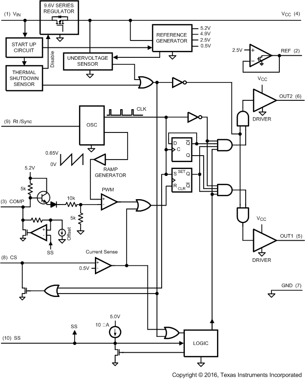
The LM5033 high-voltage PWM controller contains all the features necessary to implement push-pull, half-bridge, and full-bridge topologies. Applications include closed-loop voltage mode converters with a highly regulated output voltage, or open-loop DC transformers such as an Intermediate bus converter (IBC) with an efficiency greater than 95%. Two alternating gate driver outputs with a specified deadtime are provided.

The LM5033 includes a start-up regulator that operates over a wide input range from 15 V to 100 V. Additional features include: precision voltage reference output, current limit detection, remote shutdown, soft start, sync capability, and thermal shutdown. This high-speed IC has total propagation delays less than 100 ns and a 1-MHz capable oscillator.

The LM5033 high-voltage PWM controller contains all the features necessary to implement push-pull, half-bridge, and full-bridge topologies. Applications include closed-loop voltage mode converters with a highly regulated output voltage, or open-loop DC transformers such as an Intermediate bus converter (IBC) with an efficiency greater than 95%. Two alternating gate driver outputs with a specified deadtime are provided.

The LM5033 includes a start-up regulator that operates over a wide input range from 15 V to 100 V. Additional features include: precision voltage reference output, current limit detection, remote shutdown, soft start, sync capability, and thermal shutdown. This high-speed IC has total propagation delays less than 100 ns and a 1-MHz capable oscillator.

Subscribe to Welllinkchips !
Your Name
* Email
Submit a request