0
LM3485-Q1
  • LM3485-Q1
  • LM3485-Q1
  • LM3485-Q1
  • LM3485-Q1

LM3485-Q1

ACTIVE

Automotive Grade 4.5-35V, Hysteretic Non-Synchronous PFET Buck Controller

Texas Instruments LM3485-Q1 Product Info

1 April 2026 0

Parameters

Rating

Automotive

Topology

Buck Controller

Iout (max) (A)

4

Vin (max) (V)

35

Vin (min) (V)

4.5

Vout (max) (V)

35

Vout (min) (V)

1.242

Control mode

Hysteretic

Features

Enable

Duty cycle (max) (%)

100

Iq (typ) (A)

0.00025

Number of phases

1

Operating temperature range (°C)

-40 to 125

Package

VSSOP (DGK)-8-14.7 mm² 3 x 4.9

Features

  • Easy-to-Use Control Methodology
  • No Control-Loop Compensation Required
  • 4.5-V to 35-V Wide Input Range
  • 1.242-V to VIN Adjustable Output Range
  • High Efficiency 93%
  • ±1.3% (±2% Over Temp) Internal Reference
  • 100% Duty Cycle
  • Maximum Operating Frequency > 1 MHz
  • Current Limit Protection
  • Easy-to-Use Control Methodology
  • No Control-Loop Compensation Required
  • 4.5-V to 35-V Wide Input Range
  • 1.242-V to VIN Adjustable Output Range
  • High Efficiency 93%
  • ±1.3% (±2% Over Temp) Internal Reference
  • 100% Duty Cycle
  • Maximum Operating Frequency > 1 MHz
  • Current Limit Protection

Description

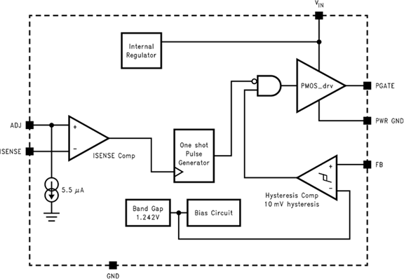
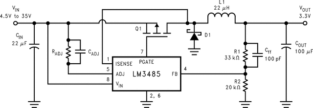
The LM3485 is a high-efficiency PFET switching regulator controller that can be used to quickly and easily develop a small, low-cost, switching buck regulator for a wide range of applications. The hysteretic control architecture provides for simple design without any control-loop stability concerns using a wide variety of external components. The PFET architecture also allows for low component count as well as ultralow dropout, 100% duty cycle operation. Another benefit is high efficiency operation at light loads without an increase in output ripple.

Current limit protection is provided by measuring the voltage across the RDS(ON) of the PFET, thus eliminating the need for a sense resistor. The cycle-by-cycle current limit can be adjusted with a single resistor, ensuring safe operation over a range of output currents.

The LM3485 is a high-efficiency PFET switching regulator controller that can be used to quickly and easily develop a small, low-cost, switching buck regulator for a wide range of applications. The hysteretic control architecture provides for simple design without any control-loop stability concerns using a wide variety of external components. The PFET architecture also allows for low component count as well as ultralow dropout, 100% duty cycle operation. Another benefit is high efficiency operation at light loads without an increase in output ripple.

Current limit protection is provided by measuring the voltage across the RDS(ON) of the PFET, thus eliminating the need for a sense resistor. The cycle-by-cycle current limit can be adjusted with a single resistor, ensuring safe operation over a range of output currents.

Subscribe to Welllinkchips !
Your Name
* Email
Submit a request