0
TAS5622A
  • TAS5622A
  • TAS5622A
  • TAS5622A

TAS5622A

ACTIVE

125-W stereo, 250-W mono, 12- to 34-V, PWM input Class-D audio amplifier w/ thermal enhancement

Texas Instruments TAS5622A Product Info

1 April 2026 0

Parameters

Audio input type

PWM

Architecture

Class-D

Speaker channels (max)

4

Control interface

Hardware

Output power (W)

125

Power stage supply (max) (V)

34

Power stage supply (min) (V)

12

RDS(on) (Ω)

0.04

THD + N at 1 kHz (%)

0.025

Load (min) (Ω)

1.5

Analog supply voltage (min) (V)

13.2

Analog supply voltage (max) (V)

10.8

Rating

Catalog

Operating temperature range (°C)

-40 to 125

Package

HTSSOP (DDV)-44-113.4 mm² 14 x 8.1

Features

  • PurePath HD Integrated Feedback Provides:
    • 0.025% THD at 1 W into 4 Ω
    • > 65-dB PSRR (No Input Signal)
    • > 105 dB (A weighted) SNR
  • Preclipping Output for Control of a Class-G Power
    Supply
  • Reduced Heat Sink Size Due to Use of 40mΩ
    Output MOSFET With > 90% Efficiency at Full
    Output Power
  • Output Power at 10%THD+N
    • 125-W and 4-Ω BTL Stereo Configuration
    • 250-W and 2-Ω PBTL Mono Configuration
  • Output Power at 1%THD+N
    • 105-W and 4-Ω BTL Stereo Configuration
    • 210-W and 2-Ω PBTL Mono Configuration
  • Click and Pop Free Start-up
  • Error Reporting Self-Protected Design With UVP,
    Overtemperature, and Short-Circuit Protection
  • EMI Compliant When Used With Recommended
    System Design
  • 44-Pin HTSSOP (DDV) Package for Reduced
    Board Size
  • PurePath HD Integrated Feedback Provides:
    • 0.025% THD at 1 W into 4 Ω
    • > 65-dB PSRR (No Input Signal)
    • > 105 dB (A weighted) SNR
  • Preclipping Output for Control of a Class-G Power
    Supply
  • Reduced Heat Sink Size Due to Use of 40mΩ
    Output MOSFET With > 90% Efficiency at Full
    Output Power
  • Output Power at 10%THD+N
    • 125-W and 4-Ω BTL Stereo Configuration
    • 250-W and 2-Ω PBTL Mono Configuration
  • Output Power at 1%THD+N
    • 105-W and 4-Ω BTL Stereo Configuration
    • 210-W and 2-Ω PBTL Mono Configuration
  • Click and Pop Free Start-up
  • Error Reporting Self-Protected Design With UVP,
    Overtemperature, and Short-Circuit Protection
  • EMI Compliant When Used With Recommended
    System Design
  • 44-Pin HTSSOP (DDV) Package for Reduced
    Board Size

Description

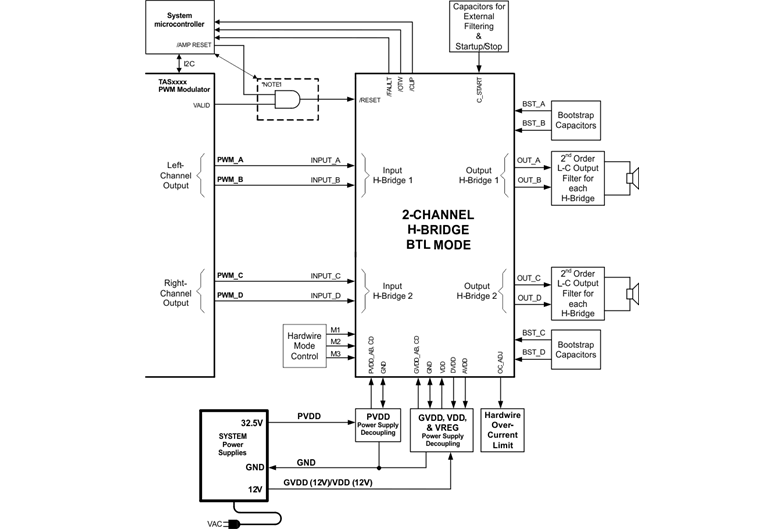
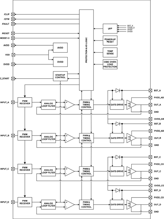
The TAS5622A device is a thermally enhanced version of the class-D power amplifier based on the TAS5612A using large MOSFETs for improved power efficiency and a novel gate drive scheme for reduced losses in idle and at low output signals leading to reduced heat sink size.

The unique preclipping output signal can be used to control a class-G power supply. This combined with the low idle loss and high power efficiency of the TAS5622A leads to industry-leading levels of efficiency ensuring a super "green" system.

The TAS5622A uses constant voltage gain. The internally matched gain resistors ensure a high Power Supply Rejection Ratio giving an output voltage only dependent on the audio input voltage and free from any power supply artifacts.

The high integration of the TAS5622A makes the amplifier easy to use; and, using TI’s reference schematics and PCB layouts leads to fast design in time. The TAS5622A is available in the space-saving, surface-mount, 44-pin HTSSOP package.

The TAS5622A device is a thermally enhanced version of the class-D power amplifier based on the TAS5612A using large MOSFETs for improved power efficiency and a novel gate drive scheme for reduced losses in idle and at low output signals leading to reduced heat sink size.

The unique preclipping output signal can be used to control a class-G power supply. This combined with the low idle loss and high power efficiency of the TAS5622A leads to industry-leading levels of efficiency ensuring a super "green" system.

The TAS5622A uses constant voltage gain. The internally matched gain resistors ensure a high Power Supply Rejection Ratio giving an output voltage only dependent on the audio input voltage and free from any power supply artifacts.

The high integration of the TAS5622A makes the amplifier easy to use; and, using TI’s reference schematics and PCB layouts leads to fast design in time. The TAS5622A is available in the space-saving, surface-mount, 44-pin HTSSOP package.

Subscribe to Welllinkchips !
Your Name
* Email
Submit a request