0
SN75ALS175
  • SN75ALS175
  • SN75ALS175
  • SN75ALS175
  • SN75ALS175
  • SN75ALS175

SN75ALS175

ACTIVE

Quadruple Differential Line Receiver

Texas Instruments SN75ALS175 Product Info

1 April 2026 0

Parameters

Number of receivers

4

Number of transmitters

0

Supply voltage (nom) (V)

5

Signaling rate (max) (Mbps)

10

IEC 61000-4-2 contact (±V)

None

Fault protection (V)

-10 to 15

Common-mode range (V)

-7 to 12

Number of nodes

32

Isolated

No

Supply current (max) (µA)

24000

Rating

Catalog

Operating temperature range (°C)

0 to 70

Package

PDIP (N)-16-181.42 mm² 19.3 x 9.4

Features

  • Meets or exceeds the requirements of ANSI EIA/TIA-422-B, EIA/TIA-423-B, and RS-485
  • Meets ITU recommendations V.10, V.11, X.26, and X.27
  • Designed for multipoint bus transmission on long bus lines in noisy environments
  • Low supply current requirement 27 mA maximum
  • Common-mode input voltage range of –12 V to 12 V
  • Input sensitivity: ±200 mV
  • Input hysteresis: 50 mV typical
  • High input impedance: 12 kΩ minimum
  • Operates from single 5-V supply
  • Meets or exceeds the requirements of ANSI EIA/TIA-422-B, EIA/TIA-423-B, and RS-485
  • Meets ITU recommendations V.10, V.11, X.26, and X.27
  • Designed for multipoint bus transmission on long bus lines in noisy environments
  • Low supply current requirement 27 mA maximum
  • Common-mode input voltage range of –12 V to 12 V
  • Input sensitivity: ±200 mV
  • Input hysteresis: 50 mV typical
  • High input impedance: 12 kΩ minimum
  • Operates from single 5-V supply

Description

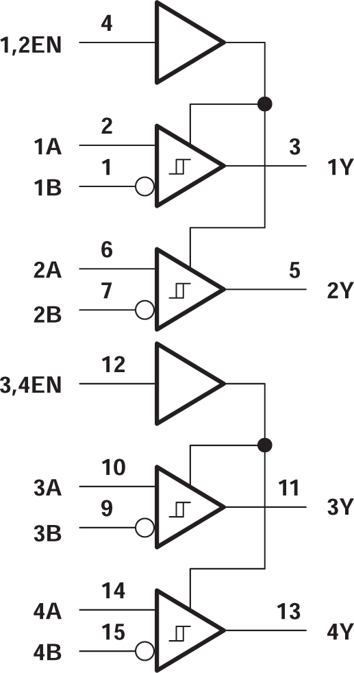
The SN75ALS175 is a monolithic quadruple differential line receiver with 3-state outputs. It is designed to meet the requirements of ANSI Standards EIA/TIA-422-B, EIA/TIA-423-B, and RS-485 and several ITU recommendations. Advanced low-power Schottky technology provides high speed without the usual power penalty. Each of the two pairs of receivers has a common active-high enable. The device features high input impedance, input hysteresis for increased noise immunity, and input sensitivity of ±200 mV over a common-mode input voltage range of –12 V to 12 V.

The SN75ALS175 is characterized for operation from 0°C to 70°C.

The SN75ALS175 is a monolithic quadruple differential line receiver with 3-state outputs. It is designed to meet the requirements of ANSI Standards EIA/TIA-422-B, EIA/TIA-423-B, and RS-485 and several ITU recommendations. Advanced low-power Schottky technology provides high speed without the usual power penalty. Each of the two pairs of receivers has a common active-high enable. The device features high input impedance, input hysteresis for increased noise immunity, and input sensitivity of ±200 mV over a common-mode input voltage range of –12 V to 12 V.

The SN75ALS175 is characterized for operation from 0°C to 70°C.

Subscribe to Welllinkchips !
Your Name
* Email
Submit a request