0
UCC28250
  • UCC28250
  • UCC28250
  • UCC28250

UCC28250

ACTIVE

Advanced half-bridge/full-bridge PWM controller with pre-bias operation

Texas Instruments UCC28250 Product Info

1 April 2026 1

Parameters

Topology

Forward, Full bridge, Half bridge, Push pull

Control mode

Current, Voltage

Features

Current limiting, High-voltage startup, SR logic

Duty cycle (max) (%)

100

Package

TSSOP (PW)-20-41.6 mm² 6.5 x 6.4

Features

  • Prebiased Start-up
  • Synchronous Rectifier Control Outputs With Programmable Delays (Including Zero Delay Support)
  • Voltage Mode Control With Input Voltage Feed-Forward or Current Mode Control
  • Primary or Secondary-Side Control
  • 3.3-V, 1.5% Accurate Reference Output
  • 1-MHz Capable Switching Frequency
  • 1% Accurate Cycle-by-Cycle Overcurrent Protection with Matched Duty Cycle Outputs
  • Programmable Soft-Start and Hiccup Restart Timer
  • Thermally Enhanced 4-mm × 4-mm QFN-20 Package and 20-pin TSSOP Package
  • Prebiased Start-up
  • Synchronous Rectifier Control Outputs With Programmable Delays (Including Zero Delay Support)
  • Voltage Mode Control With Input Voltage Feed-Forward or Current Mode Control
  • Primary or Secondary-Side Control
  • 3.3-V, 1.5% Accurate Reference Output
  • 1-MHz Capable Switching Frequency
  • 1% Accurate Cycle-by-Cycle Overcurrent Protection with Matched Duty Cycle Outputs
  • Programmable Soft-Start and Hiccup Restart Timer
  • Thermally Enhanced 4-mm × 4-mm QFN-20 Package and 20-pin TSSOP Package

Description

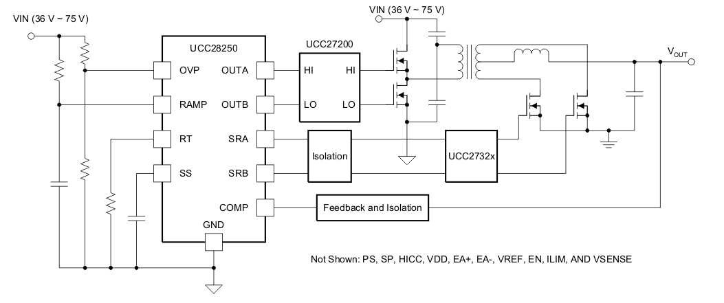
The UCC28250 PWM controller is designed for high power density applications that may have stringent prebiased start-up requirements. The integrated synchronous rectifier control outputs target high-efficiency and high-performance topologies such as half-bridge, full-bridge, interleaved forward, and push-pull. The UCC27200 half-bridge drivers and UCC2732X MOSFET drivers used in conjunction with the UCC28250 provide a complete power converter solution.

Externally programmable soft-start, used in conjunction with an internal prebiased start-up circuit, allows the controller to gradually reach a steady-state operating point under all output conditions. The UCC28250 can be configured for primary or secondary-side control and either voltage or current mode control can be implemented.

The oscillator operates at frequencies up to 2 MHz, and can be synchronized to an external clock. Input voltage feedforward, cycle-by-cycle current limit, and a programmable hiccup timer allow the system to stay within a safe operation range. Input voltage, output voltage and temperature protection can be implemented. Dead time between primary-side switch and secondary-side synchronous rectifiers can be independently programmed.

The UCC28250 PWM controller is designed for high power density applications that may have stringent prebiased start-up requirements. The integrated synchronous rectifier control outputs target high-efficiency and high-performance topologies such as half-bridge, full-bridge, interleaved forward, and push-pull. The UCC27200 half-bridge drivers and UCC2732X MOSFET drivers used in conjunction with the UCC28250 provide a complete power converter solution.

Externally programmable soft-start, used in conjunction with an internal prebiased start-up circuit, allows the controller to gradually reach a steady-state operating point under all output conditions. The UCC28250 can be configured for primary or secondary-side control and either voltage or current mode control can be implemented.

The oscillator operates at frequencies up to 2 MHz, and can be synchronized to an external clock. Input voltage feedforward, cycle-by-cycle current limit, and a programmable hiccup timer allow the system to stay within a safe operation range. Input voltage, output voltage and temperature protection can be implemented. Dead time between primary-side switch and secondary-side synchronous rectifiers can be independently programmed.

Subscribe to Welllinkchips !
Your Name
* Email
Submit a request