0
TPS54623
  • TPS54623
  • TPS54623

TPS54623

ACTIVE

4.5-V to 17-V, 6-A synchronous SWIFT™ buck converter with light load efficiency

Texas Instruments TPS54623 Product Info

1 April 2026 0

Parameters

Rating

Catalog

Topology

Buck

Iout (max) (A)

6

Vin (max) (V)

17

Vin (min) (V)

4.5

Vout (max) (V)

15

Vout (min) (V)

0.6

Features

Adjustable soft start, Enable, Frequency synchronization, Light-load efficiency, Power good, Synchronous rectification, Tracking

Control mode

current mode

Operating temperature range (°C)

-40 to 150

Iq (typ) (A)

0.00025

Duty cycle (max) (%)

98

Package

VQFN (RHL)-14-12.25 mm² 3.5 x 3.5

Features

  • Integrated 26 mΩ, 19 mΩ MOSFETs
  • Split Power Rail: 1.6 V to 17 V on PVIN
  • 200 kHz to 1.6 MHz Switching Frequency
  • Light Load Efficient With Pulse Skip
  • Synchronizes to External Clock
  • 0.6 V ±1% Voltage Reference Overtemperature
  • Low 2-µA Shutdown Quiescent Current
  • Monotonic Start-Up into Pre-biased Outputs
  • –40°C to 150°C Operating Junction Temperature Range
  • Adjustable Slow Start and Power Sequencing
  • Power Good Output Monitor for Undervoltage and Overvoltage
  • Adjustable Input Undervoltage Lockout
  • Create a Custom Design Using the TPS54623 With the WEBENCH® Power Designer
  • Integrated 26 mΩ, 19 mΩ MOSFETs
  • Split Power Rail: 1.6 V to 17 V on PVIN
  • 200 kHz to 1.6 MHz Switching Frequency
  • Light Load Efficient With Pulse Skip
  • Synchronizes to External Clock
  • 0.6 V ±1% Voltage Reference Overtemperature
  • Low 2-µA Shutdown Quiescent Current
  • Monotonic Start-Up into Pre-biased Outputs
  • –40°C to 150°C Operating Junction Temperature Range
  • Adjustable Slow Start and Power Sequencing
  • Power Good Output Monitor for Undervoltage and Overvoltage
  • Adjustable Input Undervoltage Lockout
  • Create a Custom Design Using the TPS54623 With the WEBENCH® Power Designer

Description

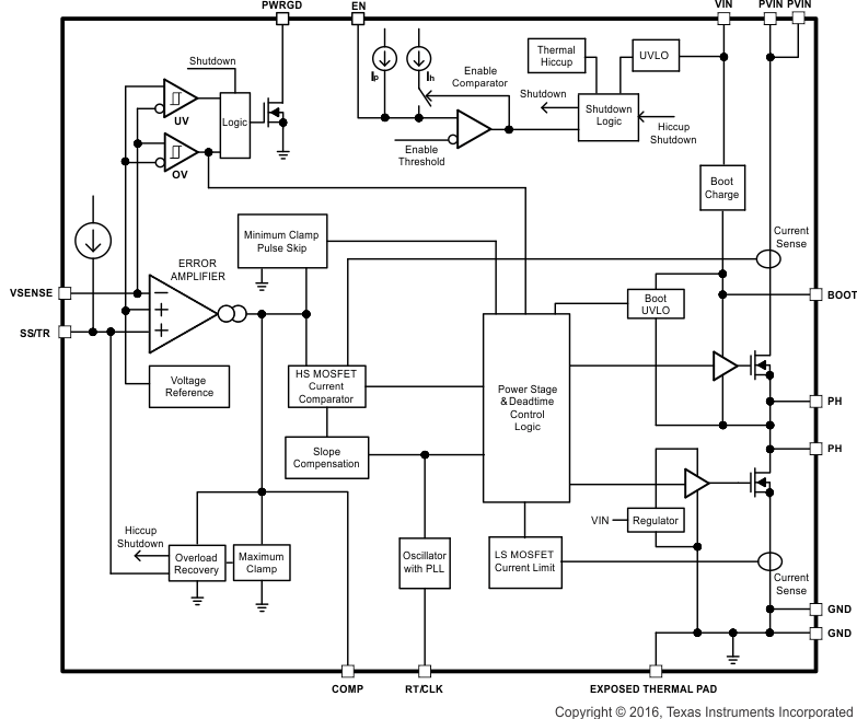
The TPS54623 in thermally enhanced VQFN package is a full featured 17-V, 6-A synchronous step-down converter which is optimized for small designs through high efficiency and integrating the high-side and low-side MOSFETs. Further space savings are achieved through current mode control, which reduces component count, and by selecting a high switching frequency, reducing the inductor’s footprint.

The output voltage start-up ramp is controlled by the SS/TR pin, which allows operation as either a stand alone power supply or in tracking situations. Power sequencing is also possible by correctly configuring the enable and the open drain power good pins.

Cycle-by-cycle current limiting on the high-side FET protects the device in overload situations and is enhanced by a low-side sourcing current limit which prevents current runaway. There is also a low-side sinking current limit that turns off the low-side MOSFET to prevent excessive reverse current. Hiccup protection will be triggered if the overcurrent condition has persisted for longer than the preset time. Thermal hiccup protection disables the device when the die temperature exceeds the thermal shutdown temperature and enables the part again after the built-in thermal shutdown hiccup time. The TPS54623 operates at continuous current mode (CCM) at higher load conditions while skipping pulses to boost the efficiency at light loads.

The TPS54623 in thermally enhanced VQFN package is a full featured 17-V, 6-A synchronous step-down converter which is optimized for small designs through high efficiency and integrating the high-side and low-side MOSFETs. Further space savings are achieved through current mode control, which reduces component count, and by selecting a high switching frequency, reducing the inductor’s footprint.

The output voltage start-up ramp is controlled by the SS/TR pin, which allows operation as either a stand alone power supply or in tracking situations. Power sequencing is also possible by correctly configuring the enable and the open drain power good pins.

Cycle-by-cycle current limiting on the high-side FET protects the device in overload situations and is enhanced by a low-side sourcing current limit which prevents current runaway. There is also a low-side sinking current limit that turns off the low-side MOSFET to prevent excessive reverse current. Hiccup protection will be triggered if the overcurrent condition has persisted for longer than the preset time. Thermal hiccup protection disables the device when the die temperature exceeds the thermal shutdown temperature and enables the part again after the built-in thermal shutdown hiccup time. The TPS54623 operates at continuous current mode (CCM) at higher load conditions while skipping pulses to boost the efficiency at light loads.

Subscribe to Welllinkchips !
Your Name
* Email
Submit a request