0
SN75179B
  • SN75179B
  • SN75179B
  • SN75179B
  • SN75179B
  • SN75179B
  • SN75179B
  • SN75179B
  • SN75179B

SN75179B

ACTIVE

Differential Driver And Receiver Pair

Texas Instruments SN75179B Product Info

1 April 2026 0

Parameters

Number of receivers

1

Number of transmitters

1

Duplex

Full

Supply voltage (nom) (V)

5

Signaling rate (max) (Mbps)

10

IEC 61000-4-2 contact (±V)

None

Fault protection (V)

-10 to 15

Common-mode range (V)

-7 to 12

Number of nodes

32

Isolated

No

Supply current (max) (µA)

70000

Rating

Catalog

Operating temperature range (°C)

0 to 70

Package

PDIP (P)-8-92.5083 mm² 9.81 x 9.43

Features

  • Meets or exceeds the requirements of TIA/EIA-422-B, TIA/EIA-485-A, and ITU Recommendation V.11
  • Bus voltage range: –7V to 12V
  • Positive- and negative-current limiting
  • Driver output capability: 60mA Max
  • Driver thermal-shutdown protection
  • Receiver input impedance: 12kΩ Min
  • Receiver input sensitivity: ±200mV
  • Receiver input hysteresis: 50mV typical
  • Operates from single 5V supply
  • Low power requirements
  • Meets or exceeds the requirements of TIA/EIA-422-B, TIA/EIA-485-A, and ITU Recommendation V.11
  • Bus voltage range: –7V to 12V
  • Positive- and negative-current limiting
  • Driver output capability: 60mA Max
  • Driver thermal-shutdown protection
  • Receiver input impedance: 12kΩ Min
  • Receiver input sensitivity: ±200mV
  • Receiver input hysteresis: 50mV typical
  • Operates from single 5V supply
  • Low power requirements

Description

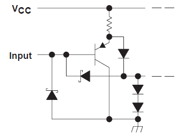
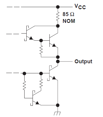
The SN75179B is a differential driver and receiver pair designed for balanced transmission-line applications and meets TIA/EIA-422-B, TIA/EIA-485-A, and ITU Recommendation V.11. The device is designed to improve the performance of full-duplex data communications over long bus lines.

The SN75179B driver output provides limiting for both positive and negative currents. The receiver features high input impedance, input hysteresis for increased noise immunity, and input sensitivity of ±200mV over a common-mode input voltage range of –7V to 12V. The driver provides thermal shutdown for protection from line fault conditions. Thermal shutdown is designed to occur at a junction temperature of approximately 150°C. The SN75179B is designed to drive current loads of up to 60mA maximum.

The SN75179B is characterized for operation from 0°C to 70°C.

The SN75179B is a differential driver and receiver pair designed for balanced transmission-line applications and meets TIA/EIA-422-B, TIA/EIA-485-A, and ITU Recommendation V.11. The device is designed to improve the performance of full-duplex data communications over long bus lines.

The SN75179B driver output provides limiting for both positive and negative currents. The receiver features high input impedance, input hysteresis for increased noise immunity, and input sensitivity of ±200mV over a common-mode input voltage range of –7V to 12V. The driver provides thermal shutdown for protection from line fault conditions. Thermal shutdown is designed to occur at a junction temperature of approximately 150°C. The SN75179B is designed to drive current loads of up to 60mA maximum.

The SN75179B is characterized for operation from 0°C to 70°C.

Subscribe to Welllinkchips !
Your Name
* Email
Submit a request