0
DRV8323R
  • DRV8323R
  • DRV8323R
  • DRV8323R

DRV8323R

ACTIVE

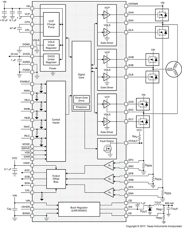
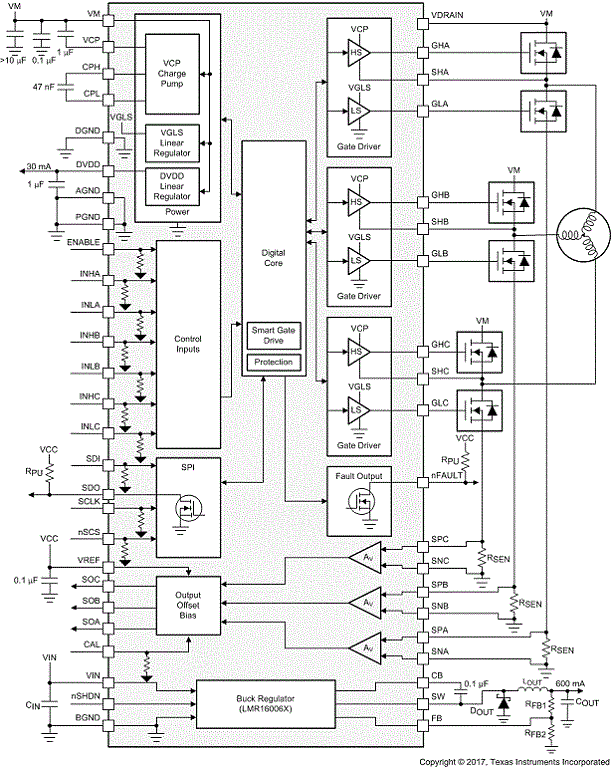
65-V max 3-phase smart gate driver with buck regulator & current shunt amplifiers

Texas Instruments DRV8323R Product Info

1 April 2026 4

Parameters

Rating

Catalog

Architecture

Gate driver

Control interface

1xPWM, 3xPWM, 6xPWM

Gate drive (A)

1

Vs (min) (V)

6

Vs ABS (max) (V)

65

Features

Buck Step Down Converter, Current sense Amplifier, Hardware Management I/F, SPI/I2C, Smart Gate Drive

Operating temperature range (°C)

-40 to 125

Package

VQFN (RGZ)-48-49 mm² 7 x 7

Features

DRV8323R

Description

DRV8323R:65-V max 3-phase smart gate driver with buck regulator & current shunt amplifiers.Package:VQFN (RGZ)-48-49 mm² 7 x 7

Subscribe to Welllinkchips !
Your Name
* Email
Submit a request