0
SN74LV4040B-EP
  • SN74LV4040B-EP
  • SN74LV4040B-EP

SN74LV4040B-EP

ACTIVE

Enhanced product 12-Bit asynchronous binary counter

Texas Instruments SN74LV4040B-EP Product Info

1 April 2026 1

Parameters

Operating temperature range (°C)

-55 to 125

Rating

HiRel Enhanced Product

Package

TSSOP (PW)-16-32 mm² 5 x 6.4

Features

  • 2V to 5.5V VCC Operation
  • Typical VOLP (Output Ground Bounce) <0.8V at VCC = 3.3V, TA = 25°C
  • Typical VOHV (Output VOH Undershoot) 2.3V at VCC = 3.3V, TA = 25°C
  • Support Mixed-Mode Voltage Operation on All Ports
  • High On-Off Output-Voltage Ratio
  • Low Crosstalk Between Switches
  • Individual Switch Controls
  • Extremely Low Input Current
  • Ioff Supports Partial-Power-Down Mode Operation
  • Operating ambient temperature: -55°C to +125°C
  • Supports defense and aerospace applications:
    • Controlled baseline
    • One assembly and test site
    • One fabrication site
    • Extended product life cycle
    • Product traceability
  • 2V to 5.5V VCC Operation
  • Typical VOLP (Output Ground Bounce) <0.8V at VCC = 3.3V, TA = 25°C
  • Typical VOHV (Output VOH Undershoot) 2.3V at VCC = 3.3V, TA = 25°C
  • Support Mixed-Mode Voltage Operation on All Ports
  • High On-Off Output-Voltage Ratio
  • Low Crosstalk Between Switches
  • Individual Switch Controls
  • Extremely Low Input Current
  • Ioff Supports Partial-Power-Down Mode Operation
  • Operating ambient temperature: -55°C to +125°C
  • Supports defense and aerospace applications:
    • Controlled baseline
    • One assembly and test site
    • One fabrication site
    • Extended product life cycle
    • Product traceability

Description

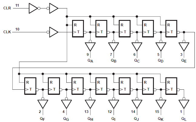
The SN74LV4040B-EP is a 12-bit asynchronous binary counters with the outputs of all stages available externally. A high level at the clear (CLR) input asynchronously clears the counter and resets all outputs low. The count is advanced on a high-to-low transition at the clock (CLK) input. Applications include time-delay circuits, counter controls, and frequency-dividing circuits.

The SN74LV4040B-EP is fully specified for partial-power-down applications using Ioff. The Ioff circuitry disables the outputs, preventing damaging current backflow through the devices when powered down.

The SN74LV4040B-EP is a 12-bit asynchronous binary counters with the outputs of all stages available externally. A high level at the clear (CLR) input asynchronously clears the counter and resets all outputs low. The count is advanced on a high-to-low transition at the clock (CLK) input. Applications include time-delay circuits, counter controls, and frequency-dividing circuits.

The SN74LV4040B-EP is fully specified for partial-power-down applications using Ioff. The Ioff circuitry disables the outputs, preventing damaging current backflow through the devices when powered down.

Subscribe to Welllinkchips !
Your Name
* Email
Submit a request