0
MAX211
  • MAX211
  • MAX211
  • MAX211
  • MAX211

MAX211

ACTIVE

5-V multichannel 120kbps RS-232 line driver/receiver with +/-9V output & +/-15-kV ESD protection

Texas Instruments MAX211 Product Info

1 April 2026 1

Parameters

Drivers per package

4

Receivers per package

5

Logic voltage (min) (V)

5

Data rate (max) (Mbps)

0.12

Main supply voltage (nom) (V)

5

ESD HBM (kV)

15

Rating

Catalog

Operating temperature range (°C)

-40 to 85

Vout (typ) (V)

9

Package

SOIC (DW)-28-184.37 mm² 17.9 x 10.3

Features

  • RS-232 bus-pin ESD protection exceeds ±15kv using human-body model (HBM)
  • Meets or exceeds the requirements of TIA/EIA-232-F and ITU v.28 standards
  • Operates at 5V V CC supply
  • Four drivers and five receivers
  • Operates up to 120kbit/s
  • Low supply current in shutdown mode: 5µA typical
  • External capacitors: 4 × 0.1µF
  • Latch-up performance exceeds 100mA per JESD 78, class II
  • RS-232 bus-pin ESD protection exceeds ±15kv using human-body model (HBM)
  • Meets or exceeds the requirements of TIA/EIA-232-F and ITU v.28 standards
  • Operates at 5V V CC supply
  • Four drivers and five receivers
  • Operates up to 120kbit/s
  • Low supply current in shutdown mode: 5µA typical
  • External capacitors: 4 × 0.1µF
  • Latch-up performance exceeds 100mA per JESD 78, class II

Description

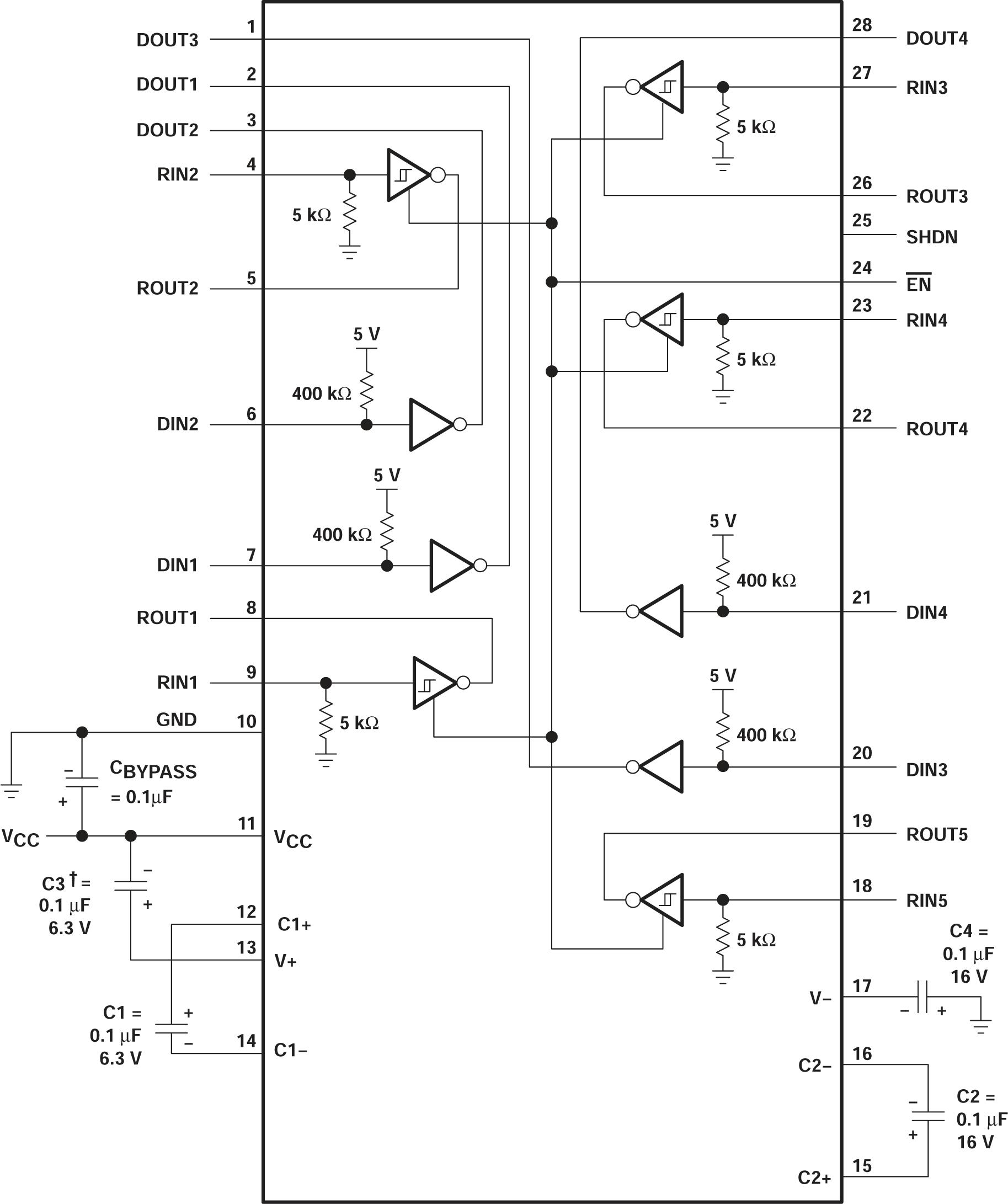
The MAX211 device consists of four line drivers, five line receivers, and a dual charge-pump circuit with ±15kV ESD protection pin to pin (serial-port connection pins, including GND). The device meets the requirements of TIA/EIA-232-F and provides the electrical interface between an asynchronous communication controller and the serial-port connector. The charge pump and four small external capacitors allow operation from a single 5V supply. The devices operate at data signaling rates up to 120kbit/s and a maximum of 30V/µs driver output slew rate.

The MAX211 has both shutdown (SHDN) and enable control (EN). In shutdown mode, the charge pumps are turned off, V+ is pulled down to VCC, V− is pulled to GND, and the transmitter outputs are disabled. This reduces supply current typically to 1µA. EN is used to put the receiver outputs into the high-impedance state to allow wired-OR connection of two RS-232 ports. It has no effect on the RS-232 drivers or the charge pumps.

The MAX211 device consists of four line drivers, five line receivers, and a dual charge-pump circuit with ±15kV ESD protection pin to pin (serial-port connection pins, including GND). The device meets the requirements of TIA/EIA-232-F and provides the electrical interface between an asynchronous communication controller and the serial-port connector. The charge pump and four small external capacitors allow operation from a single 5V supply. The devices operate at data signaling rates up to 120kbit/s and a maximum of 30V/µs driver output slew rate.

The MAX211 has both shutdown (SHDN) and enable control (EN). In shutdown mode, the charge pumps are turned off, V+ is pulled down to VCC, V− is pulled to GND, and the transmitter outputs are disabled. This reduces supply current typically to 1µA. EN is used to put the receiver outputs into the high-impedance state to allow wired-OR connection of two RS-232 ports. It has no effect on the RS-232 drivers or the charge pumps.

Subscribe to Welllinkchips !
Your Name
* Email
Submit a request