0
SN74LVC1G3157
  • SN74LVC1G3157
  • SN74LVC1G3157
  • SN74LVC1G3157
  • SN74LVC1G3157
  • SN74LVC1G3157
  • SN74LVC1G3157
  • SN74LVC1G3157
  • SN74LVC1G3157
  • SN74LVC1G3157
  • SN74LVC1G3157

SN74LVC1G3157

ACTIVE

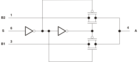
5-V, 2:1 (SPDT), 1-channel general-purpose analog switch

Texas Instruments SN74LVC1G3157 Product Info

1 April 2026 0

Parameters

Configuration

2:1 SPDT

Number of channels

1

Power supply voltage - single (V)

1.8, 2.5, 3.3, 5

Protocols

Analog

Ron (typ) (Ω)

6

CON (typ) (pF)

17.3

ON-state leakage current (max) (µA)

1

Supply current (typ) (µA)

1

Bandwidth (MHz)

340

Operating temperature range (°C)

-40 to 125

Features

Break-before-make

Input/output continuous current (max) (A)

0.128

Rating

Catalog

Drain supply voltage (max) (V)

5.5

Supply voltage (max) (V)

5.5

Package

DSBGA (YZP)-6-2.1875 mm² 1.75 x 1.25

Features

  • ESD protection exceeds JESD 22
    • 2000V Human Body Model (A114-A)
    • 1000V Charged-Device Model (C101)
  • 1.65V to 5.5V VCC operation
  • Qualified for 125°C operation
  • Specified break-before-make switching
  • Rail-to-rail signal handling
  • Operating frequency typically 340MHz at room temperature
  • High speed, typically 0.5ns (VCC = 3V, CL = 50pF)
  • Low ON-state resistance, typically approximately 6Ω (VCC = 4.5V)
  • Latch-up performance exceeds 100mA Per JESD 78, class II
  • ESD protection exceeds JESD 22
    • 2000V Human Body Model (A114-A)
    • 1000V Charged-Device Model (C101)
  • 1.65V to 5.5V VCC operation
  • Qualified for 125°C operation
  • Specified break-before-make switching
  • Rail-to-rail signal handling
  • Operating frequency typically 340MHz at room temperature
  • High speed, typically 0.5ns (VCC = 3V, CL = 50pF)
  • Low ON-state resistance, typically approximately 6Ω (VCC = 4.5V)
  • Latch-up performance exceeds 100mA Per JESD 78, class II

Description

This single channel single-pole double-throw (SPDT) analog switch is designed for 1.65V to 5.5V VCC operation.

The SN74LVC1G3157 device handles both analog and digital signals. The SN74LVC1G3157 device allows signals with amplitudes of up to VCC (peak) to be transmitted in either direction.

Applications include signal gating, chopping, modulation or demodulation (modem), and signal multiplexing for analog-to-digital and digital-to-analog conversion systems.

This single channel single-pole double-throw (SPDT) analog switch is designed for 1.65V to 5.5V VCC operation.

The SN74LVC1G3157 device handles both analog and digital signals. The SN74LVC1G3157 device allows signals with amplitudes of up to VCC (peak) to be transmitted in either direction.

Applications include signal gating, chopping, modulation or demodulation (modem), and signal multiplexing for analog-to-digital and digital-to-analog conversion systems.

Subscribe to Welllinkchips !
Your Name
* Email
Submit a request