0
LM7171
  • LM7171
  • LM7171
  • LM7171
  • LM7171
  • LM7171

LM7171

ACTIVE

Very High Speed, High Output Current, Voltage Feedback Amplifier

Texas Instruments LM7171 Product Info

1 April 2026 0

Parameters

Architecture

Voltage FB

Number of channels

1

Total supply voltage (+5 V = 5, ±5 V = 10) (min) (V)

5.5

Total supply voltage (+5 V = 5, ±5 V = 10) (max) (V)

36

GBW (typ) (MHz)

200

BW at Acl (MHz)

220

Acl, min spec gain (V/V)

2

Slew rate (typ) (V/µs)

4100

Vn at flatband (typ) (nV√Hz)

14

Vn at 1 kHz (typ) (nV√Hz)

14

Iq per channel (typ) (mA)

6.5

Vos (offset voltage at 25°C) (max) (mV)

1

Rail-to-rail

No

Features

Decompensated

Rating

Catalog

Operating temperature range (°C)

-40 to 85

CMRR (typ) (dB)

105

Input bias current (max) (pA)

10000000

Offset drift (typ) (µV/°C)

35

Iout (typ) (mA)

100

2nd harmonic (dBc)

75

3rd harmonic (dBc)

55

Frequency of harmonic distortion measurement (MHz)

5

Package

PDIP (P)-8-92.5083 mm² 9.81 x 9.43

Features

  • Typical values unless otherwise noted
  • Easy-to-use voltage-feedback topology
  • Very high slew rate: 4100V/µs
  • Wide unity-gain bandwidth: 200MHz
  • −3dB frequency at AV = +2: 220MHz
  • Low supply current: 6.5mA
  • High open-loop gain: 85dB
  • High output current: 100mA
  • Differential gain and phase: 0.01%, 0.02º
  • Specified for ±15V and ±5V operation
  • Typical values unless otherwise noted
  • Easy-to-use voltage-feedback topology
  • Very high slew rate: 4100V/µs
  • Wide unity-gain bandwidth: 200MHz
  • −3dB frequency at AV = +2: 220MHz
  • Low supply current: 6.5mA
  • High open-loop gain: 85dB
  • High output current: 100mA
  • Differential gain and phase: 0.01%, 0.02º
  • Specified for ±15V and ±5V operation

Description

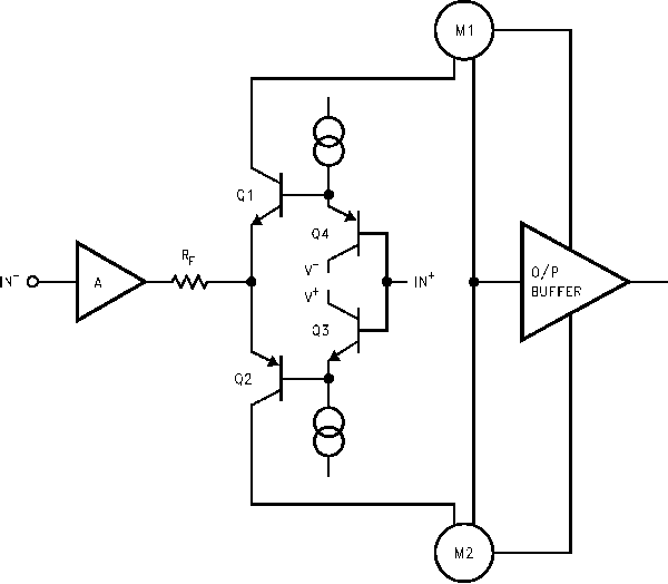
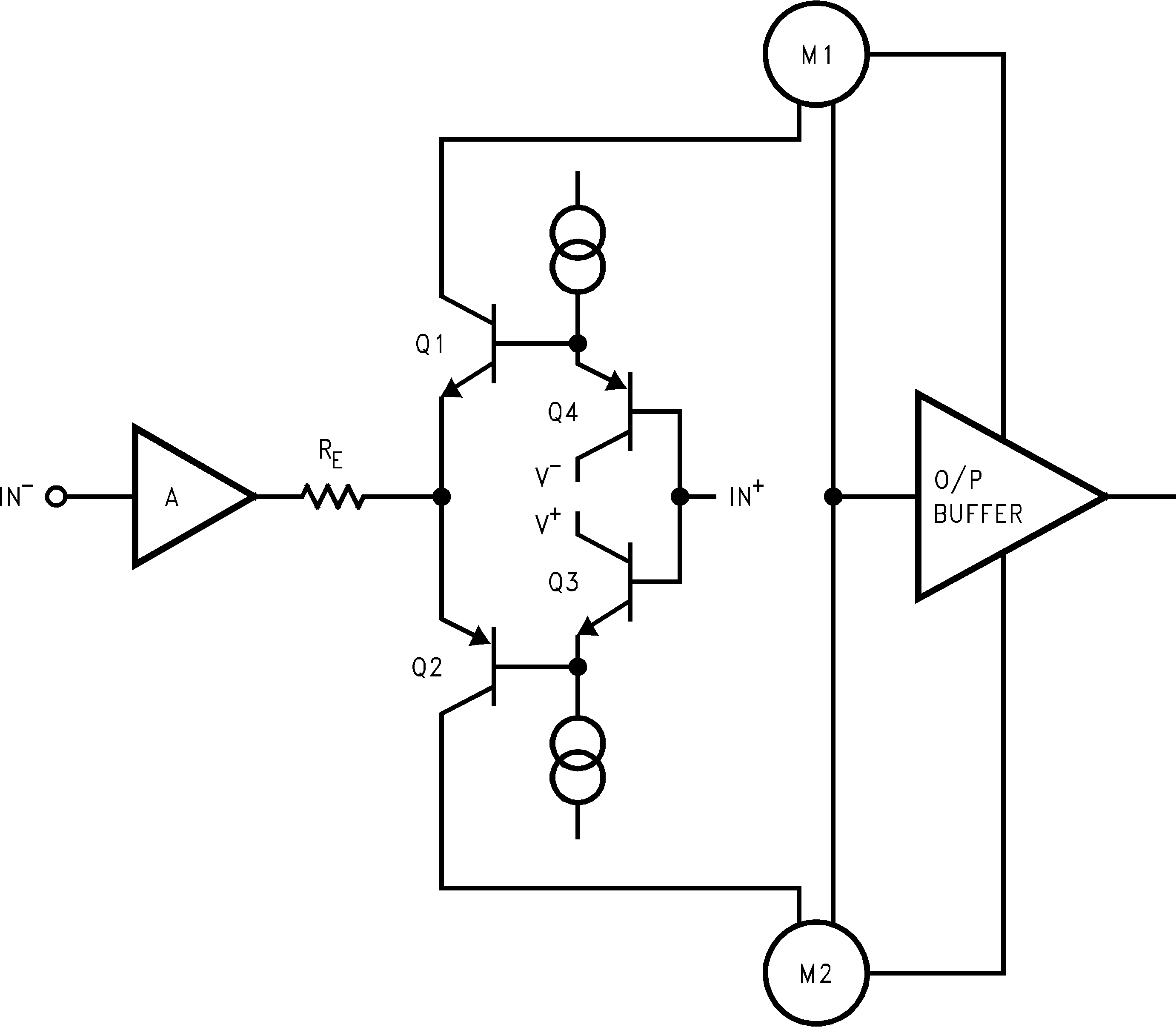
The LM7171 is a high-speed voltage-feedback amplifier that has the slewing characteristic of a current-feedback amplifier, but can be used in all traditional voltage-feedback amplifier configurations. The LM7171 is stable for gains as low as +2 or −1. The device provides a very high slew rate at 4100V/µs and a wide unity-gain bandwidth of 200MHz, while consuming only 6.5mA of supply current. The LM7171 is an excellent choice for video and high-speed signal processing applications, such as HDSL and pulse amplifiers. With 100mA of output current, the LM7171 is used for video distribution, as a transformer driver, or as a laser diode driver.

Operation on ±15V power supplies allows for large signal swings and provides greater dynamic range and signal-to-noise ratio. The LM7171 offers low SFDR and THD, which is excellent for ADC/DAC systems. In addition, the LM7171 is specified for ±5V operation for portable applications.

The LM7171 is a high-speed voltage-feedback amplifier that has the slewing characteristic of a current-feedback amplifier, but can be used in all traditional voltage-feedback amplifier configurations. The LM7171 is stable for gains as low as +2 or −1. The device provides a very high slew rate at 4100V/µs and a wide unity-gain bandwidth of 200MHz, while consuming only 6.5mA of supply current. The LM7171 is an excellent choice for video and high-speed signal processing applications, such as HDSL and pulse amplifiers. With 100mA of output current, the LM7171 is used for video distribution, as a transformer driver, or as a laser diode driver.

Operation on ±15V power supplies allows for large signal swings and provides greater dynamic range and signal-to-noise ratio. The LM7171 offers low SFDR and THD, which is excellent for ADC/DAC systems. In addition, the LM7171 is specified for ±5V operation for portable applications.

Subscribe to Welllinkchips !
Your Name
* Email
Submit a request