0
SN74LVC157A
  • SN74LVC157A
  • SN74LVC157A
  • SN74LVC157A
  • SN74LVC157A
  • SN74LVC157A
  • SN74LVC157A
  • SN74LVC157A
  • SN74LVC157A
  • SN74LVC157A
  • SN74LVC157A

SN74LVC157A

ACTIVE

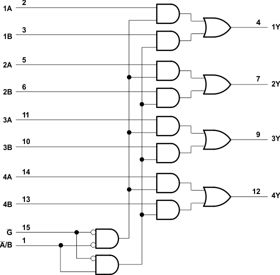
Quadruple 2-Line To1-Line Data Selector / Multiplexer

Texas Instruments SN74LVC157A Product Info

1 April 2026 0

Parameters

Technology family

LVC

Function

Digital Multiplexer

Configuration

2:1

Number of channels

4

Operating temperature range (°C)

-40 to 125

Rating

Catalog

Package

SOIC (D)-16-59.4 mm² 9.9 x 6

Features

  • Operate from 1.65V to 3.6V
  • Specified from –40°C to 85°C, –40°C to 125°C, and –55°C to 125°C
  • Inputs accept voltages to 5.5V
  • Max tpd of 5.2ns at 3.3V
  • Typical VOLP (output ground bounce) <0.8V at VCC = 3.3V, TA = 25°C
  • Typical VOHV (output VOH undershoot) >2V at VCC = 3.3V, TA = 25°C
  • Latch-up performance exceeds 250mA per JESD 17
  • ESD protection exceeds JESD 22
    • 2000V human-body model (A114-A)
    • 1000V charged-device model (C101)
  • Operate from 1.65V to 3.6V
  • Specified from –40°C to 85°C, –40°C to 125°C, and –55°C to 125°C
  • Inputs accept voltages to 5.5V
  • Max tpd of 5.2ns at 3.3V
  • Typical VOLP (output ground bounce) <0.8V at VCC = 3.3V, TA = 25°C
  • Typical VOHV (output VOH undershoot) >2V at VCC = 3.3V, TA = 25°C
  • Latch-up performance exceeds 250mA per JESD 17
  • ESD protection exceeds JESD 22
    • 2000V human-body model (A114-A)
    • 1000V charged-device model (C101)

Description

These quadruple 2-line to 1-line data selectors/multiplexers are designed for 1.65V to 3.6V VCC operation.

These quadruple 2-line to 1-line data selectors/multiplexers are designed for 1.65V to 3.6V VCC operation.

Subscribe to Welllinkchips !
Your Name
* Email
Submit a request