0
SN74LV4053A-Q1
  • SN74LV4053A-Q1
  • SN74LV4053A-Q1
  • SN74LV4053A-Q1
  • SN74LV4053A-Q1

SN74LV4053A-Q1

ACTIVE

Automotive, 5V 2:1 (SPDT) three-channel analog switch

Texas Instruments SN74LV4053A-Q1 Product Info

1 April 2026 0

Parameters

Configuration

2:1 SPDT

Number of channels

3

Power supply voltage - single (V)

1.8, 2.5, 3.3, 5

Protocols

Analog

Ron (typ) (Ω)

23

CON (typ) (pF)

5.6

ON-state leakage current (max) (µA)

2

Bandwidth (MHz)

50

Operating temperature range (°C)

-40 to 125

Input/output continuous current (max) (A)

0.025

Rating

Automotive

Drain supply voltage (max) (V)

5.5

Supply voltage (max) (V)

5.5

Package

SOIC (D)-16-59.4 mm² 9.9 x 6

Features

  • Qualified for automotive applications
  • ESD protection exceeds 2000V per MIL-STD-883, method 3015; exceeds 200V using machine model (C = 200pF, R = 0)
  • 1.65V to 5.5V VCC operation
  • Supports mixed-mode voltage operation on all ports
  • High on-off output-voltage ratio
  • Low crosstalk between switches
  • Individual switch controls
  • Extremely low input current
  • Qualified for automotive applications
  • ESD protection exceeds 2000V per MIL-STD-883, method 3015; exceeds 200V using machine model (C = 200pF, R = 0)
  • 1.65V to 5.5V VCC operation
  • Supports mixed-mode voltage operation on all ports
  • High on-off output-voltage ratio
  • Low crosstalk between switches
  • Individual switch controls
  • Extremely low input current

Description

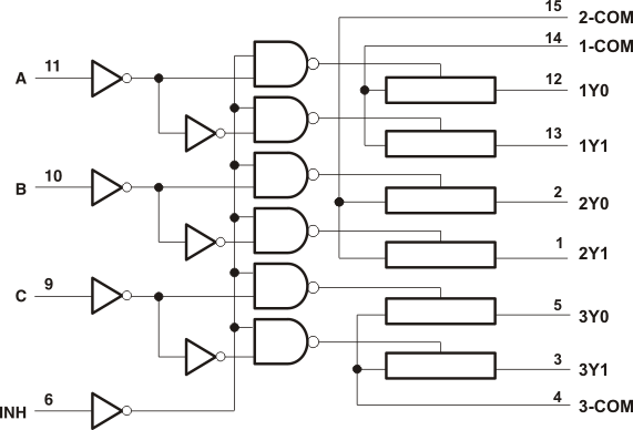
This triple 2-channel CMOS analog multiplexer/demultiplexer is designed for 1.65V to 5.5V VCC operation.

The SN74LV4053A-Q1 handles both analog and digital signals. Each channel permits signals with amplitudes up to 5.5V (peak) to be transmitted in either direction.

Applications include signal gating, chopping, modulation or demodulation (modem), and signal multiplexing for analog-to-digital and digital-to-analog conversion systems.

This triple 2-channel CMOS analog multiplexer/demultiplexer is designed for 1.65V to 5.5V VCC operation.

The SN74LV4053A-Q1 handles both analog and digital signals. Each channel permits signals with amplitudes up to 5.5V (peak) to be transmitted in either direction.

Applications include signal gating, chopping, modulation or demodulation (modem), and signal multiplexing for analog-to-digital and digital-to-analog conversion systems.

Subscribe to Welllinkchips !
Your Name
* Email
Submit a request