0
SN74LV139A
  • SN74LV139A
  • SN74LV139A
  • SN74LV139A
  • SN74LV139A
  • SN74LV139A
  • SN74LV139A
  • SN74LV139A
  • SN74LV139A

SN74LV139A

ACTIVE

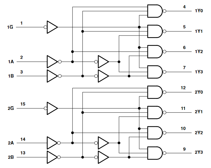
Dual 2-Line To 4-Line Decoders/Demultiplexers

Texas Instruments SN74LV139A Product Info

1 April 2026 1

Parameters

Technology family

LV-A

Number of channels

2

Operating temperature range (°C)

-40 to 85

Rating

Catalog

Supply current (max) (µA)

20

Package

SOIC (D)-16-59.4 mm² 9.9 x 6

Features

  • 2V to 5.5V VCC operation
  • Maximum tpd of 7.5ns at 5V
  • Support mixed-mode voltage operation on all ports
  • Designed specifically for high-speed memory decoders and data-transmission systems
  • Incorporate two enable inputs to simplify cascading and/or data reception
  • Ioff supports partial-power-down mode operation
  • Latch-up performance exceeds 250mA per JESD 17
  • 2V to 5.5V VCC operation
  • Maximum tpd of 7.5ns at 5V
  • Support mixed-mode voltage operation on all ports
  • Designed specifically for high-speed memory decoders and data-transmission systems
  • Incorporate two enable inputs to simplify cascading and/or data reception
  • Ioff supports partial-power-down mode operation
  • Latch-up performance exceeds 250mA per JESD 17

Description

The SN74LV139A devices are dual 2-line to 4-line decoders/demultiplexers designed for 2V to 5.5V VCC operation.

The SN74LV139A devices are dual 2-line to 4-line decoders/demultiplexers designed for 2V to 5.5V VCC operation.

Subscribe to Welllinkchips !
Your Name
* Email
Submit a request