0
SN74LV4052A-Q1
  • SN74LV4052A-Q1
  • SN74LV4052A-Q1
  • SN74LV4052A-Q1
  • SN74LV4052A-Q1

SN74LV4052A-Q1

ACTIVE

Automotive, 5V 4:1 two-channel analog multiplexer

Texas Instruments SN74LV4052A-Q1 Product Info

1 April 2026 0

Parameters

Configuration

4:1

Number of channels

2

Power supply voltage - single (V)

1.8, 2.5, 3.3, 5

Protocols

Analog

Ron (typ) (Ω)

100

CON (typ) (pF)

5.6

ON-state leakage current (max) (µA)

2

Bandwidth (MHz)

50

Operating temperature range (°C)

-40 to 125

Input/output continuous current (max) (A)

0.025

Rating

Automotive

Drain supply voltage (max) (V)

5.5

Supply voltage (max) (V)

5.5

Package

SOIC (D)-16-59.4 mm² 9.9 x 6

Features

  • Qualified for automotive applications
  • AEC-Q100 qualified with the following results:
    • Device temperature grade 1: –40°C to +125°C ambient operating temperature range
    • Device HBM ESD classification level 2
    • Device CDM ESD classification level C4B
  • Supports mixed-mode voltage operation on all ports
  • Fast switching
  • High on-off output-voltage ratio
  • Low crosstalk between switches
  • Extremely low input current
  • Qualified for automotive applications
  • AEC-Q100 qualified with the following results:
    • Device temperature grade 1: –40°C to +125°C ambient operating temperature range
    • Device HBM ESD classification level 2
    • Device CDM ESD classification level C4B
  • Supports mixed-mode voltage operation on all ports
  • Fast switching
  • High on-off output-voltage ratio
  • Low crosstalk between switches
  • Extremely low input current

Description

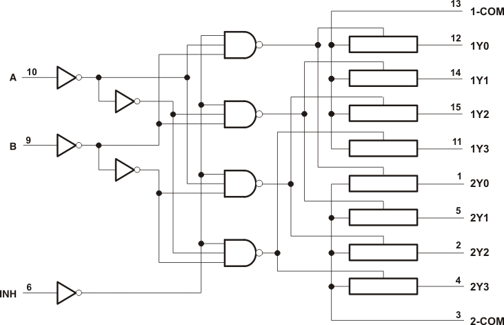
These dual 4-channel CMOS analog multiplexers and demultiplexers are designed for 1.0V to 5.5V VCC operation.

The SN7LV4052A-Q1 devices handle both analog and digital signals. Each channel permits signals with amplitudes up to 5.5V (peak).

Applications include signal gating, chopping, modulation or demodulation (modem), and signal multiplexing for analog-to-digital and digital-to-analog conversion systems.

These dual 4-channel CMOS analog multiplexers and demultiplexers are designed for 1.0V to 5.5V VCC operation.

The SN7LV4052A-Q1 devices handle both analog and digital signals. Each channel permits signals with amplitudes up to 5.5V (peak).

Applications include signal gating, chopping, modulation or demodulation (modem), and signal multiplexing for analog-to-digital and digital-to-analog conversion systems.

Subscribe to Welllinkchips !
Your Name
* Email
Submit a request