0
SN74LV240A
  • SN74LV240A
  • SN74LV240A
  • SN74LV240A
  • SN74LV240A
  • SN74LV240A
  • SN74LV240A
  • SN74LV240A

SN74LV240A

ACTIVE

8-ch, 2V to 5.5V inverters with 3-state outputs

Texas Instruments SN74LV240A Product Info

1 April 2026 0

Parameters

Technology family

LV-A

Supply voltage (min) (V)

2

Supply voltage (max) (V)

5.5

Number of channels

8

IOL (max) (mA)

16

IOH (max) (mA)

-16

Supply current (max) (µA)

20

Input type

Standard CMOS

Output type

3-State

Features

Balanced outputs, Over-voltage tolerant inputs, Partial power down (Ioff), Very high speed (tpd 5-10ns)

Rating

Catalog

Operating temperature range (°C)

-40 to 125

Package

SOIC (DW)-20-131.84 mm² 12.8 x 10.3

Features

  • VCC operation of 2V to 5.5V
  • Max tpd of 6.5ns at 5V
  • Typical VOLP (output ground bounce) <0.8V at VCC = 3.3V, TA = 25°C
  • Typical VOHV (output VOH undershoot) >2.3V at VCC = 3.3V, TA = 25°C
  • Support mixed-mode voltage operation on all ports
  • Latch-up performance exceeds 250mA per JESD 17
  • Ioff supports live insertion, partial power-down mode, and back drive protection
  • VCC operation of 2V to 5.5V
  • Max tpd of 6.5ns at 5V
  • Typical VOLP (output ground bounce) <0.8V at VCC = 3.3V, TA = 25°C
  • Typical VOHV (output VOH undershoot) >2.3V at VCC = 3.3V, TA = 25°C
  • Support mixed-mode voltage operation on all ports
  • Latch-up performance exceeds 250mA per JESD 17
  • Ioff supports live insertion, partial power-down mode, and back drive protection

Description

These octal buffers/drivers with inverted outputs are designed for 2V to 5.5V VCC operation.

The ’LV240A devices are designed specifically to improve both the performance and density of 3-state memory address drivers, clock drivers, and bus-oriented receivers and transmitters.

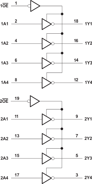
These devices are organized as two 4-bit buffers/line drivers with separate output-enable ( OE) inputs. When OE is low, the device passes inverted data from the A inputs to the Y outputs. When OE is high, the outputs are in the high-impedance state.

These octal buffers/drivers with inverted outputs are designed for 2V to 5.5V VCC operation.

The ’LV240A devices are designed specifically to improve both the performance and density of 3-state memory address drivers, clock drivers, and bus-oriented receivers and transmitters.

These devices are organized as two 4-bit buffers/line drivers with separate output-enable ( OE) inputs. When OE is low, the device passes inverted data from the A inputs to the Y outputs. When OE is high, the outputs are in the high-impedance state.

Subscribe to Welllinkchips !
Your Name
* Email
Submit a request