0
SN74LV165A
  • SN74LV165A
  • SN74LV165A
  • SN74LV165A
  • SN74LV165A
  • SN74LV165A
  • SN74LV165A
  • SN74LV165A
  • SN74LV165A
  • SN74LV165A
  • SN74LV165A
  • SN74LV165A

SN74LV165A

ACTIVE

Parallel-load eight-bit shift registers

Texas Instruments SN74LV165A Product Info

1 April 2026 0

Parameters

Configuration

Parallel-in

Bits (#)

8

Technology family

LV-A

Supply voltage (min) (V)

2

Supply voltage (max) (V)

5.5

Input type

Standard CMOS

Output type

Push-Pull

Clock frequency (MHz)

85

IOL (max) (mA)

12

IOH (max) (mA)

-12

Supply current (max) (µA)

20

Features

Balanced outputs, Over-voltage tolerant inputs, Partial power down (Ioff), Very high speed (tpd 5-10ns)

Operating temperature range (°C)

-40 to 125

Rating

Catalog

Package

SOIC (D)-16-59.4 mm² 9.9 x 6

Features

  • VCC operation of 2 V to 5.5 V
  • Maximum tpd of 10.5 ns at 5 V
  • Support mixed-mode voltage operation on all ports
  • Ioff supports partial-power-down mode operation
  • Latch-up performance exceeds 250 mA per JESD 17
  • VCC operation of 2 V to 5.5 V
  • Maximum tpd of 10.5 ns at 5 V
  • Support mixed-mode voltage operation on all ports
  • Ioff supports partial-power-down mode operation
  • Latch-up performance exceeds 250 mA per JESD 17

Description

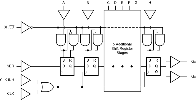
The SN74LV165A device is a parallel-load, 8-bit shift registers designed for 2 V to 5.5 V VCC operation.

When the device is clocked, data is shifted toward the serial output QH. Parallel-in access to each stage is provided by eight individual direct data inputs that are enabled by a low level at the shift/load (SH/ LD) input. The ’LV165A devices feature a clock-inhibit function and a complemented serial output, Q H.

This device is fully specified for partial-power-down applications using Ioff. The Ioff circuitry disables the outputs, preventing damaging current backflow through the devices when they are powered down.

The SN74LV165A device is a parallel-load, 8-bit shift registers designed for 2 V to 5.5 V VCC operation.

When the device is clocked, data is shifted toward the serial output QH. Parallel-in access to each stage is provided by eight individual direct data inputs that are enabled by a low level at the shift/load (SH/ LD) input. The ’LV165A devices feature a clock-inhibit function and a complemented serial output, Q H.

This device is fully specified for partial-power-down applications using Ioff. The Ioff circuitry disables the outputs, preventing damaging current backflow through the devices when they are powered down.

Subscribe to Welllinkchips !
Your Name
* Email
Submit a request