0
TLV5632
  • TLV5632
  • TLV5632
  • TLV5632

TLV5632

ACTIVE

8-Bit 8-Ch. 1/3 us DAC, Ser. Input, Pgrmable Settling Time/Power Consump, Low Power, PwrDn, Int Ref

Texas Instruments TLV5632 Product Info

1 April 2026 0

Parameters

Resolution (Bits)

8

Number of DAC channels

8

Interface type

SPI

Output type

Buffered Voltage

Output voltage range (V)

0 to 5

INL (max) (±LSB)

1

Settling time (µs)

1

Reference type

Ext, Int

Architecture

String

Rating

Catalog

Sample/update rate (Msps)

0.283

Power consumption (typ) (mW)

18

Operating temperature range (°C)

-40 to 85

Product type

General-purpose DAC

Package

SOIC (DW)-20-131.84 mm² 12.8 x 10.3

Features

  • Eight Voltage Output DACs in One Package
    • TLV5630 . . .12-Bit
    • TLV5631 . . .10-Bit
    • TLV5632 . . .8-Bit
    • 1 µs in Fast Mode
    • 3 µs in Slow Mode
  • Programmable Settling Time vs Power
    Consumption
    • 1 µs in Fast Mode
    • 3 µs in Slow Mode
    • 18 mW in Slow Mode at 3 V
    • 48 mW in Fast Mode at 3 V
  • Compatible With TMS320 and SPI Serial Ports
  • Monotonic Over Temperature
  • Low Power Consumption:
    • 18 mW in Slow Mode at 3 V
    • 48 mW in Fast Mode at 3 V
  • Power-Down Mode
  • Internal Reference
  • Data Output for Daisy-Chaining
  • APPLICATIONS
    • Digital Servo Control Loops
    • Digital Offset and Gain Adjustment
    • Industrial Process Control
    • Machine and Motion Control Devices
    • Mass Storage Devices
  • Eight Voltage Output DACs in One Package
    • TLV5630 . . .12-Bit
    • TLV5631 . . .10-Bit
    • TLV5632 . . .8-Bit
    • 1 µs in Fast Mode
    • 3 µs in Slow Mode
  • Programmable Settling Time vs Power
    Consumption
    • 1 µs in Fast Mode
    • 3 µs in Slow Mode
    • 18 mW in Slow Mode at 3 V
    • 48 mW in Fast Mode at 3 V
  • Compatible With TMS320 and SPI Serial Ports
  • Monotonic Over Temperature
  • Low Power Consumption:
    • 18 mW in Slow Mode at 3 V
    • 48 mW in Fast Mode at 3 V
  • Power-Down Mode
  • Internal Reference
  • Data Output for Daisy-Chaining
  • APPLICATIONS
    • Digital Servo Control Loops
    • Digital Offset and Gain Adjustment
    • Industrial Process Control
    • Machine and Motion Control Devices
    • Mass Storage Devices

Description

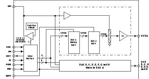
The TLV5630, TLV5631, and TLV5632 are pin-compatible, eight-channel, 12-/10-/8-bit voltage output DACs each with a flexible serial interface. The serial interface allows glueless interface to TMS320 and SPI, QSPI, and Microwire serial ports. It is programmed with a 16-bit serial string containing 4 control and 12 data bits.

Additional features are a power-down mode, an LDAC input for simultaneous update of all eight DAC outputs, and a data output which can be used to cascade multiple devices, and an internal programmable band-gap reference.

The resistor string output voltage is buffered by a rail-to-rail output amplifier with a programmable settling time to allow the designer to optimize speed vs power dissipation. The buffered, high-impedance reference input can be connected to the supply voltage.

Implemented with a CMOS process, the DACs are designed for single-supply operation from 2.7 V to 5.5 V, and can operate on two separate analog and digital power supplies. The devices are available in 20-pin SOIC and TSSOP packages.

The TLV5630, TLV5631, and TLV5632 are pin-compatible, eight-channel, 12-/10-/8-bit voltage output DACs each with a flexible serial interface. The serial interface allows glueless interface to TMS320 and SPI, QSPI, and Microwire serial ports. It is programmed with a 16-bit serial string containing 4 control and 12 data bits.

Additional features are a power-down mode, an LDAC input for simultaneous update of all eight DAC outputs, and a data output which can be used to cascade multiple devices, and an internal programmable band-gap reference.

The resistor string output voltage is buffered by a rail-to-rail output amplifier with a programmable settling time to allow the designer to optimize speed vs power dissipation. The buffered, high-impedance reference input can be connected to the supply voltage.

Implemented with a CMOS process, the DACs are designed for single-supply operation from 2.7 V to 5.5 V, and can operate on two separate analog and digital power supplies. The devices are available in 20-pin SOIC and TSSOP packages.

Subscribe to Welllinkchips !
Your Name
* Email
Submit a request