0
TPA3220
  • TPA3220
  • TPA3220

TPA3220

ACTIVE

60-W stereo, 110-W mono, 7- to 32-V, analog input Class-D audio amplifier w/ low idle, pad-down

Texas Instruments TPA3220 Product Info

1 April 2026 0

Parameters

Audio input type

Analog Input

Architecture

Class-D

Speaker channels (max)

Stereo

Control interface

Hardware

Output power (W)

100

Power stage supply (max) (V)

30

Power stage supply (min) (V)

7

THD + N at 1 kHz (%)

0.02

Load (min) (Ω)

1

Analog supply voltage (min) (V)

5

Analog supply voltage (max) (V)

30

Rating

Catalog

Operating temperature range (°C)

-40 to 85

Package

HTSSOP (DDW)-44-113.4 mm² 14 x 8.1

Features

  • Stereo (2 x BTL) and Mono (1 x PBTL) Operation
  • Output Power at 10% THD+N
    • 60-W Stereo Continuous into 8 Ω in BTL
    • 110-W Stereo Peak into 4 Ω in BTL
  • Output Power at 1% THD+N
    • 50-W Stereo Continuous into 8 Ω in BTL
    • 89-W Stereo Peak into 4 Ω in BTL
  • 5-V Gate Drive or Built-in LDO for Optional Single-Supply Operation
  • Closed-Loop Feedback Design
    • Signal Bandwidth up to 100 kHz for High-Frequency Content From HD Sources
    • 0.02% THD+N at 1 W into 4 Ω
    • 60-dB PSRR (BTL, No Input Signal)
    • <72-µV Output Noise (A-Weighted)
    • >108-dB SNR (A-Weighted)
    • AD or HEAD Modulation Schemes
  • Low-Power Operating Modes
    • Standby Modes: Mute and < 1 mA Shutdown
    • Low Idle-Current HEAD Modulation Scheme
    • Single-Channel BTL Operation
  • Multiple Input Options to Simplify Pre-Amp Design
    • Differential or Single-Ended Analog Inputs
    • Selectable Gains: 18 dB, 24 dB, 30 dB, 34 dB
  • Integrated Protection: Undervoltage, Cycle-by-cycle Current Limit, Short Circuit, Clipping Detection, Overtemperature Warning and Shutdown, and DC Speaker Protection
  • 90% Efficient Class-D Operation (4 Ω)
  • Thermal Pad Located on Package Bottom
  • Pin-Compatible Family of Devices with Voltage and Power-Level Options
  • Stereo (2 x BTL) and Mono (1 x PBTL) Operation
  • Output Power at 10% THD+N
    • 60-W Stereo Continuous into 8 Ω in BTL
    • 110-W Stereo Peak into 4 Ω in BTL
  • Output Power at 1% THD+N
    • 50-W Stereo Continuous into 8 Ω in BTL
    • 89-W Stereo Peak into 4 Ω in BTL
  • 5-V Gate Drive or Built-in LDO for Optional Single-Supply Operation
  • Closed-Loop Feedback Design
    • Signal Bandwidth up to 100 kHz for High-Frequency Content From HD Sources
    • 0.02% THD+N at 1 W into 4 Ω
    • 60-dB PSRR (BTL, No Input Signal)
    • <72-µV Output Noise (A-Weighted)
    • >108-dB SNR (A-Weighted)
    • AD or HEAD Modulation Schemes
  • Low-Power Operating Modes
    • Standby Modes: Mute and < 1 mA Shutdown
    • Low Idle-Current HEAD Modulation Scheme
    • Single-Channel BTL Operation
  • Multiple Input Options to Simplify Pre-Amp Design
    • Differential or Single-Ended Analog Inputs
    • Selectable Gains: 18 dB, 24 dB, 30 dB, 34 dB
  • Integrated Protection: Undervoltage, Cycle-by-cycle Current Limit, Short Circuit, Clipping Detection, Overtemperature Warning and Shutdown, and DC Speaker Protection
  • 90% Efficient Class-D Operation (4 Ω)
  • Thermal Pad Located on Package Bottom
  • Pin-Compatible Family of Devices with Voltage and Power-Level Options

Description

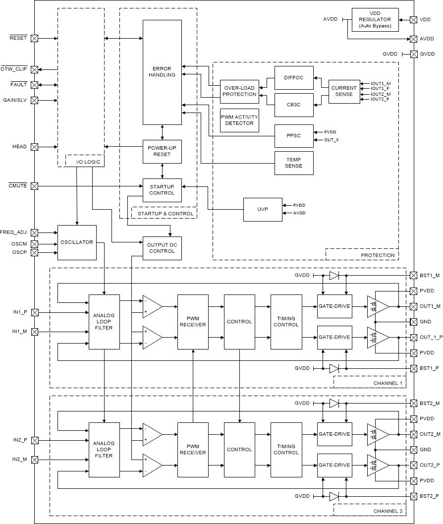
TPA3220 is a pad-down Class-D amplifier that enables efficient operation at full-power, idle and standby. The device features closed-loop feedback with a bandwidth up to 100 kHz, which provides low distortion across the audio band and delivers excellent sound quality. The device operates with either AD or low idle-current HEAD (High Efficiency AD) modulation and can drive up to 2 x 60 W continuously or 2 x 110 W peak into 4-Ω load with the thermal pad on bottom connected to the PCB.

The TPA3220 features a single-ended or differential analog-input interface that supports up to 2 VRMS with four selectable gains: 18 dB, 24 dB, 30 dB and 34 dB. The TPA3220 also achieves >90% efficiency, low idle power (<0.25 W) and ultra-low standby power (<0.1 W). This is made possible through the use of 70-mΩ MOSFETs, an optimized gate drive scheme and low-power operating modes. TPA3220 includes a built-in LDO for easy integration in single-power-supply systems. To further simplify the design, the device integrates essential protection features including undervoltage, cycle-by-cycle current limit, short circuit, clipping detection, overtemperature warning and shutdown, as well as DC speaker protection.

TPA3220 is a pad-down Class-D amplifier that enables efficient operation at full-power, idle and standby. The device features closed-loop feedback with a bandwidth up to 100 kHz, which provides low distortion across the audio band and delivers excellent sound quality. The device operates with either AD or low idle-current HEAD (High Efficiency AD) modulation and can drive up to 2 x 60 W continuously or 2 x 110 W peak into 4-Ω load with the thermal pad on bottom connected to the PCB.

The TPA3220 features a single-ended or differential analog-input interface that supports up to 2 VRMS with four selectable gains: 18 dB, 24 dB, 30 dB and 34 dB. The TPA3220 also achieves >90% efficiency, low idle power (<0.25 W) and ultra-low standby power (<0.1 W). This is made possible through the use of 70-mΩ MOSFETs, an optimized gate drive scheme and low-power operating modes. TPA3220 includes a built-in LDO for easy integration in single-power-supply systems. To further simplify the design, the device integrates essential protection features including undervoltage, cycle-by-cycle current limit, short circuit, clipping detection, overtemperature warning and shutdown, as well as DC speaker protection.

Subscribe to Welllinkchips !
Your Name
* Email
Submit a request