0
SN74LV138A
  • SN74LV138A
  • SN74LV138A
  • SN74LV138A
  • SN74LV138A
  • SN74LV138A
  • SN74LV138A
  • SN74LV138A
  • SN74LV138A
  • SN74LV138A
  • SN74LV138A
  • SN74LV138A

SN74LV138A

ACTIVE

Three-line to eight-line decoders/demultiplexers

Texas Instruments SN74LV138A Product Info

1 April 2026 0

Parameters

Technology family

LV-A

Number of channels

1

Operating temperature range (°C)

-40 to 125

Rating

Catalog

Supply current (max) (µA)

20

Package

SOIC (D)-16-59.4 mm² 9.9 x 6

Features

  • VCC operation of 2 V to 5.5 V
  • Maximum tpd of 9.5 ns at 5 V
  • Typical VOLP (output ground bounce) <0.8 V at VCC = 3.3 V, TA = 25°C
  • Typical VOHV (output VOH undershoot) >2.3 V at VCC = 3.3 V, TA = 25°C
  • Support mixed-mode voltage operation on all ports
  • Ioff supports partial-power-down mode operation
  • Latch-up performance exceeds 250 mA per JESD 17
  • VCC operation of 2 V to 5.5 V
  • Maximum tpd of 9.5 ns at 5 V
  • Typical VOLP (output ground bounce) <0.8 V at VCC = 3.3 V, TA = 25°C
  • Typical VOHV (output VOH undershoot) >2.3 V at VCC = 3.3 V, TA = 25°C
  • Support mixed-mode voltage operation on all ports
  • Ioff supports partial-power-down mode operation
  • Latch-up performance exceeds 250 mA per JESD 17

Description

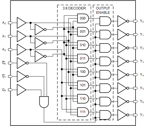
The SN74LV138A device is 3-line to 8-line decoders/demultiplexers designed for 2 V to 5.5 V VCC operation.

The conditions at the binary-select inputs (A0, A1, A2) and the three enable inputs (G2, G0, G1) select one of eight output lines. The two active-low (G0, G1) and one active-high (G2) enable inputs reduce the need for external gates or inverters when expanding.

The SN74LV138A device is 3-line to 8-line decoders/demultiplexers designed for 2 V to 5.5 V VCC operation.

The conditions at the binary-select inputs (A0, A1, A2) and the three enable inputs (G2, G0, G1) select one of eight output lines. The two active-low (G0, G1) and one active-high (G2) enable inputs reduce the need for external gates or inverters when expanding.

Subscribe to Welllinkchips !
Your Name
* Email
Submit a request