0
CD4013B
  • CD4013B
  • CD4013B
  • CD4013B
  • CD4013B
  • CD4013B

CD4013B

ACTIVE

CMOS Dual D-Type Flip Flop

Texas Instruments CD4013B Product Info

1 April 2026 0

Parameters

Number of channels

2

Technology family

CD4000

Supply voltage (min) (V)

3

Supply voltage (max) (V)

18

Input type

Standard CMOS

Output type

Push-Pull

Clock frequency (max) (MHz)

24

IOL (max) (mA)

6.8

IOH (max) (mA)

-6.8

Supply current (max) (µA)

600

Features

Balanced outputs, Positive input clamp diode, Standard speed (tpd > 50ns)

Operating temperature range (°C)

-55 to 125

Rating

Catalog

Package

PDIP (N)-14-181.42 mm² 19.3 x 9.4

Features

  • Asynchronous Set-Reset Capability
  • Static Flip-Flop Operation
  • Medium-Speed Operation: 16 MHz (Typical) Clock Toggle Rate at 10-V Supply
  • Standardized Symmetrical Output Characteristics
  • Maximum Input Current Of 1-µA at 18 V Over Full Package Temperature Range:
    • 100 nA at 18 V and 25°C
  • Noise Margin (Over Full Package Temperature Range):
    • 1 V at VDD = 5 V
    • 2 V at VDD = 10 V
    • 2.5 V at VDD = 15 V
  • Asynchronous Set-Reset Capability
  • Static Flip-Flop Operation
  • Medium-Speed Operation: 16 MHz (Typical) Clock Toggle Rate at 10-V Supply
  • Standardized Symmetrical Output Characteristics
  • Maximum Input Current Of 1-µA at 18 V Over Full Package Temperature Range:
    • 100 nA at 18 V and 25°C
  • Noise Margin (Over Full Package Temperature Range):
    • 1 V at VDD = 5 V
    • 2 V at VDD = 10 V
    • 2.5 V at VDD = 15 V

Description

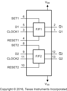
The CD4013B device consists of two identical, independent data-type flip-flops. Each flip-flop has independent data, set, reset, and clock inputs and Q and Q outputs. These devices can be used for shift register applications, and, by connecting Q output to the data input, for counter and toggle applications. The logic level present at the D input is transferred to the Q output during the positive-going transition of the clock pulse. Setting or resetting is independent of the clock and is accomplished by a high level on the set or reset line, respectively.

The CD4013B types are supplied in 14-pin dual-in-line plastic packages (E suffix), 14-pin small-outline packages (M, MT, M96, and NSR suffixes), and 14-pin thin shrink small-outline packages (PW and PWR suffixes).

The CD4013B device consists of two identical, independent data-type flip-flops. Each flip-flop has independent data, set, reset, and clock inputs and Q and Q outputs. These devices can be used for shift register applications, and, by connecting Q output to the data input, for counter and toggle applications. The logic level present at the D input is transferred to the Q output during the positive-going transition of the clock pulse. Setting or resetting is independent of the clock and is accomplished by a high level on the set or reset line, respectively.

The CD4013B types are supplied in 14-pin dual-in-line plastic packages (E suffix), 14-pin small-outline packages (M, MT, M96, and NSR suffixes), and 14-pin thin shrink small-outline packages (PW and PWR suffixes).

Subscribe to Welllinkchips !
Your Name
* Email
Submit a request