0
SN74HCS72-Q1
  • SN74HCS72-Q1
  • SN74HCS72-Q1
  • SN74HCS72-Q1

SN74HCS72-Q1

ACTIVE

Automotive Schmitt-trigger input dual D-type negative-edge-triggered flip-flops w/ clear and preset

Texas Instruments SN74HCS72-Q1 Product Info

1 April 2026 0

Parameters

Number of channels

2

Technology family

HCS

Supply voltage (min) (V)

2

Supply voltage (max) (V)

6

Input type

Schmitt-Trigger

Output type

Push-Pull

Clock frequency (max) (MHz)

45

IOL (max) (mA)

7.8

IOH (max) (mA)

-7.8

Supply current (max) (µA)

2

Features

Balanced outputs, High speed (tpd 10-50ns), Positive input clamp diode

Operating temperature range (°C)

-40 to 125

Rating

Automotive

Package

SOIC (D)-14-51.9 mm² 8.65 x 6

Features

  • AEC-Q100 Qualified for automotive applications:
    • Device temperature grade 1: –40°C to +125°C, TA
    • Device HBM ESD Classification Level 2
    • Device CDM ESD Classifcation Level C6
  • Wide operating voltage range: 2 V to 6 V
  • Schmitt-trigger inputs allow for slow or noisy input signals
  • Low power consumption
    • Typical ICC of 100 nA
    • Typical input leakage current of ±100 nA
  • ±7.8-mA output drive at 5 V
  • AEC-Q100 Qualified for automotive applications:
    • Device temperature grade 1: –40°C to +125°C, TA
    • Device HBM ESD Classification Level 2
    • Device CDM ESD Classifcation Level C6
  • Wide operating voltage range: 2 V to 6 V
  • Schmitt-trigger inputs allow for slow or noisy input signals
  • Low power consumption
    • Typical ICC of 100 nA
    • Typical input leakage current of ±100 nA
  • ±7.8-mA output drive at 5 V

Description

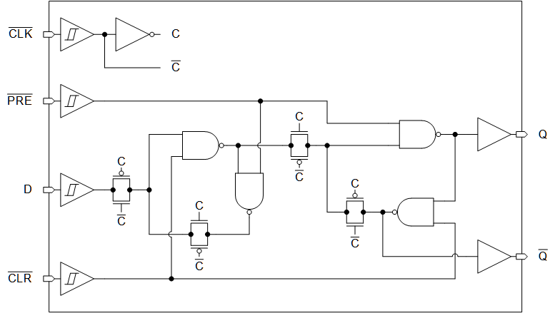
This device contains two independent D-type negative-edge-triggered flip-flops. All inputs include Schmitt-triggers, allowing for slow or noisy input signals. A low level at the preset (PRE) input sets the output high. A low level at the clear (CLR) input resets the output low. Preset and clear functions are asynchronous and not dependent on the levels of the other inputs. When PRE and CLR are inactive (high), data at the data (D) input meeting the setup time requirements is transferred to the outputs (Q, Q) on the negative-going edge of the clock (CLK) pulse. Following the hold-time interval, data at the data (D) input can be changed without affecting the levels at the outputs (Q, Q).

This device contains two independent D-type negative-edge-triggered flip-flops. All inputs include Schmitt-triggers, allowing for slow or noisy input signals. A low level at the preset (PRE) input sets the output high. A low level at the clear (CLR) input resets the output low. Preset and clear functions are asynchronous and not dependent on the levels of the other inputs. When PRE and CLR are inactive (high), data at the data (D) input meeting the setup time requirements is transferred to the outputs (Q, Q) on the negative-going edge of the clock (CLK) pulse. Following the hold-time interval, data at the data (D) input can be changed without affecting the levels at the outputs (Q, Q).

Subscribe to Welllinkchips !
Your Name
* Email
Submit a request