0
LP8728C-Q1
  • LP8728C-Q1
  • LP8728C-Q1

LP8728C-Q1

ACTIVE

LP8728C-Q1 Quad Output Step-Down DC/DC Converter for Automotive Applications

Texas Instruments LP8728C-Q1 Product Info

1 April 2026 0

Parameters

Product type

Processor and FPGA

Vin (min) (V)

2.7

Vin (max) (V)

5.5

Vout (min) (V)

1.2

Vout (max) (V)

3.3

Iout (max) (A)

1

Features

Synchronous rectification, Thermal shutdown, UVLO fixed

Rating

Automotive

Operating temperature range (°C)

-40 to 125

Iq (typ) (mA)

0.001

Switching frequency (max) (kHz)

3200

Package

WQFN (RSG)-28-25 mm² 5 x 5

Features

  • LP8728-Q1-C is an Automotive Grade Product that
    is AECQ-100 Grade 1 Qualified
  • Four High Efficiency Step-Down DC-DC
    Converters:
    • 93% Peak Efficiency (VIN = 5 V, VOUT = 3.3 V)
    • Max Output Current 1 A
    • Forced PWM Operation
    • Soft-Start Control
    • VOUT1 = 3.3 V
    • VOUT2 = 1.2 V
    • VOUT3 = 1.8 V or 2.65 V (pin selectable)
    • VOUT4 = 1.8 V
  • Separate Enable Inputs for each Converter Control
  • Separate Power Good Outputs for each Converter
  • Output Overcurrent and Input Overvoltage Protection
  • Overtemperature Protection
  • Undervoltage Lockout (UVLO)
  • LP8728-Q1-C is an Automotive Grade Product that
    is AECQ-100 Grade 1 Qualified
  • Four High Efficiency Step-Down DC-DC
    Converters:
    • 93% Peak Efficiency (VIN = 5 V, VOUT = 3.3 V)
    • Max Output Current 1 A
    • Forced PWM Operation
    • Soft-Start Control
    • VOUT1 = 3.3 V
    • VOUT2 = 1.2 V
    • VOUT3 = 1.8 V or 2.65 V (pin selectable)
    • VOUT4 = 1.8 V
  • Separate Enable Inputs for each Converter Control
  • Separate Power Good Outputs for each Converter
  • Output Overcurrent and Input Overvoltage Protection
  • Overtemperature Protection
  • Undervoltage Lockout (UVLO)

Description

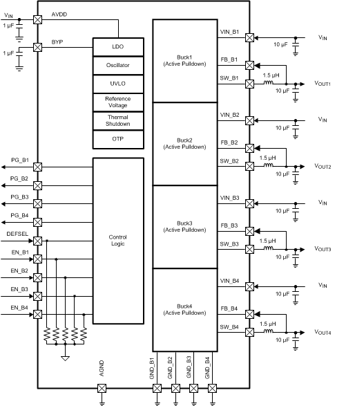
The LP8728-Q1-C is a quad-output Power Management Unit (PMU), optimized for low-power FPGAs, microprocessors, and DSPs for automotive applications. This device integrates four highly efficient step-down DC-DC converters into one package. Each converter has high current capability and separate controls which allows flexibility to use the device in multiple applications. All the converters operate above the AM band with a fixed 3.2-MHz switching frequency. The high-side switch turn on time of each converter is phase shifted to minimize input current spikes.

Protection features include output short-circuit protection, switch current limits, input overvoltage protection, input undervoltage lockout, and thermal shutdown functions. During start-up, the device controls the output slew rate to minimize output voltage overshoot and the input inrush current.

The LP8728-Q1-C is a quad-output Power Management Unit (PMU), optimized for low-power FPGAs, microprocessors, and DSPs for automotive applications. This device integrates four highly efficient step-down DC-DC converters into one package. Each converter has high current capability and separate controls which allows flexibility to use the device in multiple applications. All the converters operate above the AM band with a fixed 3.2-MHz switching frequency. The high-side switch turn on time of each converter is phase shifted to minimize input current spikes.

Protection features include output short-circuit protection, switch current limits, input overvoltage protection, input undervoltage lockout, and thermal shutdown functions. During start-up, the device controls the output slew rate to minimize output voltage overshoot and the input inrush current.

Subscribe to Welllinkchips !
Your Name
* Email
Submit a request