0
LMR10515
  • LMR10515
  • LMR10515
  • LMR10515
  • LMR10515
  • LMR10515

LMR10515

ACTIVE

5.5Vin, 1.5A Step-Down Voltage Regulator in SOT-23 and LLP

Texas Instruments LMR10515 Product Info

1 April 2026 0

Parameters

Rating

Catalog

Topology

Buck

Iout (max) (A)

1.5

Vin (max) (V)

5.5

Vin (min) (V)

3

Vout (max) (V)

4.5

Vout (min) (V)

0.6

Features

Enable

Control mode

current mode

Operating temperature range (°C)

-40 to 125

Iq (typ) (A)

0.0033

Duty cycle (max) (%)

94

Package

SOT-23 (DBV)-5-8.12 mm² 2.9 x 2.8

Features

  • Input Voltage Range of 3 V to 5.5 V
  • Output Voltage Range of 0.6 V to 4.5 V
  • Output Current up to 1.5 A
  • 1.6-MHz (LMR10515X) and 3-MHz (LMR10515Y) Switching Frequencies
  • Low Shutdown IQ, 30 nA Typical
  • Internal Soft-Start
  • Internally Compensated
  • Current-Mode PWM Operation
  • Thermal Shutdown
  • Tiny Overall Solution Reduces System Cost
  • SOT-23 (2.92 × 2.84 × 1 mm) and
    WSON (3 × 3 × 0.8 mm) Packaging
  • Create a custom design using the LMR10515 with the WEBENCH® Power Designer
  • Input Voltage Range of 3 V to 5.5 V
  • Output Voltage Range of 0.6 V to 4.5 V
  • Output Current up to 1.5 A
  • 1.6-MHz (LMR10515X) and 3-MHz (LMR10515Y) Switching Frequencies
  • Low Shutdown IQ, 30 nA Typical
  • Internal Soft-Start
  • Internally Compensated
  • Current-Mode PWM Operation
  • Thermal Shutdown
  • Tiny Overall Solution Reduces System Cost
  • SOT-23 (2.92 × 2.84 × 1 mm) and
    WSON (3 × 3 × 0.8 mm) Packaging
  • Create a custom design using the LMR10515 with the WEBENCH® Power Designer

Description

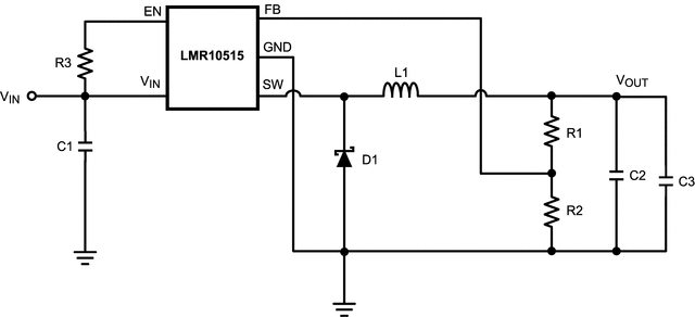
The LMR10515 regulator is a monolithic, high frequency, PWM step-down DC/DC converter in a 5-pin SOT-23 and a 6-pin WSON package. It provides all the active functions to provide local DC/DC conversion with fast transient response and accurate regulation in the smallest possible PCB area. With a minimum of external components, the LMR10515 is easy to use. The ability to drive 1.5-A loads with an internal 130-mΩ PMOS switch results in the best power density available. The world-class control circuitry allows on-times as low as 30ns, thus supporting exceptionally high frequency conversion over the entire 3-V to 5.5-V input operating range down to the minimum output voltage of 0.6 V. The LMR10515 is internally compensated, so it is simple to use and requires few external components. Switching frequency is internally set to 1.6 MHz, or 3 MHz, allowing the use of extremely small surface mount inductors and chip capacitors. Even though the operating frequency is high, efficiencies up to 93% are easy to achieve. External shutdown is included, featuring an ultra-low stand-by current of 30 nA. The LMR10515 utilizes current-mode control and internal compensation to provide high-performance regulation over a wide range of operating conditions. Additional features include internal soft-start circuitry to reduce inrush current, pulse-by-pulse current limit, thermal shutdown, and output over-voltage protection.

The LMR10515 is internally compensated, so it is simple to use and requires few external components. Switching frequency is internally set to 1.6 MHz, or 3 MHz, allowing the use of extremely small surface mount inductors and chip capacitors. Even though the operating frequency is high, efficiencies up to 93% are easy to achieve. External shutdown is included, featuring an ultra-low stand-by current of 30 nA. The LMR10515 utilizes current-mode control and internal compensation to provide high-performance regulation over a wide range of operating conditions. Additional features include internal soft-start circuitry to reduce inrush current, pulse-by-pulse current limit, thermal shutdown, and output overvoltage protection.

The LMR10515 regulator is a monolithic, high frequency, PWM step-down DC/DC converter in a 5-pin SOT-23 and a 6-pin WSON package. It provides all the active functions to provide local DC/DC conversion with fast transient response and accurate regulation in the smallest possible PCB area. With a minimum of external components, the LMR10515 is easy to use. The ability to drive 1.5-A loads with an internal 130-mΩ PMOS switch results in the best power density available. The world-class control circuitry allows on-times as low as 30ns, thus supporting exceptionally high frequency conversion over the entire 3-V to 5.5-V input operating range down to the minimum output voltage of 0.6 V. The LMR10515 is internally compensated, so it is simple to use and requires few external components. Switching frequency is internally set to 1.6 MHz, or 3 MHz, allowing the use of extremely small surface mount inductors and chip capacitors. Even though the operating frequency is high, efficiencies up to 93% are easy to achieve. External shutdown is included, featuring an ultra-low stand-by current of 30 nA. The LMR10515 utilizes current-mode control and internal compensation to provide high-performance regulation over a wide range of operating conditions. Additional features include internal soft-start circuitry to reduce inrush current, pulse-by-pulse current limit, thermal shutdown, and output over-voltage protection.

The LMR10515 is internally compensated, so it is simple to use and requires few external components. Switching frequency is internally set to 1.6 MHz, or 3 MHz, allowing the use of extremely small surface mount inductors and chip capacitors. Even though the operating frequency is high, efficiencies up to 93% are easy to achieve. External shutdown is included, featuring an ultra-low stand-by current of 30 nA. The LMR10515 utilizes current-mode control and internal compensation to provide high-performance regulation over a wide range of operating conditions. Additional features include internal soft-start circuitry to reduce inrush current, pulse-by-pulse current limit, thermal shutdown, and output overvoltage protection.

Subscribe to Welllinkchips !
Your Name
* Email
Submit a request